LabVIEW 控制 Arduino 流水灯(基础篇—3)

498 阅读1分钟

1、实验目的

利用LIAT中的数字I/O函数库,通过LabVIEW控制Arduino Uno控制板上多个管脚上LED灯,实现依次点亮,依次熄灭,形成流水灯效果。

2、实验环境

硬件连接图如下图所示:

LED灯的阳极通过220Ω的限流电阻接至Arduino Uno的D2~D7,阴极直接接至GND。最后,用USB电缆将Arduino Uno控制板与计算机的USB端口连接起来即可。

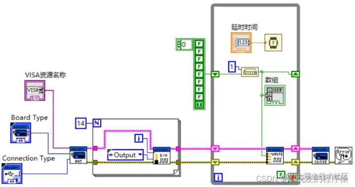
3、程序设计

LabVIEW的前面板设计如下图所示:

​程序框图设计所示:

​LabVIEW程序首先通过设置的串口号与Arduino Uno控制板建立连接,接着将通过For循环将数字管脚D2~D7设置为输出模式,然后进入While循环结构,在While循环中通过一维数组循环移位、移位寄存器和Digital Write Port实现流水灯,最后,断开与Arduino Uno控制板的连接。

4、实验演示

点击运行按钮,LabVIEW程序开始执行,可以看到Arduino Uno控制板外接的LED灯以设置的时间间隔依次点亮和熄灭,形成流水灯效果。同时,LabVIEW前面板上的LED灯也和外接的LED灯保持同步。流水灯的时间间隔可以自己设定。

项目资源下载:LabVIEW控制Arduino流水灯-单片机文档类资源-CSDN下载