POE交换机产品如何设计防雷保护?

139 阅读3分钟

在POE供电系统实际应用中,有很多受电设备AP或移动基站的基站AP与天线,经常要安装于建筑物的高端点,因此这些受电设备也成为遭受雷击的高发点。所以,对于这类的数据网络中心,不仅要考虑建设良好的直击雷防护网与良好的接地系统,同时也要考虑雷电感应与雷电波侵入的防护。接下来就由飞畅科技的小编来为大家详细介绍下POE交换机产品如何设计防雷保护?POE供电系统解决方案示意图!一起来看看吧!

 

感应雷是雷电在雷云之间和雷云对地放电时,在附近的户外电力线、传输信号线、设备间连接线产生电磁感应并侵入设备,使串连在线路中间或终端设备遭到损坏。雷电波侵入则指通过直击或电磁感应和静电感应沿传输线路侵入的雷电波。触于高点的受电设备AP受到感应雷和雷电波侵入的危害主要是通过与基站主设备连接的PSE供电器的信号线的电磁耦合或静电感应的形式,进入数据终端设备或POE电源供电系统的浪涌脉冲。因此,必须在受电设备AP与供电设备PSE相连接的信号线接口处加装相应的多级防雷电路,避免感应雷电流和雷电波对基站主设备的损坏。

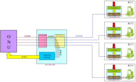
POE供电系统解决方案示意图:

POE供电系统解决方案示意图

POE供电系统介绍
POE供电模块用户端包括AC\DC电路、合路电路;用户端交流电经过AC\DC电路及合路电路处理后利用8芯网线与信源端模块传输电源及以太网数据信号。

POE供电模块信源端包括电源分离及以太网开关控制电路、以太网开关电路、电源智能分配电路(在一拖一系统中,信源端没有此电路);用户端8芯网线进入信源端后,先经过电源分离电路将电源信号从8芯网线分离出来,分离出来后的电源线接到电源智能分配电路中;而经过电源分离后的以太网数据信号线连接到以太网开关上电路上,以太网开关中的控制信号来自于分离后的电源信号;分离后的电源经过电源智能分配电路处理后输出相应电压直接给ONU供电。

此方案由POE供电模块用户端及POE供电模块信源端两部分组成。用户端接上交流电,信源端电源智能分配电路将电源处理后直接给ONU供电;同时,以太网开关检测到电源信号后,以太网开关闭合,ONU端与用户端以太网信号导通。