LinkedBlockingDeque

134 阅读12分钟

图片\

\

大数据成神之路

图片

大数据成神之路: 点我去成神之路系列目录^_^

预计更新500+篇文章,已经更新50+篇~

本系列的大纲会根据实际情况进行调整,欢迎大家关注~

图片

导语

LinkedBlockingDeque是双向链表实现的双向并发阻塞队列。

1介绍

LinkedBlockingDeque是双向链表实现的双向并发阻塞队列。该阻塞队列同时支持FIFO和FILO两种操作方式,即可以从队列的头和尾同时操作(插入/删除);并且,该阻塞队列是支持线程安全。

此外,LinkedBlockingDeque还是可选容量的(防止过度膨胀),即可以指定队列的容量。如果不指定,默认容量大小等于Integer.MAX_VALUE。 

2原理和数据结构

\

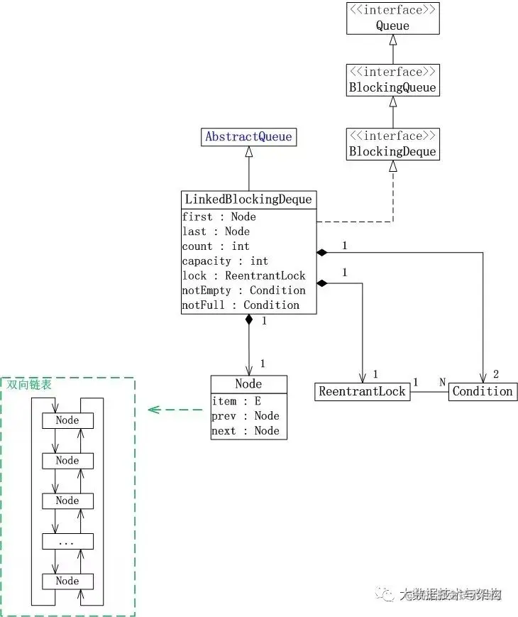
LinkedBlockingDeque的数据结构,如下图所示: 

图片

说明:1. LinkedBlockingDeque继承于AbstractQueue,它本质上是一个支持FIFO和FILO的双向的队列。

  1. LinkedBlockingDeque实现了BlockingDeque接口,它支持多线程并发。当多线程竞争同一个资源时,某线程获取到该资源之后,其它线程需要阻塞等待。

  2. LinkedBlockingDeque是通过双向链表实现的。

3.1 first是双向链表的表头。

3.2 last是双向链表的表尾。

3.3 count是LinkedBlockingDeque的实际大小,即双向链表中当前节点个数。

3.4 capacity是LinkedBlockingDeque的容量,它是在创建LinkedBlockingDeque时指定的。

3.5 lock是控制对LinkedBlockingDeque的互斥锁,当多个线程竞争同时访问LinkedBlockingDeque时,某线程获取到了互斥锁lock,其它线程则需要阻塞等待,直到该线程释放lock,其它线程才有机会获取lock从而获取cpu执行权。

3.6 notEmpty和notFull分别是“非空条件”和“未满条件”。通过它们能够更加细腻进行并发控制。

3函数列表

\

// 创建一个容量为 Integer.MAX_VALUE 的 LinkedBlockingDeque。
LinkedBlockingDeque()
// 创建一个容量为 Integer.MAX_VALUE 的 LinkedBlockingDeque,最初包含给定 collection 的元素,以该 collection 迭代器的遍历顺序添加。
LinkedBlockingDeque(Collection<? extends E> c)
// 创建一个具有给定(固定)容量的 LinkedBlockingDeque。
LinkedBlockingDeque(int capacity)

// 在不违反容量限制的情况下,将指定的元素插入此双端队列的末尾。
boolean add(E e)
// 如果立即可行且不违反容量限制,则将指定的元素插入此双端队列的开头;如果当前没有空间可用,则抛出 IllegalStateException。
void addFirst(E e)
// 如果立即可行且不违反容量限制,则将指定的元素插入此双端队列的末尾;如果当前没有空间可用,则抛出 IllegalStateException。
void addLast(E e)
// 以原子方式 (atomically) 从此双端队列移除所有元素。
void clear()
// 如果此双端队列包含指定的元素,则返回 true。
boolean contains(Object o)
// 返回在此双端队列的元素上以逆向连续顺序进行迭代的迭代器。
Iterator<E> descendingIterator()
// 移除此队列中所有可用的元素,并将它们添加到给定 collection 中。
int drainTo(Collection<? super E> c)
// 最多从此队列中移除给定数量的可用元素,并将这些元素添加到给定 collection 中。
int drainTo(Collection<? super E> c, int maxElements)
// 获取但不移除此双端队列表示的队列的头部。element()
// 获取,但不移除此双端队列的第一个元素。getFirst()
// 获取,但不移除此双端队列的最后一个元素。getLast()
// 返回在此双端队列元素上以恰当顺序进行迭代的迭代器。
Iterator<E> iterator()
// 如果立即可行且不违反容量限制,则将指定的元素插入此双端队列表示的队列中(即此双端队列的尾部),并在成功时返回 true;如果当前没有空间可用,则返回 false。
boolean offer(E e)
// 将指定的元素插入此双端队列表示的队列中(即此双端队列的尾部),必要时将在指定的等待时间内一直等待可用空间。
boolean offer(E e, long timeout, TimeUnit unit)
// 如果立即可行且不违反容量限制,则将指定的元素插入此双端队列的开头,并在成功时返回 true;如果当前没有空间可用,则返回 false。
boolean offerFirst(E e)
// 将指定的元素插入此双端队列的开头,必要时将在指定的等待时间内等待可用空间。
boolean offerFirst(E e, long timeout, TimeUnit unit)
// 如果立即可行且不违反容量限制,则将指定的元素插入此双端队列的末尾,并在成功时返回 true;如果当前没有空间可用,则返回 false。
boolean offerLast(E e)
// 将指定的元素插入此双端队列的末尾,必要时将在指定的等待时间内等待可用空间。
boolean offerLast(E e, long timeout, TimeUnit unit)
// 获取但不移除此双端队列表示的队列的头部(即此双端队列的第一个元素);如果此双端队列为空,则返回 null。peek()
// 获取,但不移除此双端队列的第一个元素;如果此双端队列为空,则返回 null。peekFirst()
// 获取,但不移除此双端队列的最后一个元素;如果此双端队列为空,则返回 null。peekLast()
// 获取并移除此双端队列表示的队列的头部(即此双端队列的第一个元素);如果此双端队列为空,则返回 null。poll()
// 获取并移除此双端队列表示的队列的头部(即此双端队列的第一个元素),如有必要将在指定的等待时间内等待可用元素。poll(long timeout, TimeUnit unit)
// 获取并移除此双端队列的第一个元素;如果此双端队列为空,则返回 null。pollFirst()
// 获取并移除此双端队列的第一个元素,必要时将在指定的等待时间等待可用元素。pollFirst(long timeout, TimeUnit unit)
// 获取并移除此双端队列的最后一个元素;如果此双端队列为空,则返回 null。pollLast()
// 获取并移除此双端队列的最后一个元素,必要时将在指定的等待时间内等待可用元素。pollLast(long timeout, TimeUnit unit)
// 从此双端队列所表示的堆栈中弹出一个元素。pop()
// 将元素推入此双端队列表示的栈。
void push(E e)
// 将指定的元素插入此双端队列表示的队列中(即此双端队列的尾部),必要时将一直等待可用空间。
void put(E e)
// 将指定的元素插入此双端队列的开头,必要时将一直等待可用空间。
void putFirst(E e)
// 将指定的元素插入此双端队列的末尾,必要时将一直等待可用空间。
void putLast(E e)
// 返回理想情况下(没有内存和资源约束)此双端队列可不受阻塞地接受的额外元素数。
int remainingCapacity()
// 获取并移除此双端队列表示的队列的头部。remove()
// 从此双端队列移除第一次出现的指定元素。
boolean remove(Object o)
// 获取并移除此双端队列第一个元素。removeFirst()
// 从此双端队列移除第一次出现的指定元素。
boolean removeFirstOccurrence(Object o)
// 获取并移除此双端队列的最后一个元素。removeLast()
// 从此双端队列移除最后一次出现的指定元素。
boolean removeLastOccurrence(Object o)
// 返回此双端队列中的元素数。
int size()
// 获取并移除此双端队列表示的队列的头部(即此双端队列的第一个元素),必要时将一直等待可用元素。take()
// 获取并移除此双端队列的第一个元素,必要时将一直等待可用元素。takeFirst()
// 获取并移除此双端队列的最后一个元素,必要时将一直等待可用元素。takeLast()
// 返回以恰当顺序(从第一个元素到最后一个元素)包含此双端队列所有元素的数组。
Object[] toArray()
// 返回以恰当顺序包含此双端队列所有元素的数组;返回数组的运行时类型是指定数组的运行时类型。
<T> T[] toArray(T[] a)
// 返回此 collection 的字符串表示形式。
String toString()

\

4源码分析

\

下面从ArrayBlockingQueue的创建,添加,取出,遍历这几个方面对LinkedBlockingDeque进行分析

1. 创建

下面以LinkedBlockingDeque(int capacity)来进行说明。

public LinkedBlockingDeque(int capacity) {
   if (capacity <= 0throw new IllegalArgumentException();
   this.capacity = capacity;
}

说明:capacity是“链式阻塞队列”的容量。

LinkedBlockingDeque中相关的数据结果定义如下:

// “双向队列”的表头
transient Node<E> first;
// “双向队列”的表尾
transient Node<E> last;
// 节点数量
private transient int count;
// 容量
private final int capacity;
// 互斥锁 , 互斥锁对应的“非空条件notEmpty”, 互斥锁对应的“未满条件notFull”
final ReentrantLock lock = new ReentrantLock();
private final Condition notEmpty = lock.newCondition();
private final Condition notFull = lock.newCondition();

说明:lock是互斥锁,用于控制多线程对LinkedBlockingDeque中元素的互斥访问;而notEmpty和notFull是与lock绑定的条件,它们用于实现对多线程更精确的控制。

双向链表的节点Node的定义如下:

static final class Node<E> {
   E item;       // 数据
   Node<E> prev; // 前一节点
   Node<E> next; // 后一节点
   Node(E x) { item = x; }
}

2. 添加

下面以offer(E e)为例,对LinkedBlockingDeque的添加方法进行说明。

public boolean offer(E e) {
   return offerLast(e);
}

offer()实际上是调用offerLast()将元素添加到队列的末尾。

offerLast()的源码如下:

public boolean offerLast(E e) {
   if (e == nullthrow new NullPointerException();
   // 新建节点
   Node<E> node = new Node<E>(e);
   final ReentrantLock lock = this.lock;
   // 获取锁
   lock.lock();
   try {
       // 将“新节点”添加到双向链表的末尾
       return linkLast(node);
   } finally {
       // 释放锁
       lock.unlock();
   }
}

说明:offerLast()的作用,是新建节点并将该节点插入到双向链表的末尾。它在插入节点前,会获取锁;操作完毕,再释放锁。

linkLast()的源码如下:

private boolean linkLast(Node<E> node) {
   // 如果“双向链表的节点数量” > “容量”,则返回false,表示插入失败。
   if (count >= capacity)
       return false;
   // 将“node添加到链表末尾”,并设置node为新的尾节点
   Node<E> l = last;
   node.prev = l;
   last = node;
   if (first == null)
       first = node;
   else
       l.next = node;
   // 将“节点数量”+1
   ++count;
   // 插入节点之后,唤醒notEmpty上的等待线程。
   notEmpty.signal();
   return true;
}

说明:linkLast()的作用,是将节点插入到双向队列的末尾;插入节点之后,唤醒notEmpty上的等待线程。

3. 删除

下面以take()为例,对LinkedBlockingDeque的取出方法进行说明。

public E take() throws InterruptedException {
   return takeFirst();
}

take()实际上是调用takeFirst()队列的第一个元素。

takeFirst()的源码如下:

public E takeFirst() throws InterruptedException {
   final ReentrantLock lock = this.lock;
   // 获取锁
   lock.lock();
   try {
       E x;
       // 若“队列为空”,则一直等待。否则,通过unlinkFirst()删除第一个节点。
       while ( (x = unlinkFirst()) == null)
           notEmpty.await();
       return x;
   } finally {
       // 释放锁
       lock.unlock();
   }
}

说明:takeFirst()的作用,是删除双向链表的第一个节点,并返回节点对应的值。它在插入节点前,会获取锁;操作完毕,再释放锁。

unlinkFirst()的源码如下:

private E unlinkFirst() {
   // assert lock.isHeldByCurrentThread();
   Node<E> f = first;
   if (f == null)
       return null;
   // 删除并更新“第一个节点”
   Node<E> n = f.next;
   E item = f.item;
   f.item = null;
   f.next = f; // help GC
   first = n;
   if (n == null)
       last = null;
   else
       n.prev = null;
   // 将“节点数量”-1
   --count;
   // 删除节点之后,唤醒notFull上的等待线程。
   notFull.signal();
   return item;
}

说明:unlinkFirst()的作用,是将双向队列的第一个节点删除;删除节点之后,唤醒notFull上的等待线程。

4. 遍历

下面对LinkedBlockingDeque的遍历方法进行说明。

public Iterator<E> iterator() {
   return new Itr();
}

iterator()实际上是返回一个Iter对象。

Itr类的定义如下:

private class Itr extends AbstractItr {
   // “双向队列”的表头
   Node<E> firstNode() { return first; }
   // 获取“节点n的下一个节点”
   Node<E> nextNode(Node<E> n) { return n.next; }
}

Itr继承于AbstractItr,而AbstractItr的定义如下:

private abstract class AbstractItr implements Iterator<E> {
   // next是下一次调用next()会返回的节点。
   Node<E> next;
   // nextItem是next()返回节点对应的数据。
   E nextItem;
   // 上一次next()返回的节点。
   private Node<E> lastRet;
   // 返回第一个节点
   abstract Node<E> firstNode();
   // 返回下一个节点
   abstract Node<E> nextNode(Node<E> n);

   AbstractItr() {
       final ReentrantLock lock = LinkedBlockingDeque.this.lock;
       // 获取“LinkedBlockingDeque的互斥锁”
       lock.lock();
       try {
           // 获取“双向队列”的表头
           next = firstNode();
           // 获取表头对应的数据
           nextItem = (next == null) ? null : next.item;
       } finally {
           // 释放“LinkedBlockingDeque的互斥锁”
           lock.unlock();
       }
   }

   // 获取n的后继节点
   private Node<E> succ(Node<E> n) {
       // Chains of deleted nodes ending in null or self-links
       // are possible if multiple interior nodes are removed.
       for (;;) {
           Node<E> s = nextNode(n);
           if (s == null)
               return null;
           else if (s.item != null)
               return s;
           else if (s == n)
               return firstNode();
           else
               n = s;
       }
   }

   // 更新next和nextItem。
   void advance() {
       final ReentrantLock lock = LinkedBlockingDeque.this.lock;
       lock.lock();
       try {
           // assert next != null;
           next = succ(next);
           nextItem = (next == null) ? null : next.item;
       } finally {
           lock.unlock();
       }
   }

   // 返回“下一个节点是否为null”
   public boolean hasNext() {
       return next != null;
   }

   // 返回下一个节点
   public E next() {
       if (next == null)
           throw new NoSuchElementException();
       lastRet = next;
       E x = nextItem;
       advance();
       return x;
   }

   // 删除下一个节点
   public void remove() {
       Node<E> n = lastRet;
       if (n == null)
           throw new IllegalStateException();
       lastRet = null;
       final ReentrantLock lock = LinkedBlockingDeque.this.lock;
       lock.lock();
       try {
           if (n.item != null)
               unlink(n);
       } finally {
           lock.unlock();
       }
   }
}

5示例

import java.util.*;
import java.util.concurrent.*;

/*
*   LinkedBlockingDeque是“线程安全”的队列,而LinkedList是非线程安全的。
*
*   下面是“多个线程同时操作并且遍历queue”的示例
*   (01) 当queue是LinkedBlockingDeque对象时,程序能正常运行。
*   (02) 当queue是LinkedList对象时,程序会产生ConcurrentModificationException异常。
*
*/
public class LinkedBlockingDequeDemo1 {

   // TODO: queue是LinkedList对象时,程序会出错。
   //private static Queue<String> queue = new LinkedList<String>();
   private static Queue<String> queue = new LinkedBlockingDeque<String>();
   public static void main(String[] args) {
   
       // 同时启动两个线程对queue进行操作!
       new MyThread("ta").start();
       new MyThread("tb").start();
   }

   private static void printAll() {
       String value;
       Iterator iter = queue.iterator();
       while(iter.hasNext()) {
           value = (String)iter.next();
           System.out.print(value+", ");
       }
       System.out.println();
   }

   private static class MyThread extends Thread {
       MyThread(String name) {
           super(name);
       }
       @Override
       public void run() {
               int i = 0;
           while (i++ < 6) {
               // “线程名” + "-" + "序号"
               String val = Thread.currentThread().getName()+i;
               queue.add(val);
               // 通过“Iterator”遍历queue。
               printAll();
           }
       }
   }
}

其中一次运行结果:

ta1, ta1, tb1, tb1,

ta1, ta1, tb1, tb1, tb2, tb2, ta2,
ta2,
ta1, ta1, tb1, tb1, tb2, tb2, ta2, ta2, tb3, tb3, ta3,
ta3, ta1,
tb1, ta1, tb2, tb1, ta2, tb2, tb3, ta2, ta3, tb3, tb4, ta3, ta4,
tb4, ta1, ta4, tb1, tb5,
tb2, ta1, ta2, tb1, tb3, tb2, ta3, ta2, tb4, tb3, ta4, ta3, tb5, tb4, ta5,
ta4, ta1, tb5, tb1, ta5, tb2, tb6,
ta2, ta1, tb3, tb1, ta3, tb2, tb4, ta2, ta4, tb3, tb5, ta3, ta5, tb4, tb6, ta4, ta6,
tb5, ta5, tb6, ta6,

结果说明:示例程序中,启动两个线程(线程ta和线程tb)分别对LinkedBlockingDeque进行操作。以线程ta而言,它会先获取“线程名”+“序号”,然后将该字符串添加到LinkedBlockingDeque中;接着,遍历并输出LinkedBlockingDeque中的全部元素。 线程tb的操作和线程ta一样,只不过线程tb的名字和线程ta的名字不同。

当queue是LinkedBlockingDeque对象时,程序能正常运行。如果将queue改为LinkedList时,程序会产生ConcurrentModificationException异常。