SIL9687读数据手册零碎笔记

253 阅读5分钟

本文已参与「新人创作礼」活动,一起开启掘金创作之路。

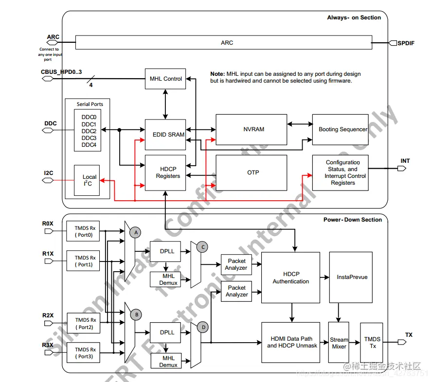
1.工作原理图

在这里插入图片描述

1.SPDIF 音频 任意一个端口都有音频输入 中间这部分是音频返回通道

 ARC引脚用于传输音频源,在SPDIF_IN上接收
端口处理器支持HDMI 1.4b规范中描述的音频返回通道(ARC),该通道将一个S/PDIF音频信号从HDMI接收器传输到TMDS数据流相反方向的HDMI源。ARC简化了用户的音频连接和切换。

2.Static RAM Block(SRAM)

EDID静态内存块,
可以同时读取四个端口的EDID 使用256字节块,
VGA使用128字节块,
自动引导启动使用64字节块,
还有64字节块保留,
一共1280个字节块。
内存使用来自HDMI(RnPWR5V)或者VGA(SBVCC5)的5V电源,可以再没有TV电源的情况下工作,内存块可以使用本地IIC接口读写,也可以使用DDC(显示数据通道)读取,

3.NVRAM Block

这个储存器有512字节,
其中256字节是用来储存公共的HDMI的EDID数据,
128字节是用来储存公共的VGA的EDID数据,
64字节是用来自动引导,
还有64字节是保留的
不管是EDID数据还是自动引导数据在制造器件都应该用本地IIC初始化一次

4.HDCP Register Block

这个寄存器是用来解密传入的音视频数据,解密过程由主机微控制器控制,通过DDC通道使用一组寄存器读写,解密过程中使用预先编程的HDCP密钥,和储存在片上的非易失性存储器(rom或者flash)中的密钥选择向量(KSV)

5.Booting Sequencer(引导定序器)

启动序列所需要的启动数据,例如EDID数据和HPD初始化状态,MHL接口选择器。在NVRAM接通电源的时候读取。

6.Configuration,status 和interrrupt控制寄存器

这个寄存器配置和管理9687A处理器特性所需的寄存器。这些寄存器用于执行音视频辅助格式处理,CEA-861E包,和省电模式控制
这些寄存器可以由本地 IIC端口访问,
这个块还处理中断操作

7.The Power-down Section

省电部分包含HDMI高速数据路径,包括TMDS输入输出块,和用于HDMI数据和HDCP处理的数字逻辑

8. 4:1 Input Multiplexer Blocks

41出 多路复用器,
复用器A块和B块选择四个输入的其中一个输入,
多路复用器块A依次选择剩下三个没被选择的输入,依次将他们的数据通过粗管道发送到DPLL和MHL块。
多路复用器B将选中输入的数据发送到要处理的主管道上

9.MHL Demultiplexer Blocks

MHL多路解复用块,如果从DPLL块接受到的信号只出现在三个通道其中的一个,
那么输入是MHL信号,多路复用器将单线RGB串行数据块,分布在视频的三个并行RGB通道上

10.2:1HDMI/MHL Multiplexer Blocks(HDMI/MHL多路复用器模块)

2:1HDMI/MHL多路复用器块C和D,从DOLL块中选择HDMI信号,或者通过MHL解复用器将MHL转换为HDMI,C块从粗管道传输数据,D块从主管道传输数据

11.Packet Analyzer Blocks(包数据分析器)

数据包分析器从HDMI控制包 提取HDCP在主管道和出管道中 解密过程需要的控制信号,
HDCP解密是由寄存器信息控制的

12.HDCP Authentication Block(HDCP身份验证模块)

HDCP认证块切换到主管道的被选择的输入端口连接到其HDCP解密块,其余的三个端口用粗管道,每个解密块按顺序切换到其输入端口,时间要足够长,以便从预身份验证过程所需的HDMI包中获取控制信息
由于不可预测发生控制包,在粗管道中解密过程中有很小概率会丢失重要的信息。
检测到丢失信息,导致相应的HDCP路径重新验证

13.MP(主管道) and RP(粗管道) HDMI Receive Data Path and HDCP Unmask Blocks

    HDMI数据从主管道和粗管道的HDMI数据由各自的HDMI接受数据路径和HDCP解掩码块发送和处理,
 将主端口合适的解密密钥和当前输入端口连接的粗管道上的XOR掩码应用于该模块,来分解音视频和辅助包

14.InstaPrevue Block

InstaPrevue模块将粗管道中缩小的图像合并到来自主管道的祝图像的预览位置,深度色彩处理,色彩空间转换
像素重复,交错和3D处理(适用于720P和1080P的框架包)
都有InstaPrevue核心正确处理,对缩小后的图像进行转换,使其与主管道的格式匹配

15.AVmute block

音频静音模块,使用两种控制方法控制音频和视频的静音,当启动硬件静音时,软件静音由寄存器设置控制,
如果发生ECC错误,音频和视频将自动静音和不静音。

16.TMDS Transmitter Block

这个发送模块提供一个HDMI内容流,来自于选择内容源的原始流,
内部源终止消除了使用外部R-C组件进行信号整形的需要,可以禁用内部源。

17.ARC Block

音频返回通道模块允许接受到的数字S/PDIF数据从TMDS输入端口传送信号相反的方向传输,
模块以单格式模式将音频输入嵌入到连接HDMI端口的使用引脚

18.OTP ROM

OTP模块提供了生产商的HDCP密钥,不能从设备中读取出来。

RESET_N复位拉低时间最少1ms

RESET_N引脚复位变高电平在VDD10之前

9687设备有10个从IIC设备