华中科技大学计算机组成运算器设计(HUST)

284 阅读1分钟

运算器设计(HUST)

(仅有1,9关图片及资源)
文件提取链接提取码:6m0z(更新1)
(失效的话评论区踢我一下)

1.8位可控加减法电路设计
在这里插入图片描述
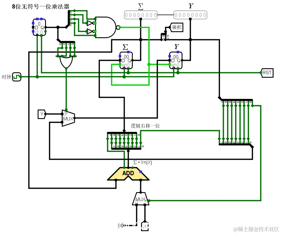
9.原码一位乘法器设计
在这里插入图片描述