华中科技大学计算机组成存储系统设计(HUST)

649 阅读1分钟

存储系统设计(HUST)

(仅有1,2,3,5关图片及资源)
文件提取链接提取码:ydnt
(失效的话评论区踢我一下)

1.汉字字库存储芯片扩展实验
在这里插入图片描述
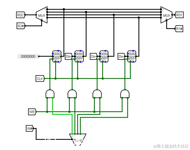
2.MIPS寄存器文件设计
在这里插入图片描述
3.MIPS RAM设计
在这里插入图片描述
在这里插入图片描述
在这里插入图片描述
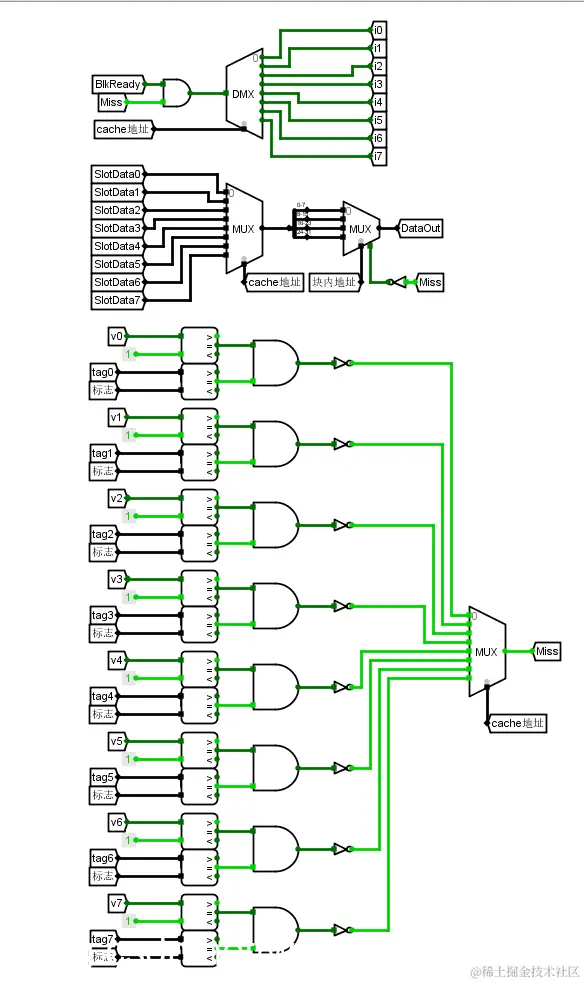
5.直接相联cache设计
在这里插入图片描述
在这里插入图片描述