华中科技大学计算机组成MIPS CPU设计(必须)1-3关

406 阅读1分钟

MIPS CPU设计(必须)

文件提取链接提取码:ztz7
(失效的话评论区踢我一下)

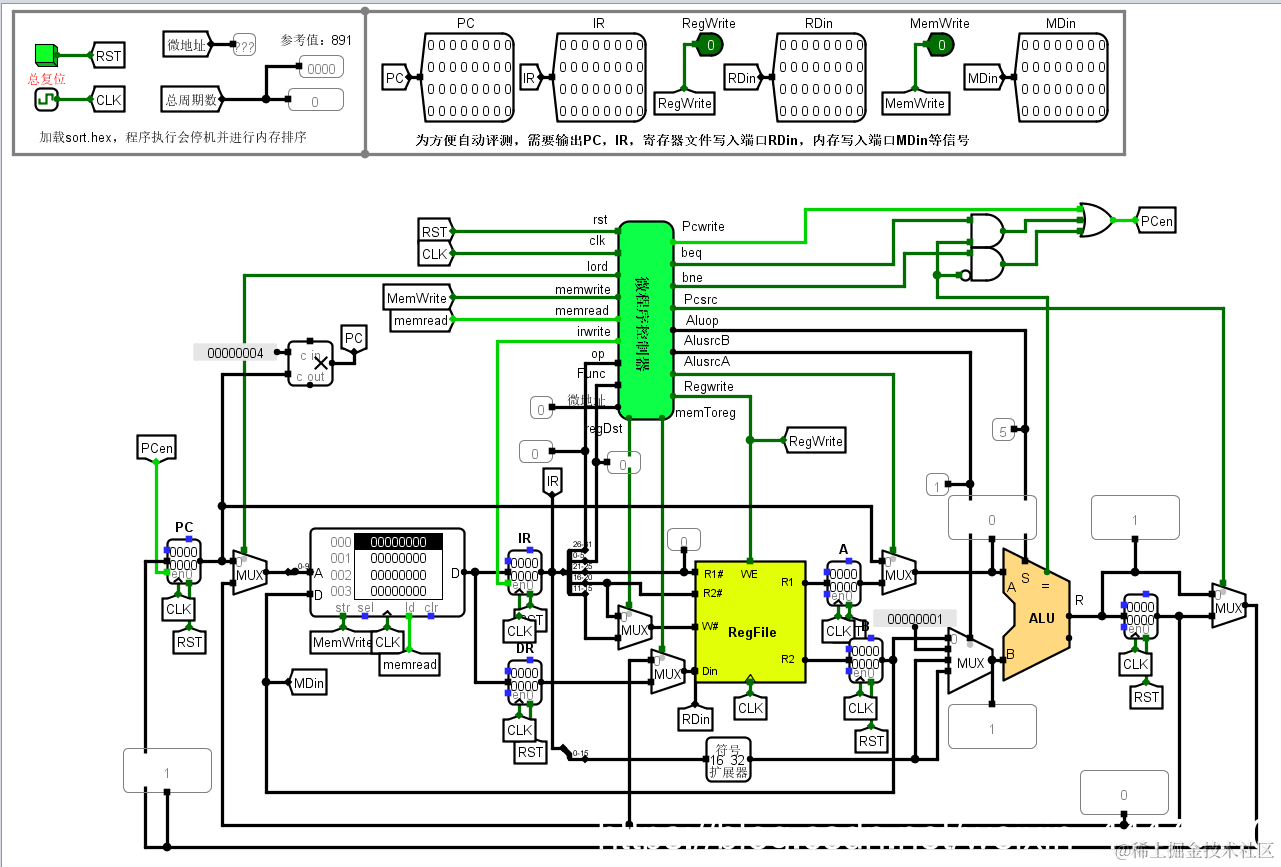
1.单周期MIPS CPU设计
在这里插入图片描述
在这里插入图片描述
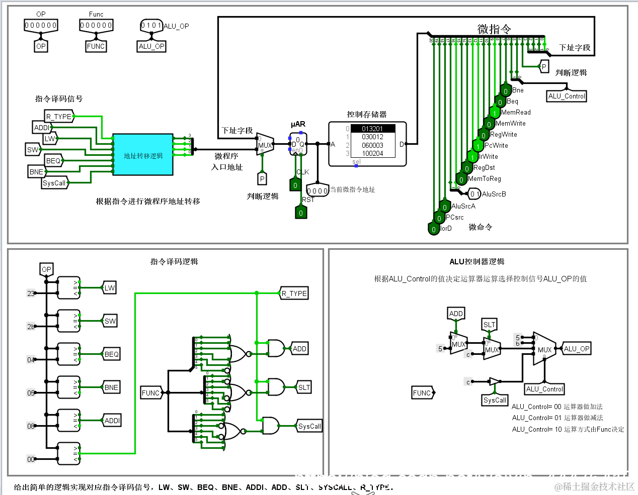
2.微程序地址转移逻辑设计
在这里插入图片描述
3.MIPS微程序CPU设计
在这里插入图片描述
在这里插入图片描述