关于DRV8303/8301电路框图

316 阅读13分钟

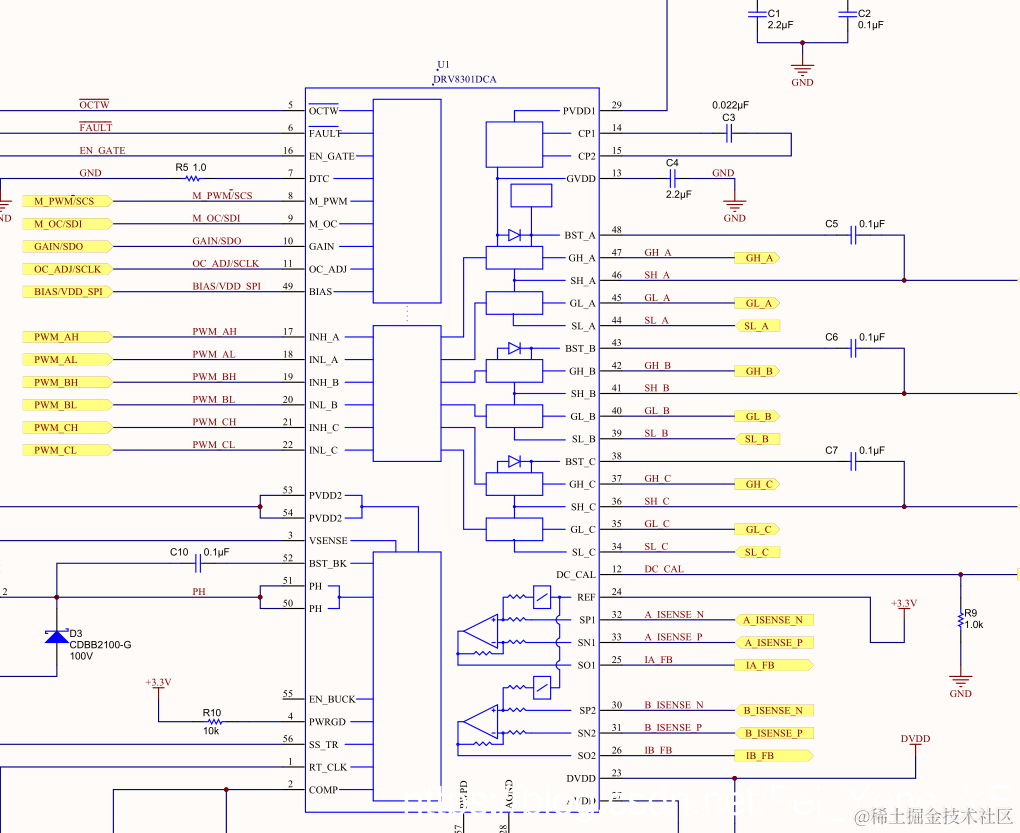
DRV8303 是一款适用于三相电机驱动的栅极驱动器 IC。它提供三个半桥驱动器,每个驱动器能够驱动两个
N 型 MOSFET(一个用于高侧,一个用于低侧)。图 7 显示了栅极驱动器部分的原理图。

 

 

栅极驱动器具有以下 特性:
• 高侧和低侧 FET 在开关转换过程中采用内部握手机制,以防止发生电流击穿
• 可通过 SPI 编程设定转换率或电流驱动能力
• 支持高达 200kHz 的开关频率,Qg(TOT) = 25nC 或 30mA 总栅极驱动器平均电流
• 提供针对外部 FET 的逐周期 (CBC) 电流限制和闭锁过流关断。通过 FET V DS 感测电流,并可通过 SPI
编程设定过流级别。V DS 感测的可编程范围为 0.060V至 2.4V,分辨率为 5 位
• 高侧栅极驱动器在高达 –10V 的半桥负输出下可持续 10ns
• 在 EN_GATE 引脚为低电平和故障条件下,栅极驱动器将使外部 FET 保持处于高阻抗模式
• 可通过 DTC 引脚编程设定死区时间。死区时间控制范围:50ns 至 500ns。将 DTC 引脚与地短接可提供
最短死区时间 50ns。只要时间超过死区时间设置,外部死区时间就会覆盖内部死区时间。
• 自举电路用于驱动三相逆变器的高侧 FET。使用涓流充电电路补偿自举电容泄漏的电流并支持以 100%
占空比运行

图 7 中的 C1、C2 和 C39 为 PVDD 去耦电容。PVDD 去耦电容应靠近其对应的引脚放置并经由一条低阻抗
路径与器件的 GND 引脚相连(PowerPAD,详情请参见10.3 节)。PVDD 为栅极驱动器的电源引脚。只要
PVDD 低于 6V (PVDD_UV),DRV8303 会通过将其输出驱动为低电平为功率级提供欠压保护。PVDD 欠压
状况将通过 FAULT 引脚和 SPI 状态寄存器报告。C5、C6 和 C7 为自举电容。DRV8303 的详细设计和 特
性 将在后续章节中介绍。

DRV8303 的 的 内 部 稳 压 器 电 压
AVDD
AVDD 为内部 6V 电源电压。将 AVDD 电容连接到 AGND。AVDD 为输出,但未指定用于驱动外部电路。
在此原理图中,C16 用作 AVDD 电容,建议值为 1uF。AVDD 电压典型值为 6.5V。最小规范值为 6V,最
大值为 7V。
DVDD
内部 3.3V 电源电压。将 DVDD 电容连接到 AGND。DVDD 为输出,但未指定用于驱动外部电路。在此原
理图中,C17 用作 DVDD 电容,建议值为 1uF。将 AVDD 和 DVDD 电容靠近各自对应的引脚放置并经由
一条低阻抗路径与 AGND 引脚相连(详情请参见10.3 节)。在同一层上进行此连接。通过一条低阻抗走线
或铜箔将 AGND 连接到器件 GND (PowerPAD)。DVDD 电压典型值为 3.3V。最小规范值为 3V,最大值为
3.6V。如果 DVDD 进入欠压状态,通过弱下拉所有栅极驱动器输出可使外部 FET 进入高阻抗状态。从欠压
状态恢复的过程中,DRV8303 会将 SPI 寄存器复位。DVDD 欠压状况将通过 FAULT 引脚报告。
GVDD
GVDD 为内部栅极驱动器稳压器的电压输出。电容 C15 与 GVDD 引脚相连。将 GVDD 电容连接到 GND。
通常情况下,使用 2.2uF 陶瓷电容作为 GVDD 电容。将 GVDD 电容靠近其对应的引脚放置并经由一条低阻
抗路径与器件 GND 引脚相连(PowerPAD,详情请参见10.3 节)。GVDD 引脚受到欠压和过压保护。欠压
保护限值为 7.5V,过压保护限值为 16V。当欠压保护触发后,DRV8303 输出驱动至低电平,外部
MOSFET 随之进入高阻抗状态。GVDD 欠压状况将通过 FAULT 引脚和 SPI 状态寄存器报告。GVDD 过压
故障是一种闭锁故障,只能通过 EN_GATE 引脚转换复位。GVDD 过压状况将通过 FAULT 引脚和 SPI 状
态寄存器报告。

DRV8303 内 内 的 分 流 放 大 器
DRV8303 具备两个对电流进行精确测量的高性能分流放大器。这两个电流放大器可提供高达 3V 的输出偏
置,以支持双向电流感测。分流放大器具有以下 特性:
• 可编程增益:可通过 SPI 命令设置四种增益(10、20、40 和 80)
• 可通过参考引脚(V ref 的一半)编程设定输出偏移
• 通过 SPI 命令或 DC_CAL 引脚进行直流校准,最大限度减少直流偏移和温度漂移。启用直流校准时,器
件将分流放大器的输入短接并断开负载连接。由于负载断开,直流校准可以在任何时间进行,即使在
FET 开关过程中同样如此。为了获得最佳结果,当出现空载情况时,在关断期间执行直流校准,从而减
少潜在噪声对放大器的影响
分流放大器的输出可按照下列公式计算:

DRV8303 中 中的 的 保护 护 特 性
过 流 保 护 和 报 告
为了保护功率级免遭高电流损坏,在 DRV8303 中采用 V DS 感测电路。根据功率 MOSFET 的 R DS_ON 和最大
容许的漏极电流,可计算出电压阈值。超出该阈值时,将触发过流保护功能。电压阈值电平可通过 SPI 命令
进行编程。
SPI 中共有四种 OC_MODE 设置:
1. 限流模式
启用限流模式后,DRV8303 将在过流事件期间限制 MOSFET 的电流,而非将其关断。过流事件通过过
流温度警告 (OCTW) 引脚报告。OCTW 报告将在同一 PWM 周期或最长 64μs 的时间内(内部定时器)
保持低电平,以便外部控制器在充裕的时间内针对警告信号进行采样。如果在报告过程中其他 FET 发生
过流,除非两个 FET 上的 PWM 周期均已结束,否则 OCTW 报告将保持低电平并重新进行 64μs 计
数。
限流模式提供两种电流控制设置(在 SPI 中通过一位选择,默认采用 CBC 模式):
• 设置 1(CBC 模式):在过流事件期间,检测到过流的 FET 将在下一 PWM 周期前保持关断状态。
• 设置 2(关断时间控制模式):
– 在过流事件期间,检测到过流的 FET 将关断 64µs,如果 PWM 信号仍保持高电平,该 FET 将会
恢复正常(即该 FET 再次导通)。由于所有三相或六个 FET 共用一个定时器,如果多个 FET 发
生过流,FET 将不会恢复正常工作,直到所有发生过流事件的 FET 保持关断状态持续 64μs 为
止。
– 如果在定时器运行周期内为此 FET 切换 PWM 信号,器件将使该已切换的 FET 恢复正常工作。
因此在这种情况下,真正的关断时间可能小于 64µs。
– 如果两个 FET 发生过流且在定时器运行周期内切换其中一个 FET 的 PWM 信号,则被切换的
FET 将恢复正常工作,而另一个 FET 将保持关断状态直到定时器结束(除非其 PWM 也被切
换)。
2. 过流闭锁关断模式
如果某一相位内的任意 FET 发生过流,器件将关断该相位内的高侧和低侧 FET。
3. 仅报告模式
在此模式下将不执行任何保护操作。过流检测将通过 OCTW 引脚和 SPI 状态寄存器报告。外部 MCU 基
于其自身的控制算法执行操作。为 OCTW 引脚设定 64μs 的脉冲展宽时间,以便控制器有充裕的时间检
测过流信号。
4. 过流禁用模式
该器件将忽略所有过流检测结果并且不会进行报告。
欠 压 保 护
为了在欠压状态下保护功率级,当 PVDD 低于 6V (PVDD_UV) 或 GVDD 低于 7.5V (GVDD_UV)
时,DRV8303 通过将其输出驱动为低电平向功率级提供欠压保护。当欠压保护触发后,DRV8303 输出驱动
至低电平,外部 MOSFET 随之进入高阻抗状态。
过 压 保护 护 (GVDD_OV)
如果 GVDD 电压超过 16V,DRV8303 将关断栅极驱动器和电荷泵,避免出现潜在的 GVDD 或电荷泵问题
(例如外部 GVDD 电容或电荷泵短路)。此故障是一种闭锁故障,只能通过 EN_GATE 引脚转换复位。

过 热 保 护
DRV8303 采用一种 2 级过热检测电路:
• 第 1 级:过热警告 (OTW)。OTW 默认通过 OCTW 引脚报告。OCTW 引脚可设置为仅通过 SPI 命令报
告 OTW 或过流警告。
• 第 2 级:栅极驱动器和电荷泵的过热闭锁关断 (OTSD_GATE)。此故障将报告给 FAULT 引脚。此引脚
为闭锁关断,因此即使过热状态不再出现,栅极驱动器也不会自动恢复。当温度低于预设值 t OTSD_CLR
时,需要通过引脚或者 SPI (RESET_GATE) 复位 EN_GATE,以使栅极驱动器恢复正常工作。在 OTSD
运行过程中,只要 PVDD 处于定义的工作范围内,SPI 操作依然有效,寄存器设置将保留在器件中。
复位过热警告 (OTW_CLR) 的结温为 115°C。过热警告和复位过热关断 (OTW_SET/OTSD_CLR) 的结温为
130°C。
故 障 和 保 护 处 理
FAULT 引脚指示出现错误事件(发生关断),例如过流、过热、过压或欠压。请注意,FAULT 为开漏信
号。在启动过程中,当栅极驱动器准备好接收 PWM 信号(内部 EN_GATE 变为高电平)时,FAULT 将变
为高电平。OCTW 引脚指示与关断无必然联系的过流事件和过热事件。OCTW 为开漏信号。
EN_GATE
EN_GATE 低电平用于将栅极驱动器、电荷泵、分流放大器和内部稳压器模块置于低功耗模式以节省电能。
该状态下不支持 SPI 通信。只要 PVDD 仍然存在,该器件会将 MOSFET 输出级置于高阻抗模式。当
EN_GATE 引脚变为高电平时会经过一个上电序列,然后启用栅极驱动器、电流放大器、电荷泵、内部稳压
器等器件并复位与栅极驱动模块相关的所有闭锁故障。该引脚也将复位 SPI 表中的状态寄存器。在错误事件
之后切换 EN_GATE 时,可将所有闭锁故障复位,除非此故障仍存在。当 EN_GATE 从高电平变为低电平
时,其将立即关断栅极驱动器模块,因此栅极输出能够将外部 FET 置于高阻抗模式。在其余模块完全关断
前,该器件将等待 10µs。
可在非常短的时间内(小于 10μs)通过切换 EN_GATE 引脚实现快速故障复位模式。这将防止器件关断其
他功能模块,例如电荷泵和内部稳压器,并实现快速而简单的故障恢复。在此快速的 EN_GATE 复位模式
下,SPI 仍可正常运行。另一种复位所有故障的方法是使用 SPI 命令 (RESET_GATE),这种方法将仅复位
栅极驱动模块和所有 SPI 状态寄存器,而不关断其他功能模块。GVDD_OV 故障复位是一种例外情况。EN_
GATE 快速故障复位或 SPI 命令复位并不适用于 GVDD_OV 故障。完整的 EN_GATE 需要保持低电平
10μs 以上来复位 GVDD_OV 故障。发生 GVDD_OV 时,请检查系统和电路板。
DTC
可通过 DTC 引脚编程设定死区时间。在 DTC 与地之间连接一个电阻以控制死区时间。死区时间控制范围为
50ns 至 500ns。将 DTC 引脚与地短接将提供最短死区时间 (50ns)。电阻范围为 0 至 150kΩ。死区时间通
过此电阻范围进行线性设置。器件中持续启用电流击穿防护,与死区时间设置和输入模式设置无关。在本参
考设计中,为 DTC 引脚连接一个 1Ω 电阻。

SPI 通 通 信
VDD_SPI
VDD_SPI 是为 SDO 引脚供电的电源。它必须与 MCU 为其 SPI 运行供电的电源(3.3V 或 5V)相连。在上
电或掉电的瞬态期间,VDD_SPI 引脚的电压可在短时间内变为零。在此期间,系统内的其他器件均不应将
SDO 信号传输至 SDO 引脚,原因是这将导致 DRV8303 内将 SDO 传导至 VDD_SPI 引脚的寄生二极管短
路。系统电源序列设计应考虑这一点并加以防范。
DC_CAL
启用 DC_CAL 后,器件将短接分流放大器的输入并断开与负载的连接,以便外部微控制器(或 SPI 命令)
可对直流偏移进行校准。仅使用 SPI 进行直流校准时,可将 DC_CAL 引脚连接到 GND。
SPI 引 引 脚
SDO 引脚必须为三态,以便可将数据总线连接到多个 SPI 从器件。SCS 引脚为为低电平有效。当 SCS 为
高电平时,SDO 处于高阻抗模式。
SPI
SPI 用于设置器件配置、工作参数和读取诊断信息。DRV8303 SPI 在从模式下运行。SPI 输入数据 (SDI) 字
由 16 位字组成,其中包含 11 位数据及 5 位 (MSB) 命令。SPI 输出数据 (SDO) 字由 16 位字组成,其中包
含 11 位寄存器数据和 4 位 MSB 地址数据以及 1 个帧故障位(置 1 时有效)。当帧无效时,帧故障位置
1,其余 SDO 位将移出为零。
有效帧必须满足以下条件:
1. 当 /SCS 变为低电平时,时钟必须为低电平。
2. 时钟必须具有 16 个完整周期。
3. 当 /SCS 变为高电平时,时钟必须为低电平。
当 SCS 置为高电平时,将忽略 SCLK 和 SDI 引脚上的任意信号,并强制 SDO 进入高阻抗状态。当 SCS
由高电平转换为低电平时,SDO 启用并根据前一时钟周期内的 5 位 SPI 命令将 SPI 响应字载入移位寄存
器。当 SCS 转换为低电平时,SCLK 引脚必须为低电平。当 SCS 处于低电平时,MSB 在每个时钟的上升
沿首先移出,随后响应位以串行方式移出至 SDO 引脚。当 SCS 处于低电平时,新控制位在每个时钟的上
升沿于 SDI 引脚进行采样。针对 SPI 命令位进行解码,确定寄存器地址和访问类型(读访问或写访问)。
MSB 将首先移入。如果发送至 SDI 的字长不等于 16 位,则视为帧错误。如果为写命令,则将忽略数据。
SDO (MSB) 中的故障位将在下一个 16 位字周期报告 为 1。在第 16 个时钟周期结束后或 SCS 由低电平转
换为高电平时,如果采用写访问类型,则 SPI 接收的移位寄存器数据将传输至寄存器地址与解码后的 SPI
命令地址值相匹配的锁存器。只要 SCS 保持低电平有效(允许使用两个 8 位字),任意时长均可以在位间
传送。