关于电化学传感器 + 趋肤效应

154 阅读3分钟

 

工作寿命 输出降至80%原始信号的月数(质保24个月) > 24个月。  是不是寿命太短了?是一直用着的寿命吗?

是,易耗品。

文档中参数,比如零点漂移和www.isweek.cn/180.html这个网址介绍的同样型号的传感器零点漂移不一样?

灵敏度2ppmCO,nA/ppm500-750

PERFORMANCE  Sensitivity     nA/ppm in 10ppm CO                                                        350 to 500

上面两行是不是指:在不同CO含量下的分辨率不一样,这样测量之前还要知道被测物总含量?

以英文文档为主。

Filter  capacity ppm·hrs  H2S 250,000是指过滤1ppm的H2S需要25万小时吗?还是指接触1ppm的H2S不能超过25万小时?

不清楚。要是没有Filter  capacity这几个字,就是接触。

四电极和三电极的对电极和辅助电极一样,接线一样吗?

不一样。

 

/*****************************************************************************************************************************************/

/*****************************************************************************************************************************************/

 

知识点:ppm浓度(parts per million)是用溶质质量占全部溶液质量的百万分比来表示的浓度,也称百万分比浓度。1ppm=1000ppb

被测变量发生变化的时候,传感器一般不能立即对此做出反应,一般都有一个滞后,这个滞后的时间就是响应时间

CO-B4传感器工作环境温度越高,灵敏度越高    ,零点偏移越大(向负方向)-------两大主要误差

1000ppm hrs表示XX膜接触XX气体1ppm不能超过1000小时

选择性也被称为交叉灵敏度。
当被测量是单向量,而且对其方向性要求较高,则应选择其它方向灵敏度小的传感器;如果被测量是多维向量,则要求传感器的交叉灵敏度越小越好

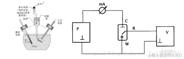
三电极工作原理参考:www.elecfans.com/dianzichang…

连线图

四电极:工作电极(worker),对电极(counter),参考电极/参比电极(reference),辅助电极(auxiliary  electrode)

工作电极是指在测试过程中可引起试液中待测组分浓度明显变化的电极

对电极的作用是和工作电极组成回路以通过电流,应该不影响工作电极上的反应,故常选择铂这类稳定的物质

在测定一个电极的电极电位时,必须另配上一个已知电极电位电极使成为一个电池,测其电势后,方可算出被测电极的电极电位。这样配上的已知电极电位的电极,称为参考电极

对电极和辅助电极说的是同一件事,不同的说法罢了,作用是与工作电极( working electrode)组成电流测量回路,电化学的三电极体系即为:辅助电极AE(又名对电极CE),工作电极(WE),参比电极(RE);两回路即为:电压测量回路(由WE和RE组成)和电流测量回路(由WE和AE组成).阴电极这种说法不是很常见.
辅助说得简单点:单个电极的绝对电位是测不出来的,也没有电流

关于电化学传感器blog.csdn.net/y511374875/…

电化学气体CO传感器电路blog.csdn.net/gtkknd/arti…

当导体中有交流电或者交变电磁场时,导体内部的电流分布不均匀,电流集中在导体的“皮肤”部分,也就是说电流集中在导体外表的薄层,越靠近导体表面,电流密度越大,导线内部实际上电流较小。结果使导体的电阻增加,使它的损耗功率也增加。这一现象称为趋肤效应(skin effect)

应对趋肤效应的方法是:
一、可以采用多根导线,总截面积没变,但是有效面积增加了;
二、将导线表面镀银,减小表面电阻。

三、在宽导线之间打孔