电路方案分析(二)BLDC驱动和控制电路原理图分析

994 阅读2分钟

1.上周家里老人去世了,回了一趟老家,挺忙的,没有更新了。

这次看到一个BLDC的原理图设计,跟大家交流一下:

代码需要的可以留言。

什么事BLDC呢:

BLDC,无刷直流电机(Brushless Direct Current Motor, BLDCM)克服了有刷直流电机的先天性缺陷,以电子换向器取代了机械换向器.

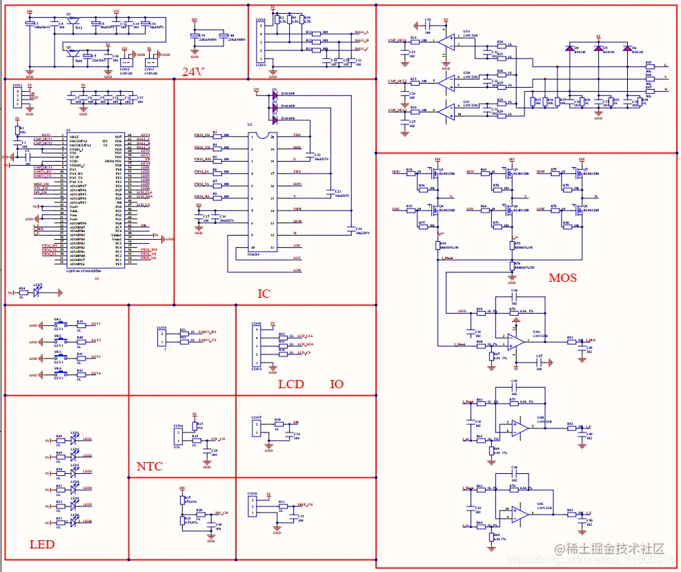
2.原理图框架

在这里插入图片描述

总体原理图,后面咱们按模块进行分析

框架: 在这里插入图片描述

MCU用的是STM8S的,基本原理就是这样

3.电源模块 在这里插入图片描述

24V供电的模块,母线24V,驱动芯片用12V,MCU和其他模块都是5V用电。 这里用的是两个78XX的LDO,效率低一些,但是纹波会好些。

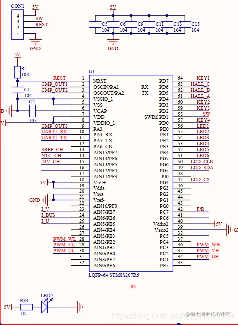
4.主控模块

在这里插入图片描述

单片机最小系统,STM8S207R6,8位单片机,51内核的,用到的外设主要是,串口,ADC,PWM模块,还有DI,DO。

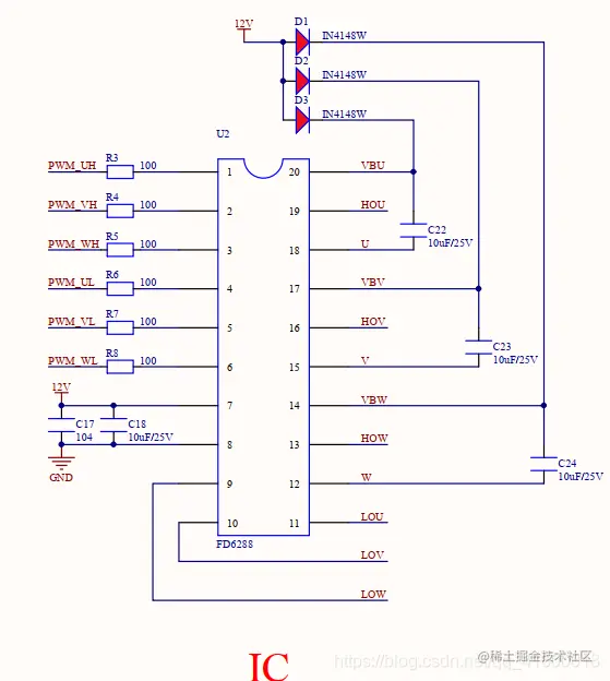
5.驱动IC

在这里插入图片描述

驱动芯片用的是FD6288

关于这个芯片

FD6288T是一款集成了三个独立的半桥栅极驱动集成电路芯片,专为高压、高速驱动MOSFET设计,可在高达+250V电压下工作。

FD6288T内置VCC/VBS欠压(UVLO)保护功能,防止功率管在过低的电压下工作。

FD6288T内置直通防止和死区时间,防止被驱动的高低侧MOSFET直通,有效保护功率器件。

FD6288T内置输入信号滤波,防止输入噪声干扰

■悬浮绝对电压+250V

■电源电压工作范围:5.0 20V

■集成三个独立的半桥驱动

■输出电流+1.5A/-1.8A

■3.3V/5V输入逻辑兼容

■VCC/VBS欠压保护(UVLO)

■内置直通防止功能

■内置200ns死区时间

■内置输入滤波功能

■高低端通道匹配

■输出与输入同相

详细可以看下芯片手册,有详细设计

6.IO外设

在这里插入图片描述

7.霍尔传感器接口

在这里插入图片描述

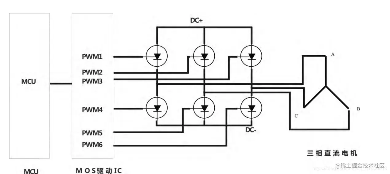
8.驱动模块

在这里插入图片描述

MOS驱动原理

在这里插入图片描述

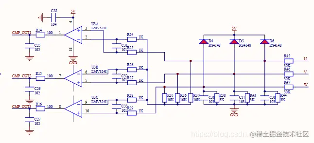
9.相电压检测电路

在这里插入图片描述

比较器检测的相电压,做保护逻辑。这块应该接到驱动芯片的FLT脚上,做硬件保护。