电路方案分析(四)无线充电电动牙刷原理图分析

709 阅读2分钟

找到了瑞萨的电动牙刷的原理图和代码

主要介绍:采用瑞萨16位单片机 R7F0C807, 主要外设用到通用IO、AD采集、TAU、RTO等。PWM驱动,有无线充电管理,牙刷电量指示的功能。

无线充电技术简单介绍:无线充电技术是利用进场电磁感应原理,发射端将电能转化为电磁波发射给接受端,接收端的线圈利用变化的磁场产生感应电流,实现对用电设备的电池充电的目的。

在这里插入图片描述

这些东西在瑞萨的官网或者电路城都找的到。

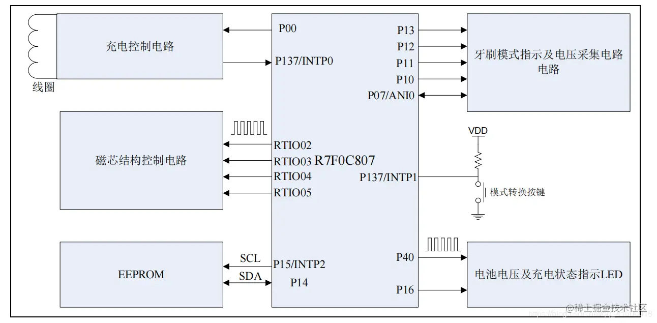
1.原理图框架

原理图:

在这里插入图片描述

原理图框架:

在这里插入图片描述

在这里插入图片描述

2.主控电路:

在这里插入图片描述

R7F0C807作为主控MCU。

IO通道配置如下所示:

在这里插入图片描述

3.充电控制电路

在这里插入图片描述

充电控制电路主要由电磁感应次级线圈,全桥整流二极管及三极管开关控制电路组成。

P137_INPUT来检测充电信号,从而判断当前牙刷是不是处于充电状态。

P00管脚用来控制三极管电路通断,通过PWM可以实现对冲点电流的大小调节。

4.磁芯结构驱动电路 在这里插入图片描述

双P沟道的MOS管构成磁芯结构的全桥驱动电路

图上P_G1和N_G2所表示的两个管脚有相同的PWM1信号,PWM1,PWM2是周期相同,占空比存在相移的信号。 这部分电路就是为了产生交替变化的磁场。

5.牙刷模式指示灯及电压采集电路

在这里插入图片描述

FST1822及周边元件构成升压电路,用来保证在电池电压下降的一定范围内仍能够提供稳定的5V。

电压采集通过PO_LED_AN_RX这个管脚接在AD口实现。

6.一些其他电路

Debug接口和其他接口

在这里插入图片描述

模式切换按钮和复位电路

在这里插入图片描述

扩展EEPROM

在这里插入图片描述