电路方案分析(五)电子计步器

253 阅读2分钟

电子计步器是一种非常受欢迎的日常锻炼进度监控器,可在步行、跑步等具体运动项目中随身携带,用于计算步数、步行距离、卡路里消耗等。

这次看一个瑞萨的一种低功耗、内置LCD驱动器的单片机R7F0C002的电子计步器设计方案。

1.原理图框架

系统框架

在这里插入图片描述

电子计步器的系统功能主要分为数据保存模式、数据显示和设定模式。电子计步器上电之后,系统开始几部并处在显示模式。

原理图:

在这里插入图片描述

电路上比较简单,核心器件是单片机和加速度计。

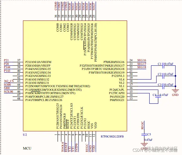
2.R7F0C002单片机电路

单片机结构框图:

在这里插入图片描述

在这里插入图片描述

电源和晶振电路:

在这里插入图片描述

引脚使用说明:

在这里插入图片描述

3.ADXL362加速度计应用电路

在这里插入图片描述

ADXL362为MEMS惯性传感器,精度高,采用SPI通信,内置12位ADC。

系统中的单片机R7F0C002作为主器件,通过SPI接口向ADXL362发送命令,并接受来自ADXL362的加速度数据。ADXL362用作从器件,推荐使用的SPI时钟速度为1MHz到5MHz。

4.LCD接口电路 在这里插入图片描述

R7F0C002内置LCD驱动器,MCU接口可以直接和LCD管脚相连。接口电路非常简单。

由于本系统使用的LCD面板工作电源为3.0V,驱动方式为1/4占空比,1/3偏压,因此LCD驱动器的工作模式选择内部升压方式,1/4占空比,1/3偏压,与LCD面板的工作方式相匹配。其中内部升压方式基准电压选择1.0V,经过1/3偏压法后,VL4电压为3.0V,保证LCD面板数据显示的清晰度。

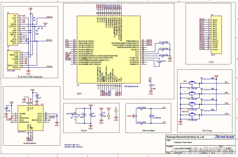
5.按键电路 在这里插入图片描述 为了防抖,在按键电路中并联了104电容,同时使用软件去抖,提高按键有效识别能力。