Redis底层数据结构P6—zset

777 阅读5分钟

  本文已参与「新人创作礼」活动, 一起开启掘金创作之路。

前言

  zsetRedis提供的一个非常特别的数据结构,常用作排行榜等功能。zsetRedis中两种不同的实现,分别是zipListskipListzipList前面我们已经介绍过了,这里就不再介绍了。具体使用哪种结构进行存储,规则如下:

  • zipList:需要满足以下两个条件
    • [score,value]键值对数量少于128个
    • 每个元素的长度小于64字节
  • skipList:不满足以上两个条件时使用跳表、组合了hashskipList
    • hash用来存储valuescore的映射,这样就可以在O(1)时间内找到value对应的分数;
    • skipList按照从小到大的顺序存储分数
    • skipList每个元素的值都是[socre,value]

  使用zipList的示意图如下所示:

  使用跳表时的示意图:

跳表skipList

  跳表可以保证增、删、查等操作时的时间复杂度为O(logN),这个性能可以与AVL平衡二叉树相媲美,但实现方式上却更加简单,唯一美中不足的就是跳表占用的空间比较大,其实就是一种空间换时间的思想。跳表的结构如下所示:

  Redis中跳表一个节点最高可以达到64层,一个跳表中最多可以存储2^64个元素。跳表中,每个节点都是一个skiplistNode,每个跳表的节点也都会维护着一个score值,这个值在跳表中是按照从小到大的顺序排列好的。

  跳表的结构定义如下所示:

typedf struct zskiplist{
    //头节点
    struct zskiplistNode *header;
    //尾节点
    struct zskiplistNode *tail;
    // 跳表中元素个数
    unsigned long length;
    //目前表内节点的最大层数
    int level;
}zskiplist;

  各属性含义如下:

header:指向跳表的头节点,通过这个指针可以直接找到表头,时间复杂度为O(1)

tail:指向跳表的尾节点,通过这个指针可以直接找到表尾,时间复杂度为o(1)

length:记录跳表的长度,即不包括头节点,整个跳表中有多少个元素

level:记录当前跳表内,所有节点中层数最大的level

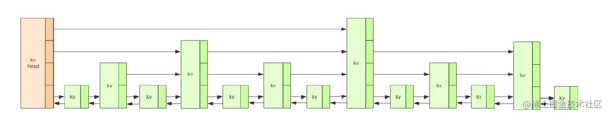
  zskiplist的示意图如下所示:

image.png

  zskiplistNode的结构定义如下:

typedf struct zskiplistNode{

    // 具体的数据
    sds ele;
    
    // 分数
    double score;
    
    //后退指针
    struct zskiplistNode *backward;
    
    //层级数组 最大32
    struct zskiplistLevel{  
    
        //前进指针forward
        struct zskiplistNode *forward;
        
        //跨度span
        unsigned int span;
    }level[];
    
}zskiplistNode;

  各属性含义如下:

  • ele:真正的数据,每个节点的数据都是唯一的,但节点的分数score可以是一样的。两个相同分数score的节点是按照元素的字典序进行排列

  • score:各个节点中的数字是节点所保存的分数score,在跳表中,节点按照各自所保存的分数从小到大排列;

  • backward:用于从表尾向表头遍历,每个节点只有一个后退指针,即每次只能后退一步;

  • zskiplistLevel:层级数组,这个数组中的每个节点都有两个属性,forward指向下一个节点,span跨度用来计算当前节点在跳表中的一个排名,这就为zset提供了一个查看排名的方法。数组中的每个节点中用1、2、3等字样标记节点的各个层,分别L1代表第一层,L2代表第二层,L3代表第三层,以此类推;

  skiplistNode的示意图如下所示:

image.png

增删改查

  以下图为例,讲解一下skiplist的增删改查过程。

  比如要插入的值为6

  • head节点开始,先是在head开始降层来查找到最后一个比6小的节点
  • 等到查到最后一个比6小的节点的时候(假设为5)
  • 然后需要引入一个随机层数算法来为这个节点随机地建立层数
  • 把这个节点插入进去以后,同时更新一遍最高的层数即可

  先是判断这个value是否存在,如果不存在就是新增的场景,反之,就是更新的场景

  需要注意的是,在skipList在更新时,是先找到了value把这value个删除掉然后新增。这样的话就会做两次的搜索,在性能上来讲就比较慢了,因此在 Redis 5.0 版本中,Redis 的作者Salvatore Sanfilippo大神就优化了这个更新的过程。目前新的更新过程是,先判断这个 value是否存在如果存在的话就直接更新然后再调整整个跳跃表的score排序,这样就不需要进行两次搜索,提高了性能。

  假设现在要查找7这个节点,步骤如下:

  • head开始遍历,指针指向4这个节点,由于4<7,且同层的下一个指针指向NULL,所以去到下降一层;
  • 跳到6节点所在的层,同理,6<7,且同层的下一个指针指向NULL,再下降一层;
  • 此时到了第一层,第一层是一个双向链表,由于6<7,所以开始向后遍历,查找到7就返回值,不然就返回NULL

  删除的过程前期与查找相似,先定位到元素所在的位置,再进行删除,最后更新一下指针、更新一下最高的层数。

随机层数算法

  skipList的新增数据时会使用到一个随机层数算法,这个算法的主要作用是随机生成一个数,过程也很简单,源码如下:


# define ZSKIPLIST_MAXLEVEL 32
# define ZSKIPLIST_P 0.25

int zslRandomLevel(void) {
    int level = 1;
    while ((random()&0xFFFF) < (ZSKIPLIST_P * 0xFFFF))
        level += 1;
    return (level<ZSKIPLIST_MAXLEVEL) 
		? level : ZSKIPLIST_MAXLEVEL;
}

总结

Reference

Redis 中的跳表

底层数据结构之跳跃表

底层数据结构之五种基础数据类型的实现

Redis中的强大的数据结构跳跃表

跳跃表