本文已参与「新人创作礼」活动,一起开启掘金创作之路
首先,还是回顾一下今天在牛客网上刷的错题吧:
- (数字)电路的抗干扰能力强,不易受外界干扰;(模拟)电路能够在大电流高电压下工作。
A.数字,数字 B.数字,模拟
C.模拟,数字 D.模拟,模拟
本题答案选B. 数字信号在传递时,采用高低电平两个值,因此数字电路抗干扰能力强,不易受外界干扰。 模拟电路可以在大电流高电压下工作,而数字电路只是在小电压、小电流底功耗下工作。
- 在A/D和D/A转换器中,位数越高,分辨率越高
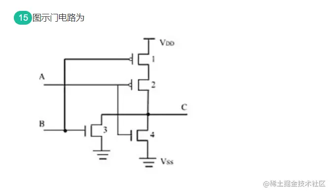
- 与数据分配器有着相同的基本电路结构形式的是( )。
A.减法器 B.编码器
C.加法器 D.译码器
本题答案选D。 数据分配器和译码器有着相同的基本电路结构形式。
- 在时序逻辑电路中,根据输出信号的特点,可以将时序电路分为Mealy型和Moore型两种。在Mealy型电路中,输出信号取决于存储电路的状态,取决于输入变量。
A.取决于,取决于 B.取决于,不取决于
C.不取决于,取决于 D.不取决于,不取决于
Moore型:转换的输出由当前状态决定; Mealy型:转换的输出由当前状态和当前输入的组合决定。
- 交流采样装置是否能采用三表法测量功率(是 )。 理论上两表三表都可以
交流采样测量装置是将工频电量量值电流、电压、频率经数据采集、转换、计算的各电量量值(电流、电压、有功功率、无功功率、频率、相位角和功率因数等)转变为数字量传送至本地或远端的装置。 两表法适用于三相三线制对称与不对称三相电路,特例是可用于对称的三相四线制三相电路(共A、共B 和共C 接法) 三表法则适用对称与不对称三相四线制三相电路,特例是可用于Y 接时中点N 可引出的三相三线制三相电路(共N 接法)
A.或非门 B.或门
C.与非门 D.与门
此题的分析思路是将A,B可能的输入形式代进去,然后考虑输出C的具体情况
- A、B均为低电平时,1、2管导通,3、4管截止,输出高电平;
- A为高电平,B为低电平,1、4管导通,2、3管截止,C端输出低电平;
- A为低电平,B为高电平,输出低电平;
- A、B均为高电平,输出低电平,故为或非门。
- 在A/D转换中,为了能够正确无误地用取样信号表示模拟信号,取样信号必须有足够高的频率。可以证明,为了保证能从取样信号将原来的被取样信号恢复,必须满足:
A.fs>=2fi
B.fs>=fi
C.fs>=2fi
D.fs>=fi
奈奎斯特抽样定理 :要从抽样信号中无失真地恢复原信号,抽样频率应大于2倍信号最高频率。 抽样频率小于2倍频谱最高频率时,信号的频谱有混叠。 抽样频率大于2倍频谱最高频率时,信号的频谱无混叠。
- RAM(可以)随时读写数据,在断电后数据(会)丢失。 动态存储速度不如静态存储速度快
- 在下列不同位数D/A转换电路器中,分辨输出最小电压的是( )。
A.8位D/A B.10位D/A
C.12位D/A D.16位D/A
【分析】在D/A转换电路中,数字量的位数越多,分辨输出最小电压的能力越强。选择D。
 位
A.9 B. 10
C. 11 D. 12
本题答案选C,1位 1/2 = 50%
2位 1/4 = 25%
3位 1/8 = 12.5%
....
n位 1/(2^n)
若是要求A/D转换的误差小于0.05%,需要1/211=1/2048=0.00048828125=0.049%
- 以下选项中,不属于锁存器的特点的是()?
A.对毛刺敏感 B.能异步复位
C.在ASIC设计中,传输速度快 D.在PLD芯片中,需要消耗更多的资源
锁存器为电平触发,无效电平则锁存,有效电平输入即反应到输出,由于延时不同,容易产生毛刺。
- 在PLD芯片中,基本的单元是由查找表和触发器组成的,若生成锁存器,反而需要消耗更多的资源。
- 在ASIC设计中,锁存器构成较为简单,传输速度快。 [说实话]不太懂这一题B选型有啥问题