STM32+华为云IOT制作酒驾监控系统:上车就监控

316 阅读8分钟

本文分享自华为云社区《基于STM32+华为云IOT设计的酒驾监控系统【玩转华为云】》,作者: DS小龙哥。

1. 前言

为了减少和杜绝酒后驾车,当前设计了一种安装在驾驶室内,能鉴别酒精浓度的系统,当识别到酒驾之后会发出警报,并发送短信给指定紧急联系人,通知家人酒驾,监督行车安全。该系统会将GPS数据上传到华为云物联网平台,调用地图模块显示驾驶员具体位置,其中主控芯片采用STM32单片机,GSM模块采用IM800C。系统还带了一块LCD显示屏,可以实时显示检测的酒精含量,酒精超标后,本地蜂鸣器也会发出警报,提醒驾驶员。

测量酒驾的标准是:

(1)饮酒驾车是指车辆驾驶人员血液中的酒精含量大于或者等于20mg/100ml,小于80mg/100ml的驾驶行为。(2)醉酒驾车是指车辆驾驶人员血液中的酒精含量大于或者等于80mg/100ml的驾驶行为。

需要使用的硬件如下:

(1)STM32系统板

(2)酒精检测传感器

(3)LCD显示屏

(4)供电模块

(5)SIM800C模块

(6)蜂鸣器模块

(7)GPS模块–采用SIM800C内部的GPS功能获取GPS数据。

image-20220416132842388

image-20220416142024166

image-20220416142138765 为了测试,搞了几口二锅头。

image-20220418112125021

上位机采用QT开发,调用华为云的应用侧接口获取设备上传的数据。再调用百度接口,获取GPS定位的位置。

image-20220418111126481

2. 登录华为云创建云端设备

2.1 创建产品

华为运官网: www.huaweicloud.com/

image-20211130093052619

image-20211130093130834

image-20211130093332117

在这里可以查看接入的协议的端口号和地址。

image-20211130093421386

image-20211130093603183

MQTT (1883)	a161a58a78.iot-mqtts.cn-north-4.myhuaweicloud.com	

我们设备接入的协议选择MQTT,端口对应是1883

接下来继续创建产品,点击产品页面,点击右上角创建产品:

image-20211130093745795

image-20220418105309516

image-20220418105322907

2.2 创建设备

image-20211130094202682

image-20220418105431921

image-20220418105452823

这是我的设备信息:

设备ID
625cd29cecf9c41c38215ba5_1126626497

设备密钥
1126626497
    
{
    "device_id": "625cd29cecf9c41c38215ba5_1126626497",
    "secret": "1126626497"
}

2.3 产品模型定义

这一步就是设置上报设备的属性,也就是设备的数据类型定义。

image-20220418105604435

image-20220418105637800

image-20220418105649052

image-20220418111355804

2.4 生成MQTT登录密匙

创建完产品、设备之后,接下来就需要知道如何通过MQTT协议登陆华为云服务器。

官方的详细介绍在这里: support.huaweicloud.com/devg-iothub…

image-20211130101143554

image-20211130101210816

MQTT设备登陆密匙生成地址: iot-tool.obs-website.cn-north-4.myhuaweicloud.com/

image-20211130101436487

下面就得到了MQTT协议设备登录的参数。

2.5 使用MQTT客户端软件登录

所有的参数已经得到,接下来采用MQTT客户端登录华为云进行测试。

华为云物联网平台的域名是: a161a58a78.iot-mqtts.cn-north-4.myhuaweicloud.com

华为云物联网平台的IP地址是: 121.36.42.100

在软件里参数填充正确之后,就看到设备已经连接成功了。

接下来打开设备页面,可以看到设备已经在线了。

2.6 上报数据

官方文档: support.huaweicloud.com/devg-iothub…

在这个文档里介绍了MQTT上报数据的格式。

image-20211130102227428

image-20211130104332330

总结的格式:

//订阅主题: 平台下发消息给设备
$oc/devices/625cd29cecf9c41c38215ba5_1126626497/sys/messages/down

//设备上报数据
$oc/devices/625cd29cecf9c41c38215ba5_1126626497/sys/properties/report

//上报的属性消息 (一次可以上报多个属性,在json里增加就行了)
{"services": [{"service_id": "MQ3","properties":{"MQ3":50}}]}

到此,设备数据已经上报成功,如果需要增加更多的属性,按照流程继续增加即可。

3. STM32代码实现

酒精浓度传感器的预热时间要20秒~1分钟左右,这段时间之后采集的数据才会稳定。预热模块会发热,烫手,这个是正常现象。

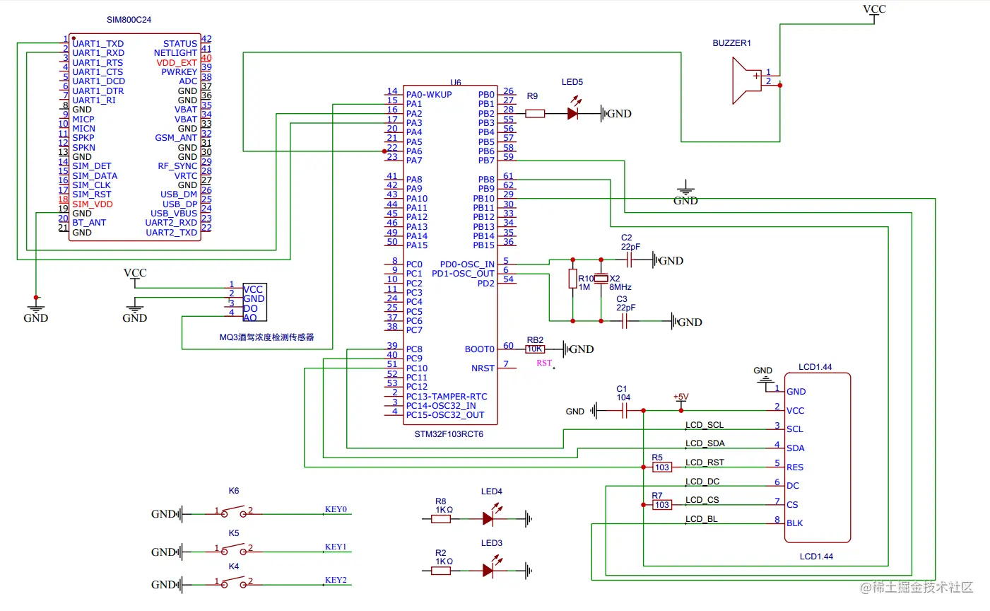
3.1 系统原理图

image-20220412152110776

image-20220412155048985

3.2 程序下载

通过USB进行程序下载: 下载软件在软件包目录下。

点击开始编程之后,点击板子上的复位键即可下载程序,如果失败,重试几次即可。正常的效果如下。

image-20220416125527488

正常程序运行之后,打开串口调试助手看到的初始化信息如下:

image-20220416131945457

3.3 字体取模

image-20220416134432091

3.4 main.c代码

keil工程可以在这里get: download.csdn.net/download/xi…

#include "stm32f10x.h"
#include "led.h"
#include "delay.h"
#include "key.h"
#include "usart.h"
#include <string.h>
#include "timer.h"
#include "oled.h"
#include "adc.h"
#include <string.h>
#include <stdlib.h>
#include "font.h"
#include "sim800c.h"
#include "mqtt.h"

/*
硬件连接方式:
1. TFT 1.44 寸彩屏接线
GND   电源地
VCC   接5V或3.3v电源
SCL   接PC8(SCL)
SDA   接PC9(SDA)
RST   接PC10
DC    接PB7
CS    接PB8
BL	  接PB11

2. 蜂鸣器
VCC--->3.3V
DAT--->PA6
GND--->GND

3. 酒精检测传感器MQ3
VCC--->3.3V
GND--->GND
DAT--->PA1

4. 板载LED灯接线
LED1---PA8
LED2---PD2

5. 板载按键接线
K0---PA0 
K1---PC5 
K2---PA15

6. SIM800C--GSM模块
GND----GND
VCC--->3.3V
PA2----SIM800C_RXD
PA3----SIM800C_TXD
*/

//华为物联网服务器的设备信息
#define MQTT_ClientID "62381267575fb713ee164ad2_xl_1_0_0_2022032106"
#define MQTT_UserName "62381267575fb713ee164ad2_xl_1"
#define MQTT_PassWord "124344feff3e3d96ff6af13cf36af36766619ff1eeee40e99cbae9b7b9739fe4"

//订阅与发布的主题
#define SET_TOPIC  "$oc/devices/62381267575fb713ee164ad2_xl_1/sys/messages/down"  //订阅
#define POST_TOPIC "$oc/devices/62381267575fb713ee164ad2_xl_1/sys/properties/report"  //发布
//设置连接的路由器信息
#define CONNECT_WIFI  "Xiaomi_meizi6"   //将要连接的路由器名称 --不要出现中文、空格等特殊字符
#define CONNECT_PASS "12170307yu"       //将要连接的路由器密码

#define CONNECT_SERVER_IP "a161a58a78.iot-mqtts.cn-north-4.myhuaweicloud.com"   //服务器IP地址
#define CONNECT_SERVER_PORT 1883            //服务器端口

//JTAG模式设置,用于设置JTAG的模式
//mode:jtag,swd模式设置;00,全使能;01,使能SWD;10,全关闭;	   
#define JTAG_SWD_DISABLE   0X02
#define SWD_ENABLE         0X01
#define JTAG_SWD_ENABLE    0X00		  
void JTAG_Set(u8 mode)
{
	u32 temp;
	temp=mode;
	temp<<=25;
	RCC->APB2ENR|=1<<0;     //开启辅助时钟	   
	AFIO->MAPR&=0XF8FFFFFF; //清除MAPR的[26:24]
	AFIO->MAPR|=temp;       //设置jtag模式
}
u16 MQ3_data=0; //酒精浓度
float MQ3_data_float=0; //mg/l

char data_buff[100];
//酒精超标提示
u8 sim800c_buff[100]="Drunk driving reminder";

int main()
{
    u8 state=0;
    u8 key=0;
    u32 time_cnt=0;
    JTAG_Set(JTAG_SWD_DISABLE); //释放PA15
    LED_Init();  //LED灯初始化
    BEEP_Init(); //蜂鸣器初始化
    KEY_Init();  //按键初始化
    USART1_Init(115200); //串口1初始化-打印调试信息
    Lcd_Init();    //LCD初始化
    Lcd_Clear(0);  //清屏为黑色
    LCD_LED_SET;   //通过IO控制背光亮		
    AdcInit();     //ADC初始化--检测酒精传感器的值
    TIMER2_Init(72,20000);//辅助串口2接收,超时时间为20ms
    USART2_Init(115200); //可能的波特率(测试):  57600 、9600、115200
    USART3_Init(115200);//串口-WIFI
    TIMER3_Init(72,20000); //超时时间20ms
    
    //预热视频
    LCD_ShowChineseFont(0,16*3,16,HZ_FONT_16[20],RED,0);
    LCD_ShowChineseFont(16,16*3,16,HZ_FONT_16[21],RED,0);
    LCD_ShowChineseFont(16*2,16*3,16,HZ_FONT_16[22],RED,0);
    LCD_ShowChineseFont(16*3,16*3,16,HZ_FONT_16[23],RED,0);
    LCD_ShowChineseFont(16*4,16*3,16,HZ_FONT_16[24],RED,0);
    LCD_ShowChineseFont(16*5,16*3,16,HZ_FONT_16[25],RED,0);
    LCD_ShowChineseFont(16*6,16*3,16,HZ_FONT_16[26],RED,0);
    LCD_ShowChineseFont(16*7,16*3,16,HZ_FONT_16[27],RED,0);
    //delay_ms(30000); //初始化时间30秒
    delay_ms(5000); //初始化时间5秒
    Lcd_Clear(0);  //清屏为黑色
    
   //采集数据的真实数据
   LCD_ShowChineseFont(0,16*2,16,HZ_FONT_16[0],RED,0);
   LCD_ShowChineseFont(16,16*2,16,HZ_FONT_16[1],RED,0);
   LCD_ShowChineseFont(16*2,16*2,16,HZ_FONT_16[2],RED,0);
   LCD_ShowChineseFont(16*3,16*2,16,HZ_FONT_16[3],RED,0);
   
   //酒精含量计算结果
   LCD_ShowChineseFont(0,16*3,16,HZ_FONT_16[4],RED,0);
   LCD_ShowChineseFont(16,16*3,16,HZ_FONT_16[5],RED,0);
   LCD_ShowChineseFont(16*2,16*3,16,HZ_FONT_16[6],RED,0);
   LCD_ShowChineseFont(16*3,16*3,16,HZ_FONT_16[7],RED,0);

    //酒精超标显示
    Gui_DrawFont_GBK16(0,16*4,RED,0,(u8*)"        ");
    LCD_ShowChineseFont(0,16*4,16,HZ_FONT_16[16],RED,0);
    LCD_ShowChineseFont(16,16*4,16,HZ_FONT_16[17],RED,0);
    LCD_ShowChineseFont(16*2,16*4,16,HZ_FONT_16[18],RED,0);
    LCD_ShowChineseFont(16*3,16*4,16,HZ_FONT_16[19],RED,0);

    //初始化SIM800C
    state=SIM800C_InitCheck();
    printf("SIM800C初始化状态:%d\r\n",state);
    DelayMs(1000);
    
    //设置文本模式
    state=SIM800C_SetNoteTextMode();
    printf("设置文本模式状态:%d\r\n",state);
    DelayMs(1000);
    
    //
    
      printf("正在初始化WIFI请稍等.\r\n");
    
    for(i=0;i<5;i++)
    {
        if(ESP8266_Init()==0)
        {
            esp8266_state=1;
            break;
        }
        else
        {
            esp8266_state=0;
            printf("ESP8266硬件检测错误.\n");  
        }
    }
  
   if(esp8266_state)
   {
       printf("准备连接服务器....\r\n");
        //非加密端口
        printf("WIFI:%d\n",ESP8266_STA_TCP_Client_Mode(CONNECT_WIFI,CONNECT_PASS,CONNECT_SERVER_IP,CONNECT_SERVER_PORT,1));
         
        //2. MQTT协议初始化	
        MQTT_Init(); 

        //3. 连接服务器  
        for(i=0;i<5;i++)
        {
            if(MQTT_Connect(MQTT_ClientID,MQTT_UserName,MQTT_PassWord)==0)
            {
                esp8266_state=1;
                break;
            }
            esp8266_state=0;
            printf("服务器连接失败,正在重试...\n");
            delay_ms(500);
        }
        printf("服务器连接成功.\n");

        //3. 订阅主题
        if(MQTT_SubscribeTopic(SET_TOPIC,0,1))
        {
           printf("主题订阅失败.\n");
        }
        else
        {
           printf("主题订阅成功.\n");
        } 
   }
    
   while(1)
   {
        key=KEY_Scan();
        if(key)
        {
            printf("key=%d\r\n",key);
        }
       
        //控制LED灯
        if(key==2)
        {
            LED2=!LED2;
        }    
        
        //手动控制蜂鸣器测试
        //手动发送短信测试
        if(key==1)
        {
            BEEP=1;
            delay_ms(100);
            BEEP=0;

            sprintf((char*)sim800c_buff,"Drunk driving reminder:%d",MQ3_data);
            //发送短信
            if(SIM800C_SendNote((u8*)"13800138000",sim800c_buff,strlen((char*)sim800c_buff))==0)
            printf("短信发送成功\r\n");
            else
            printf("短信发送失败\r\n");
        }
        
        //轮询时间到达
        if(time_cnt>300)
        {
            time_cnt=0;
            LED1=!LED1;
            //获取空气质量
            MQ3_data=GetAdcCHxDATA(1);
            printf("采集MQ3数据:%d\r\n",MQ3_data);
          
             //上报数据
            sprintf(data_buff,"{\"services\": [{\"service_id\":\"STM32\",\"properties\":{\"MQ3\":%d}]}",
            MQ3_data);
            
            MQTT_PublishData(POST_TOPIC,data_buff,0);
            
               //上报数据
            sprintf(data_buff,"{\"services\": [{\"service_id\":\"STM32\",\"properties\":{\"MQ3\":%d}]}",
            MQ3_data);
            
            MQTT_PublishData(POST_TOPIC,data_buff,0);
            
            //LCD屏实时显示酒精浓度     
            //采集数据
            sprintf(data_buff,"%d",MQ3_data);
            Gui_DrawFont_GBK16(72,16*2,RED,0,(u8*)"       ");
            Gui_DrawFont_GBK16(72,16*2,RED,0,(u8*)data_buff);
            
            //酒精含量
            //MQ3_data_float=((float)MQ3_data*(5.0/4096))*0.36-1.08;
            MQ3_data_float=((float)MQ3_data*(5.0/4096))*0.36;
            sprintf(data_buff,"%0.2f mg/L",MQ3_data_float);
            printf("计算酒精浓度:%s\r\n",data_buff);
            Gui_DrawFont_GBK16(72,16*3,RED,0,(u8*)"        ");
            Gui_DrawFont_GBK16(72,16*3,RED,0,(u8*)data_buff);  
            
             //判断酒精浓度是否超标,设置阀值
            if(MQ3_data>2000)
            {
                sprintf((char*)sim800c_buff," :%d",MQ3_data);
                //发送短信
                if(SIM800C_SendNote((u8*)"18171571217",sim800c_buff,strlen((char*)sim800c_buff))==0)
                printf("短信发送成功\r\n");
                else
                printf("短信发送失败\r\n");
            }
            
            //采集的值越小,表明酒精浓度越高。反之越大。
            //根据阀值显示不同的文字提示
            if(MQ3_data>2000)
            {
                 //你已酒驾
                Gui_DrawFont_GBK16(0,16*4,RED,0,(u8*)"        ");
                LCD_ShowChineseFont(0,16*4,16,HZ_FONT_16[8],RED,0);
                LCD_ShowChineseFont(16,16*4,16,HZ_FONT_16[9],RED,0);
                LCD_ShowChineseFont(16*2,16*4,16,HZ_FONT_16[10],RED,0);
                LCD_ShowChineseFont(16*3,16*4,16,HZ_FONT_16[11],RED,0);
            }
            //正常稳定范围采集的值是500左右
            else
            {
                //安全范围
                Gui_DrawFont_GBK16(0,16*4,RED,0,(u8*)"        ");
                LCD_ShowChineseFont(0,16*4,16,HZ_FONT_16[16],RED,0);
                LCD_ShowChineseFont(16,16*4,16,HZ_FONT_16[17],RED,0);
                LCD_ShowChineseFont(16*2,16*4,16,HZ_FONT_16[18],RED,0);
                LCD_ShowChineseFont(16*3,16*4,16,HZ_FONT_16[19],RED,0);
            }
        }
        
        DelayMs(10);
        time_cnt++;
	 }
}

点击关注,第一时间了解华为云新鲜技术~