无刷电机FOC像素级别开环控制工程化实现-电机综合

531 阅读1分钟

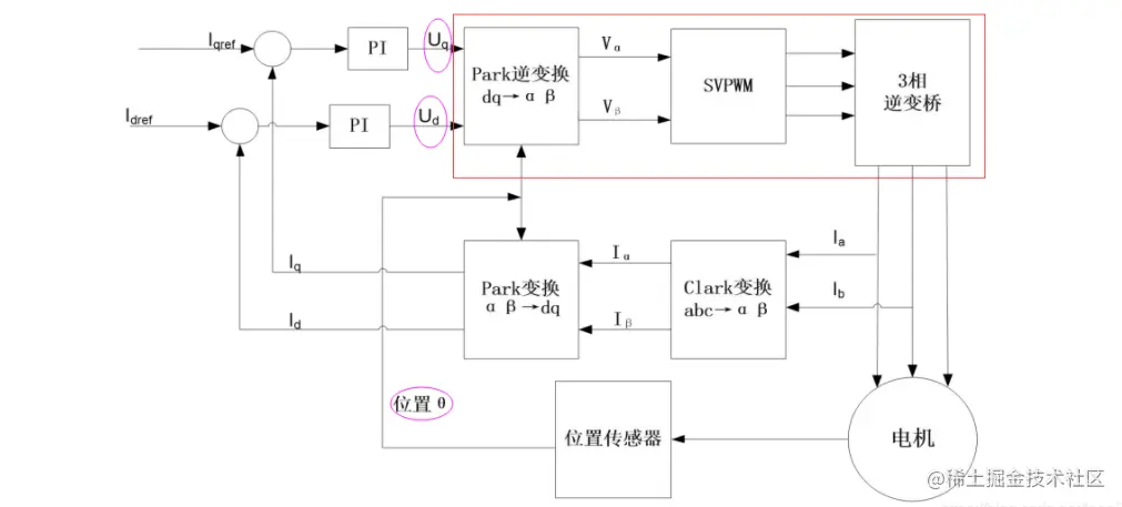
本文是笔者学习笔记,加上自己的理解,公式较多,笔者也是苦苦研究了好久,详细请参考B站大佬分享 www.bilibili.com/video/BV1NT… image.png

1 反Park变换

image.png

2 扇区判断

image.png

3 矢量作用时间

image.png image.png

4 定时器占空比设置

image.png image.png image.png image.png

5 SVPWM算法实现

image.png

6 定时器-PWM驱动初始化

image.png image.png image.png image.png image.png

7 主函数

7.1 开环控制核心思想

image.png image.png

7.2 主干逻辑

image.png

7.3 定时器-SVPWM更新T4,T6

image.png image.png image.png

8 SPI 门驱动控制

image.png image.png image.png image.png image.png image.png image.png image.png image.png image.png

  • DRV8303驱动 image.png image.png image.png image.png image.png image.png image.png image.png