实验2 正弦波振荡器(LC振荡器和晶体振荡器)

2,100 阅读14分钟

本文已参与「新人创作礼」活动,一起开启掘金创作之路。

目录

2-1 正弦波振荡器的基本工作原理

振荡器是指在没有外加信号作用下的一种自动将直流电源的能量变换为一定波形的交变振荡能量的装置。
正弦波振荡器在电子技术领域中有着广泛的应用。在信息传输系统的各种发射机中,就是把主振器(振荡器)所产生的载波,经过放大、调制而把信息发射出去的。在超外差式的各种接收机中,是由振荡器产生一个本地振荡信号,送入混频器,才能将高频信号变成中频信号。
振荡器的种类很多。从所采用的分析方法和振荡器的特性来看,可以把振荡器分为反馈式振荡器和负阻式振荡器两大类。我们只讨论反馈式振荡器。根据振荡器所产生的波形,又可以把振荡器分为正弦波振荡器与非正弦波振荡器。我们只介绍正弦波振荡器。
常用正弦波振荡器主要由决定振荡频率的选频网络和维持振荡的正反馈放大器组成,这就是反馈振荡器。按照选频网络所采用元件的不同,正弦波振荡器可分为LC振荡器、RC 振荡器和晶体振荡器等类型。

一.反馈型正弦波自激振荡器基本工作原理

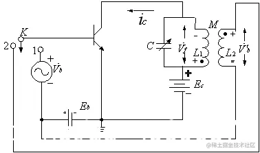
以互感反馈振荡器为例,分析反馈型正弦波自激振荡器的基本原理,其原理电路如图2-1所示。
在这里插入图片描述

					图2-1

当开关K接“1”时,信号源加到晶体管输入端,这就是一个调谐放大器电路,集电极回路得到了一个放大了的信号。
当开关K接“2”时,信号源不加入晶体管,输入晶体管是的一部分。若适当选择互感M和的极性,可以使和大小相等,相位相同,那么电路一定能维持高频振荡,达到自激振荡的目的。实际上起振并不需要外加激励信号,靠电路内部扰动即可起振。
产生自激振荡必须具备以下两个条件:
1.反馈必须是正反馈,即反馈到输入端的反馈电压与输入电压同相,也就是和同相。
2.反馈信号必须足够大,如果从输出端送回到输入端的信号太弱,就不会产生振荡了,也就是说,反馈电压在数值上应大于或等于所需要的输入信号电压。

二.电容三点式LC振荡器

LC振荡器实质上是满足振荡条件的正反馈放大器。LC振荡器是指振荡回路是由LC元件组成的。从交流等效电路可知:由LC振荡回路引出三个端子,分别接振荡管的三个电极,而构成反馈式自激振荡器,因而又称为三点式振荡器。如果反馈电压取自分压电感,则称为电感反馈LC振荡器或电感三点式振荡器;如果反馈电压取自分压电容,则称为电容反馈LC振荡器或电容三点式振荡器。
在几种基本高频振荡回路中,电容反馈LC振荡器具有较好的振荡波形和稳定度,电路形式简单,适于在较高的频段工作,尤其是以晶体管极间分布电容构成反馈支路时其振荡频率可高达几百MHZ~GHZ。

1.LC振荡器的起振条件

一个振荡器能否起振,主要取决于振荡电路自激振荡的两个基本条件,即:振幅起振平衡条件和相位平衡条件。

2.LC振荡器的频率稳定度

频率稳定度表示:在一定时间或一定温度、电压等变化范围内振荡频率的相对变化程度,常用表达式:Δf0/f0来表示(f0为所选择的测试频率;Δf0为振荡频率的频率误差,Δf0=f02-f01;f02和f01为不同时刻的f0),频率相对变化量越小,表明振荡频率的稳定度越高。由于振荡回路的元件是决定频率的主要因素,所以要提高频率稳定度,就要设法提高振荡回路的标准性,除了采用高稳定和高Q值的回路电容和电感外,其振荡管可以采用部分接入,以减小晶体管极间电容和分布电容对振荡回路的影响,还可采用负温度系数元件实现温度补偿。

3.LC振荡器的调整和参数选择

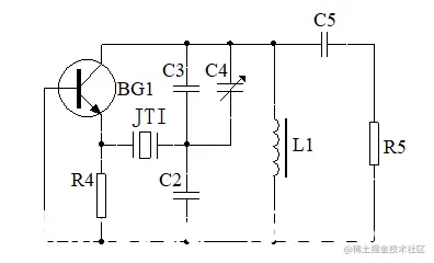
以实验采用改进型电容三点振荡电路(西勒电路)为例,交流等效电路如图2-2所示。
从图可知,该电路上的电压为反馈电压,即该电压加在三极管之间。由于该电压形成正反馈,符合振荡器的相位平衡条件。

在这里插入图片描述

		图2-2 电容三点式LC振荡器交流等效电路

(1)静态工作点的调整
合理选择振荡管的静态工作点,对振荡器工作的稳定性及波形的好坏,有一定的影响,偏置电路一般采用分压式电路。
当振荡器稳定工作时,振荡管工作在非线性状态,通常是依靠晶体管本身的非线性实现稳幅。若选择晶体管进入饱和区来实现稳幅,则将使振荡回路的等效Q值降低,输出波形变差,频率稳定度降低。因此,一般在小功率振荡器中总是使静态工作点远离饱和区,靠近截止区。
(2)振荡频率f的计算
在这里插入图片描述

式中CT为C1、C2和C3的串联值,因C1(300p)>>C3(75p),C2(1000P)>>C3(75p),故CT≈C3,所以,振荡频率主要由L、C和C3决定。
(3) 反馈系数F的选择
在这里插入图片描述
反馈系数F不宜过大或过小,一般经验数据,本实验取

4.克拉泼和西勒振荡电路

图2-3为串联改进型电容三点式振荡电路——克拉泼振荡电路。
图2-4为并联改进型电容三点式振荡电路——西勒振荡电路。
在这里插入图片描述在这里插入图片描述

		图2-3 克拉泼振荡电路                    图2-4 西勒振荡电路

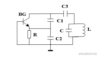
三.石英晶体振荡器

LC 振荡器的频率稳定度主要取决于振荡回路的标准型和品质因素(值),在采取了稳频措施后,频率稳定度一般只能达到10-4数量级。为了得到更高的频率稳定度,人们发明了一种采用石英晶体做的振荡器(又称石英晶体振荡器),它的频率稳定度可达到数量级。石英晶体振荡器之所以具有极高的频率稳定度,关键是采用了石英晶体这种具有高值的谐振元件。
图2-5是一种晶体振荡器的交流等效电路图。这种电路很类似于电容三点式振荡器,区别仅在于两个分压电容的抽头是经过石英谐振器接到晶体管发射极的,由此构成正反馈通路。与并联,再与串联,然后与组成并联谐振回路,调谐在振荡频率。当振荡频率等于石英谐振器的串联谐振频率时,晶体呈现纯电阻,阻抗最小,正反馈最强,相移为零,满足相位条件。因此振荡器的频率稳定度主要由石英谐振器来决定。在其它频率,不能满足振荡条件。
在这里插入图片描述

			图2-5 晶体振荡器交流通路

2-2 正弦波振荡器的实验电路

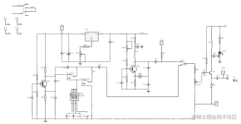
图2-6为电容三点式LC振荡器和晶体振荡器实验电路。图中,左侧部分为LC振荡器,中间部分为晶体振荡器,右侧部分为射极跟随器。
三极管3Q01为LC振荡器的振荡管,3R01、3R02和3R04为三极管3Q01的直流偏置电阻,以保证振荡管3Q01正常工作。图中开关3K05打到“S”位置时,为改进型克拉泼振荡电路,打到“”位置时,为改进型西勒振荡电路。四位拨动开关3SW01控制回路电容的变化,也即控制着振荡频率的变化。调整电位器3W01可改变振荡器三极管3Q01的电源电压。
图中3Q03为晶体振荡器振荡管,3W03、3R10、3R11和3R13为三极管3Q03直流偏置电阻,以保证3Q03正常工作,调整3W03可以改变3Q03的静态工作点。图中3R12、3C20为去藕元件,3C21 为旁路电容,并构成共基接法。3L03、3C18、3C19构成振荡回路,其谐振频率应与晶体频率基本一致。3C17为输出耦合电容。3TP03为晶体振荡器测试点。该晶体振荡器的交流电路与图2-5基本相同。
晶体振荡器输出与LC 振荡器输出由3K01来控制,开关与上方接通时,为晶振输出,与下方接通时,为LC振荡器输出。三极管3Q02为射极跟随器,以提高带负载的能力。电位器3W02用来调整振荡器输出幅度。3TP02为输出测量点,3P02为振荡器输出铆孔。

在这里插入图片描述

			图2-6  LC振荡器和晶体振荡器实验电路

2-3 正弦波振荡器实验目的、内容和步骤

一.实验目的

1.掌握电容三点式LC振荡电路和晶体振荡器的基本工作原理,熟悉其各元件的功能;
2.掌握LC振荡器幅频特性的测量方法;
3.熟悉电源电压变化对振荡器振荡幅度和频率的影响;
4.了解静态工作点对晶体振荡器工作的影响,感受晶体振荡器频率稳定度高的 特点。

二.实验内容

1.用示波器观察LC振荡器和晶体振荡器输出波形,测量振荡器输出电压峰-峰值,并以频率计测量振荡频率;
2.测量LC振荡器的幅频特性;
3.测量电源电压变化对振荡器的影响;
4.观察并测量静态工作点变化对晶体振荡器工作的影响。

三.实验步骤

1.实验准备

插装好LC振荡器和晶体振荡器模块,接通实验箱电源,按下模块上电源开关,此时模块上电源指示灯点亮。

2.LC 振荡实验(为防止晶体振荡器对LC振荡器的影响,应使晶振停振,即将3W03顺时针调到底。)

(1)西勒振荡电路幅频特性的测量
3K01拨至LC振荡器,示波器接3TP02,频率计接振荡器输出口3P02。调整电位器3W02,使输出最大。开关3K05拨至“P”,此时振荡电路为西勒电路。四位拨动开关3SW01分别控制3C06(10P)、3C07(50P)、3C08(100P)、3C09(200P)是否接入电路,开关往上拨为接通,往下拨为断开。四个开关接通的不同组合,可以控制电容的变化。例如开关“1”、“2”往上拨,其接入电路的电容为10P+50P=60P。按照表2-1电容的变化测出与电容相对应的振荡频率和输出电压(峰-峰值VP-P),并将测量结果记于表中。

在这里插入图片描述

				表2-1  西勒振荡电路幅频特性的测量

在这里插入图片描述

				表2-1  克拉泼振荡电路幅频特性的测量

根据所测数据,分析振荡频率与电容变化有何关系,输出幅度与振荡频率有何关系,并画出振荡频率与输出幅度的关系曲线。
注:如果在开关转换过程中使振荡器停振无输出,可调整3W01,使之恢复振荡。
(2)克拉泼振荡电路幅频特性的测量
将开关3K05拨至“S”,振荡电路转换为克拉泼电路。按照上述(1)的方法,测出振荡频率和输出电压,并将测量结果记于表2-1中。
根据所测数据,分析振荡频率与电容变化有何关系,输出幅度与振荡频率有何关系,并画出振荡频率与输出幅度的关系曲线。
(3)测量电源电压变化对振荡器频率的影响
分别将开关3K05打至(S)和(P)位置,改变电源电压EC,测出不同EC下的振荡频率。并将测量结果记于表2-2中。
其方法是:频率计接振荡器输出3P01,调整电位器3W02使输出最大,用示波器监测,测好后去掉。选定回路电容为100P。即3SW01“3”往上拨。用三用表直流电压档测3TP01测量点电压,按照表2-2给出的电压值Ec,调整3W01电位器,分别测出与电压相对应的频率。表中△f为改变Ec时振荡频率的偏移,假定Ec=10.5V时 ,△f=0,则△f=f-f10.5V。
在这里插入图片描述

							表2-2

根据所测数据,分析电源电压变化,对振荡频率有何影响。

3.晶体振荡器实验

(1)3K01拨至“晶体振荡器”,将示波器探头接到3TP02端,观察晶体振荡器波形,如果没有波形,应调整3W03电位器。然后用频率计测量其输出端频率,看是否与晶体频率一致。
(2)示波器接3TP02端,频率计接3P02输出铆孔,调节3W03以改变晶体管静态工作点,观察振荡波形及振荡频率有无变化。

4.实验报告要求

(1)根据测试数据,分别绘制西勒振荡器,克拉泼振荡器的幅频特性曲线,并进行分析比较;
(2)根据测试数据,计算频率稳定度,分别绘制克拉泼振荡器、西勒振荡器的
曲线;
(3)根据实验,分析静态工作点对晶体振荡器工作的影响;
(4)总结由本实验所获得的体会。

更多相关文章点这里哦

高频电子线路实验手册(全套实验报告册)

通信工程(信息类,电子类,电气工程,自动化,计算机,软件工程,机电,等相关专业)全套学习指导