实验四 负反馈放大电路

821 阅读4分钟

本文已参与「新人创作礼」活动,一起开启掘金创作之路。

目录

一、实验目的

1.研究负反馈对放大电路性能的影响。
2.掌握负反馈放大电路性能的测试方法。

二、实验仪器

1.双踪示波器。   
2.音频信号发生器。
3.数字万用表。

三、预习要求

1.认真阅读实验内容要求,估计待测量内容的变化趋势。
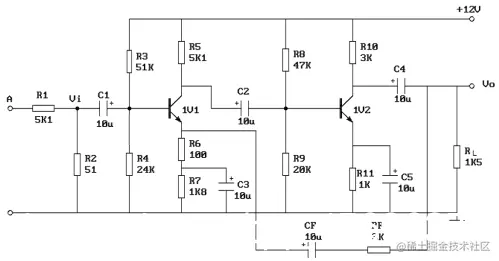
2.设图3.1电路晶体管β值为40,计算该放大电路开环和闭环电压放大倍数。

此电路为电压串联负反馈,负反馈会减小放大倍数,会稳定放大倍数,会改变输入输出电阻,展宽频带,减小非线性失真。而电压串联负反馈会增大输入电阻,减小输出电阻。公式如下:
在这里插入图片描述
在这里插入图片描述

分析图3.1,与两级分压偏置电路相比,增加了R6, R6引入电压交直流负反馈,从而加大了输入电阻,减小了放大倍数。此外R6与RF、 CF形成了负反馈回路,从电路上分析,
在这里插入图片描述

四、实验内容

1.负反馈放大电路开环和闭环放大倍数的测试

(1)开环电路

①按图接线,RF先不接入。
②输入端接入Vi=lmV f=lKHz的正弦波(注意:输入lmV信号采用输入端衰减法见实验一)。调整接线和参数使输出不失真且无振荡(参考实验二方法)。
③按表3.1要求进行测量并填表。
④根据实测值计算开环放大倍数和输出电阻r0。
在这里插入图片描述

					图 3.1反馈放大电路

(2).闭环电路

①接通RF和CF ,按(一)的要求调整电路。
②按表3.1要求测量并填表,计算Avf。
③根据实测结果,验证Avf≈在这里插入图片描述
分析开环时的交流等效电路,有公式如下:在这里插入图片描述
在这里插入图片描述
在这里插入图片描述在这里插入图片描述
在这里插入图片描述

测量开环各项参数: (不加RL)
IB(µA)	IC(mA)	β	rbe(Ω)1V1	46.0	1.24	27	7861V2	40.4	2.30	57	849
在这里插入图片描述,在这里插入图片描述
计算得:在这里插入图片描述

								表3.1

在这里插入图片描述

注:闭环时为方便观察,可适当加大输入幅值。
由公式在这里插入图片描述计算:RO=2.83KΩ, ROf=83.3Ω。
将A与Af比较:不加RL时,A=1040, Af=28.5,代入在这里插入图片描述
,得F=0.034;加RL时,A=360, Af=27,代入在这里插入图片描述,得F=0.034,基本与理论值一致。
理论值RO=3KΩ, 在这里插入图片描述(取理论值A=1020,F=0.323)基本相符。

2.负反馈对失真的改善作用

(1)将图3.1电路开环,逐步加大Vi的幅度,使输出信号出现失真(注意不要过份失真)记录失真波形幅度。
(2)将电路闭环,观察输出情况,并适当增加Vi幅度,使输出幅度接近开环时失真波形幅度。
闭环后,引入负反馈,减小失真度,改善波形失真。
(3)若RF=3K不变,但RF接入1V1的基极,会出现什么情况?实验验证之。
引入正反馈,产生大约7赫兹的震荡波形。
(4)画出上述各步实验的波形图。

3.测放大电路频率特性

(1)将图3.1电路先开环,选择Vi适当幅度,保持不变并调节频率使输出信号在示波器上有最大显示。
(2)保持输入信号幅度不变逐步增加频率,直到波形减小为原来的70%,此时信号频率即为放大电路fH。
(3)条件同上,但逐渐减小频率,测得fL。
(4)将电路闭环,重复1~3步骤,并将结果填入表3.2。
当频率f在4KHz-10KHz间,输出信号最大(无论开环、闭环),应以此为最大值进行测量。测出的fHf和fH相比,基本符合公式,但fLf和fL相比相差较大,估计是必须考虑三极管的低频特性和几个大电容的影响。

					表3.2

在这里插入图片描述

五、实验报告:

1.将实验值与理论值比较,分析误差原因。
由于实际使用中的器件的性质参数,会随着制造工艺、使用环境等发生变化。

比如电阻,在温度发生变化时其阻值也会发生微小变化,在环境湿度较大的地方使用某些高阻值的电阻也会引起阻值与设计初衷不符合。另外电阻在生产过程中是有一定误差的,比如常用的就是5%误差系列。

还有其他引起误差的原因,比如引入误差(测量仪器接入电路引起的)、测量仪器本身误差、人为读数误差等等。
2.根据实验内容总结负反馈对放大电路的影响。
负反馈可大大提高放大器的放大质量,反馈越深,改善的程度也愈大,但过深的负反馈又可能引起放大器不能正常工作而导致自激,因而一个稳定的负反馈放大器通常不超过三级。

六、仿真图:

在这里插入图片描述