实验八 集成稳压器

522 阅读5分钟

本文已参与「新人创作礼」活动,一起开启掘金创作之路。

目录

一、实验目的

1.了解集成稳压电路的特性和使用方法。
2.掌握直流稳压电源主要参数测试方法。

二、实验仪器

1.示波器
2.数字万用表

三、预习要求

1.复习教材直流稳压电源部分关于电源主要参数及测试方法。
2.查阅手册,了解本实验使用稳压器的技术参数。
3.计算图15.5电路中lRP的值。估算图15.3电路输出电压范围。	
4.拟定实验步骤及记录表格。

集成负反馈串联稳压电路,稳压基本要求在这里插入图片描述 。主要分为三个系列:固定正电压输出的78系列、固定负电压输出的79系列、可调三端稳压器X17系列。78系列中输出电压有5伏、6伏、9伏等等,由输出最大电流分类有1.5A型号的78XX(XX为其输出电压)、0.5A型号的78MXX、0.1A型号的78LXX三档。79系列中输出电压有-5伏、-6伏、-9伏等等,同样由输出最大电流分为三档,标识方法一样。可调式三端稳压器由工作环境温度要求不同分为三种型号,能工作在-55到150摄氏度的为117,能工作在-25到150摄氏度的为217,能工作在0到150摄氏度的为317,同样根据输出最大电流不同分为X17、X17M、X17L三档。其输入输出电压差要求在3伏以上, 在这里插入图片描述

四、实验内容

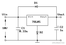
1.稳压器的测试,实验电路如图15.1所示

在这里插入图片描述

		图15.1  三端稳压器参数测试

以上为集成稳压电路的标准电路,其中二极管D是于保护,防止输入端突然短路时电流倒灌损坏稳压块。两个电容用于抑制纹波与高频噪声。
测试内容:
(1)稳定输出电压。
(2)稳压系数Sr。 空载时:Sr=0。
Vi(V)	10	11	12	9	8VO(V)	5.16	5.16	5.16	5.16	5.16

(3)输出电阻rO。 取Vi=10V,计算得rO=0.2Ω。
IL(mA)	32.4	50.8	99.5VO(V)	5.16	5.16	5.15

(4)电压纹波(有效值或峰值)。 IL=50mA下观察,纹波峰值在1mV以下。

2.稳压电路性能测试

仍用图15.1的电路,测试直流稳压电源性能
(1)保持稳定输出电压的最小输入电压。
空载时,Vimin=5.9V;负载电流IL=50mA时,Vimin=6.5V。
(2)输出电流最大值及过流保护性能。
当 Vi=10V时,IOmax约为0.3A,当输出电流超过0.3A后,输出电压迅速降低形成保护。

* 3.三端稳压电路灵活应用(选做)

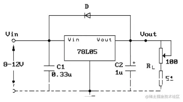
(1)改变输出电压
实验电路如图15.2、15.3所示。
在这里插入图片描述

				图15.2

在这里插入图片描述

				图15.3

按图接线,测量上述电路输出电压及变化范围。
分析电路,结论如下:
图15.2,
在这里插入图片描述

图15.3,在这里插入图片描述,调节电位器可以使三极管处于不同状态(截止、线性、饱和),从而改变C、E极间电压,改变输出电压。
实验结果:图15.2:VO=5.80V。图15.3:Vi=10V时,VO=5.23—8.30V;Vi=12V时,VO=5.23—10.44V。

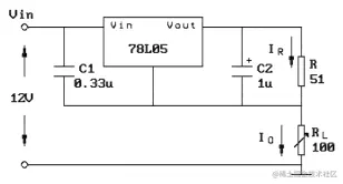
(2)组成恒流源
实验电路如图15.4所示。
在这里插入图片描述

				图15.4

按图接线,并测试电路恒流作用。
电路可根据实验箱作适当修改,C1、C2可直接接地,R可改为150Ω,RL可改为330Ω电位器。 在这里插入图片描述 ,其中在这里插入图片描述是指从集成芯片
中间脚流出的电流,其数值较小一般在5mA以下,因此输出电流近似恒流。但恒流的前提必须保证稳压管正常工作条件即输入电压比输出电压高2V以上,所以当RL增大使输出电压增大到一定值,就无法保证稳压条件,失去恒流作用。
实验中选R=150Ω、RL=330Ω电位器,结果如下:

RL(Ω)	IR(mA)	IO(mA)	VR(V)	VO(V)0	33.7	38.2	5.16	5.1650.4	33.7	38.0	5.16	7.09100.8	33.7	37.9	5.16	8.96151.6	33.4	36.2	5.06	10.55166	31.8	34.5	4.81	10.5850	33.4	37.6	5.0	6.85100	33.3	37.6	5.0	8.57

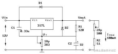
(3)可调稳压电路
①实验电路如图15.5所示,LM317L最大输入电压40V,输出1.25V~37V可调最大输出电流lOOmA。(本实验只加15V输入电压)
在这里插入图片描述

				图15.5

分析电路:上图输入电压改为15V,负载也可改为150Ω电阻和330Ω电位器,电路中D1、D2均为保护用二极管。由于317中间脚流出的电流很小,忽略不计情况下,输出电压在这里插入图片描述,所以改变电位器可改变输出电压。稳压条件是输入电压比输出电压高2伏,在此条件下,输出电压与电位器阻值近似成正比例关系。
②按图接线,并测试:
I.电压输出范围。
Ⅱ.按实验内容1测试各项指标。测试时将输出电压调到合适电压。
实验结果:Vi=15V时,VO=1.37—13。53V。
不加输出电阻时,测量稳压系数Sr=0。

Vi(V)	15	14	13	16	17Vout(V)	9.95	9.95	9.95	9.95	9.95

在Vout=10V时测量输出电阻:
IL(mA)	VO(V)	rO(Ω)20.9	10.01	1.0340.1	9.99	1.0459.4	9.97	1.02

输出电压纹波峰峰值约为3毫伏。

五、实验报告

1.整理实验报告,计算内容l的各项参数。
2.画出实验内容2的输出保护特性曲线。
3.总结本实验所用两种三端稳压器的应用方法。

六、仿真图

图 1 图15.1 三端稳压器参数测试仿真图

在这里插入图片描述

图 2 图15.2仿真图

在这里插入图片描述

图 3 图15.3仿真图

在这里插入图片描述

图 4 图15.4仿真图

在这里插入图片描述

图 5 图15.5仿真图

在这里插入图片描述