实验六 有源滤波器

587 阅读3分钟

本文已参与「新人创作礼」活动,一起开启掘金创作之路。

实验六 有源滤波器

一、实验目的

 1.熟悉有源滤波电路构成及其特性。
 2.学会测量有源滤波电路幅频特性。

二、仪器及设备

   1.示波器    
   2.信号发生器

三、预习要求

1.预习教材有关滤波电路内容。
2.分析图9.1,图9.2,图9.3所示电路。写出它们的增益特性表达式。
3.计算图9.1,图9.2电路的截止频率,图9.3电路的中心频率。

画出三个电路的幅频特性曲线。

滤波器的是具有让特定频率段的正弦信号通过而抑制衰减其他频率信号功能的双端口网络,常用RC元件构成无源滤波器,也可加入运放单元构成有源滤波器。无源滤波器结构简单、可通过大电流,但易受负载影响、对通带信号有一定衰减,因此在信号处理时多使用有源滤波器。根据幅频特性所表示的通过和阻止信号频率范围的不同,滤波器共分为低通滤波器、高通滤波器、带通滤波器、带阻滤波器、全通滤波器五种。

四、实验内容

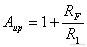
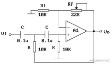
l.低通滤波电路

实验电路如图9.1所示。其中:反馈电阻RF选用22K电位器,5K7为设定值(注:RF换成10K电位器)。 在这里插入图片描述

				图9.1  低通滤波电路

按表9.1内容测量并记录。
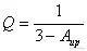
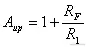
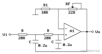
图9.1是二阶有源低通滤波器,由拉普拉斯变换分析可得:
在这里插入图片描述
取:
在这里插入图片描述在这里插入图片描述在这里插入图片描述
截止频率:
在这里插入图片描述

在这里插入图片描述

												表9.1

在这里插入图片描述

2.高通滤波电路

实验电路如图9.2所示:(注:RF换成10K电位器)
在这里插入图片描述

	图9.2  高通滤波电路

设定RF为5.7KΩ,按表9.2内容测量并记录
图9.2是二阶有源高通滤波器,由拉普拉斯变换分析可得:
在这里插入图片描述

在这里插入图片描述在这里插入图片描述在这里插入图片描述在这里插入图片描述
则:
在这里插入图片描述

											表9.2

Vi(V)	1	1	1	1	1	1	1	1	1	1f(Hz)	10	20	30	50	100	130	160	200	300	400V0(V)	7mV	30mV	64mV	0.170	0.60	0.92	1.18	1.38	1.51	1.55

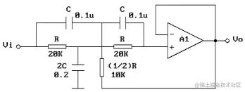
3.带阻滤波电路

实验电路如图9.3所示
在这里插入图片描述

			图9.3  带阻滤波电路

(1)实测电路中心频率。

(2)以实测中心频率为中心,测出电路幅频特性。

图9.3是二阶有源带阻滤波器,由拉普拉斯变换分析可得:
在这里插入图片描述

在这里插入图片描述在这里插入图片描述在这里插入图片描述,在这里插入图片描述
则:
在这里插入图片描述
中心频率为:
在这里插入图片描述
通带截止频率为
在这里插入图片描述在这里插入图片描述,
由此计算得中心频率
在这里插入图片描述

												表9.3

Vi(V)	1	1	1	1	1	1	1	1	1	1f(Hz)	5	10	20	30	50	60	70	80	90	100V0(V)	1.0	0.98	0.9	0.76	0.44	0.27	0.118	20mV	0.14	0.245Vi(V)	1	1	1	1	1	1	1	1	1	1f(Hz)	130	160	200	300	400	430	460	490	550	580V0(V)	0.47	0.62	0.74	0.86	0.91	0.93	0.95	0.97	0.99	0.99

实际观测得中心频率约为78.4赫兹。

五、实验报告

1.整理实验数据,画出各电路曲线,并与计算值对比分析误差。
2.如何组成带通滤波电路?试设计一中心频率为300Hz,带宽200Hz的带通滤波电路。

六,仿真图:

图 1 低通滤波器仿真图

在这里插入图片描述

图 2 高通滤波器仿真图

在这里插入图片描述

图 3 带阻滤波电路仿真图

在这里插入图片描述