实验五 集成运放组成的基本运算电路

1,038 阅读4分钟

本文已参与「新人创作礼」活动,一起开启掘金创作之路。

实验五 集成运放组成的基本运算电路

一、实验目的

1.掌握用集成运算放大电路组成比例、求和电路的特点及性能。
2.学会上述电路的测试和分析方法。

二、实验仪器

1.数字万用表
2.示波器
3.信号发生器

三、预习要求

1.计算表7.1中的VO和Af
2.估算表7.3的理论值
3.估算表7.4、表7.5中的理论值
4.计算表7.6中的VO值
5.计算表7.7中的VO值

集成运放的输出端与自身的反向输入端通过电路联接,组成负反馈电路。由于运放的电压增益大约在100000以上,所以处于深度负反馈状态,这种情况下运放主要工作于线性放大区,因而有“虚断”、“虚短”。在这里插入图片描述

四、实验内容

1.电压跟随电路

实验电路如图7.1所示。按表7.1内容实验并测量记录。
在这里插入图片描述

									 	**图7.1  电压跟随电路**

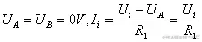
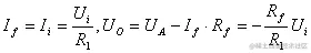
电压串联负反馈,根据“虚短”有在这里插入图片描述

												表7.1

在这里插入图片描述

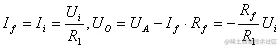
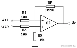
2.反相比例放大器

实验电路如图7.2所示。在这里插入图片描述

											图7.2  反相比例放大电路

电压并联负反馈,由“虚短”有在这里插入图片描述
在这里插入图片描述

“虚断”有在这里插入图片描述
在这里插入图片描述

(1)按表7.2内容实验并测量记录。

												表7.2

在这里插入图片描述

(2)按表7.3要求实验并测量记录。

												表7.3

在这里插入图片描述

(3)测量图7.2电路的上限截止频率。

3.同相比例放大电路

 电路如图7.3所示

(1)按表7.4和7.5实验测量并记录。

电压串联负反馈:“虚断”有在这里插入图片描述
,“虚短”有在这里插入图片描述
在这里插入图片描述
在这里插入图片描述

											图7.3  同相比例放大电路

													表7.4

在这里插入图片描述
表7.5
在这里插入图片描述

(2)测出电路的上限截止频率

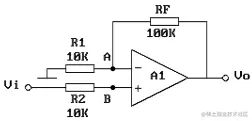
4.反相求和放大电路。

实验电路如图7.4所示。按表7.6内容进行实验测量,并与预习计算比较。

在这里插入图片描述

										图7.4  反相求和放大电路

以上电路有错误,应为100K。电压并联负反馈,分析方法与图7.2一样:在这里插入图片描述

													表7.6

在这里插入图片描述

5.双端输入求和放大电路

实验电路为图7.5所示。在这里插入图片描述

											图7.5  双端输入求和电路

以上电路有错误,应为100K。减法电路,电压串并联反馈电路,在这里插入图片描述

													表7.7

在这里插入图片描述

按表7.7要求实验并测量记录。

五、实验报告

1.总结本实验中5种运算电路的特点及性能。

2.分析理论计算与实验结果误差的原因。

本次实验中学习了很多新的知识,理论课_上关于运放的内容较为抽象,为何要采取不同的输入方式一度给我造成了困扰,本次实验后为了解释相关的现象我也翻看了很多资料,对运放的应用有了更多的了解。另一方面体会到了仿真的便捷性,例如测量同比例运算电压传输特性时,在实验室中要进行直流扫描,需要通过降低交流信号频率,再试探性设置正弦波形幅值来扫描,但仿真则可以方便地使用参数扫描来得到电路的性能分析图。思考题又再-次让我体会到了运放引入负反馈的重要意义,增强了我的实验查错能力。

仿真图:

在这里插入图片描述

										图 1电压跟随电路仿真图

在这里插入图片描述

										图 2反向比例放大电路仿真图

在这里插入图片描述

										图 3反向求和放大电路仿真图

										图 4双端输入求和电路仿真图