4 月更文挑战第4天 | 基于java的校园报刊亭的开发04

96 阅读2分钟

一起养成写作习惯!这是我参与「掘金日新计划 · 4 月更文挑战」的第4天,点击查看活动详情

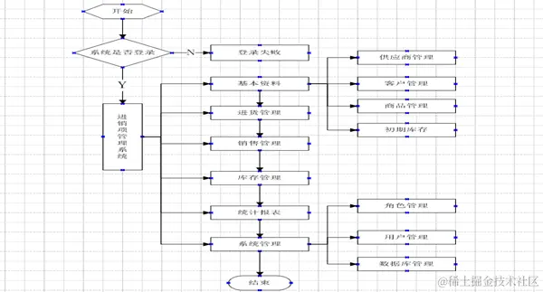
校园报刊亭进销存管理系统(以广东科技学院为例),通过登录,验证不同用户的登录,根据不同用户具有不同权限而进入系统,而不同的用户具有的权限可以在系统管理中进行设置。进入系统后可以对进货管理、销售管理、库存管理、统计报表、基本资料和系统管理等这些模块进行操作。根据系统分析的结果,按照结构化的系统设计方法,整个报刊亭进销存管理系统的功能结构图(SC 图)如图所示。

image.png

整体架构的说明:

校园报刊亭进销存管理采用 MVC 设计模式,将数据、业务逻辑、用户界面分开。M(Model 模型),模型是负责在数据库中存取校园报刊亭管理系统中所有实体对象,并且在系统通过业务逻辑的处理以后,将数据存入对象中。V(View 视图),视图系统中负责处理数据显示的部分,在校园报刊亭管理系统中有三部分主要视图,分别是后端管理员页面、入库员端页面、销售员端页面,系统中的所有页面都可以单独构建,再与后端交互显示数据。C(Controller 控制器),控制器是系统中处理用户交互的部分,通过逻辑判断,跳转到业务逻辑层作业务逻辑处理,主要体现在实现用户拥有各自的权限进行登录,入库员的进货管理,销售员的销售管理等功能。

用户权限访问:

不同的用户通过自己的用户名,密码登录进入系统后并访问属于自己的权限功能,在属于自己的页面可以看到自己能操作的功能信息,以及说明。然后每个用户都可以查看当前的库存信息方便自己决定是否操作属于自己的功能。选课流程如图所示。

image.png

系统管理员管理整个系统进销存:

系统管理员登录进入系统以后,在管理端可以看到当前库存的库存、销售情况,包含商品的信息以及可以根据商品的编号或者名称进行批量次查询。管理员拥有全部的权限,可以实现对商品的采购、库存、销售等所有业务环节都采用科信息化管理。选课流程如图所示。

image.png