3.3V单片机与5V器件通信解决方案(串口、IIC、SPI)

505 阅读2分钟

本文已参与「新人创作礼」活动,一起开启掘金创作之路。

一、芯片

采用TXS0104E 四路双向电平转换器

二、特性

  • 无需方向控制信号

  • 最大数据传输速率:推挽输出-24M bps

                        开漏输出-2M bps

  • A端口:1.65V-3.6V;B端口:2.3V-5.5V.(VCCAV_{CCA} \leq VCCBV_{CCB}) 三、描述

  • 该型四路同相转换器使用两路隔离可配置电源供电轨道。A端口被设计为跟踪VCCAV_{CCA},可以是1.65V到3.6V之间的任何电压。VCCAV_{CCA}必须小于等于VCCBV_{CCB}。B端口被设计为跟踪VCCBV_{CCB},可以是2.3V到5.5V之间的任何电压。允许在1.8V、2.5V、3.3V和5V电平节点之间的双向转换。

  • 当输出使能(OE)为低电平时,所有的输出引脚被置为高阻态状态。当OE脚被置为高,芯片变为可操作状态。

  • TXS0104E的OE引脚由VCCAV_{CCA}供电。

  • 为保证在上电或掉电时的高阻态状态,OE应该经下拉电阻连接到GND。这个下拉电阻的最小值由驱动器的电流源能力决定。 四、引脚配置和功能

20200721231707244.png

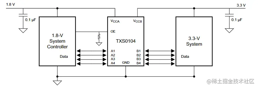
五、详细描述 TXS0104E是无方向逻辑电压电平转换器,不需要方向控制信号去决定信号的传输方向;AB端口内部均集成10k\Omega 上拉电阻,分别连接到VCCAV_{CCA}VCCBV_{CCB}无需外部上拉电阻,当然在需要时可以外部并联上拉电阻以减小阻值; 六、应用与实施 TXS0104E可以应用在电平转换的接口设备或者或者不同工作电压的系统间。该芯片既可以用在推挽输出的数据传输,也可以用在开漏输出的数据传输,但是TXB0104在推挽输出的上有更好的表现。

典型应用:

20200725181341139.png PCB布局

20200725181510158.png

七、补充

TI官方英文TXS0104E数据手册