字扩展,位扩展和字位扩展

1,211 阅读1分钟

本文已参与「新人创作礼」活动,一起开启掘金创作之路。

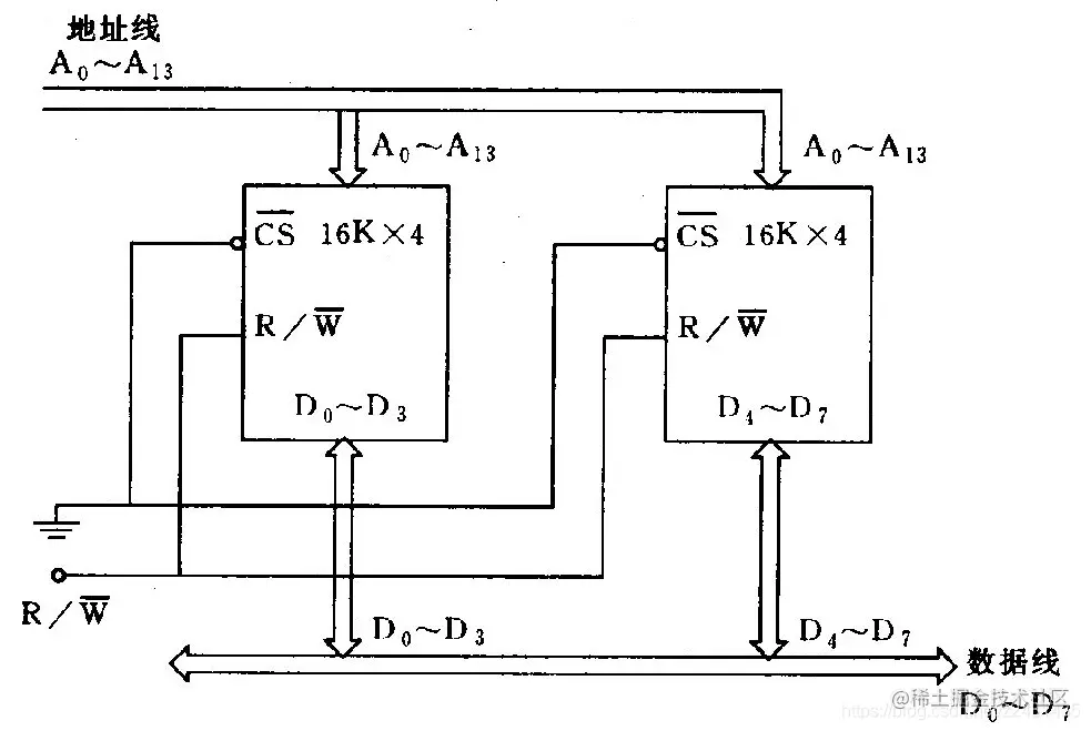
位扩展

位扩展指的是用多个存储器器件对字长进行扩充,指的是用多个存储器器件对字长进行扩充,如用2个16KX4位芯片组成16KX8位的存储器。 位扩展的连接方式是将多片存储器的地址、片选CS、读写控制端R/W相应并联,数据端分别引出。

在这里插入图片描述

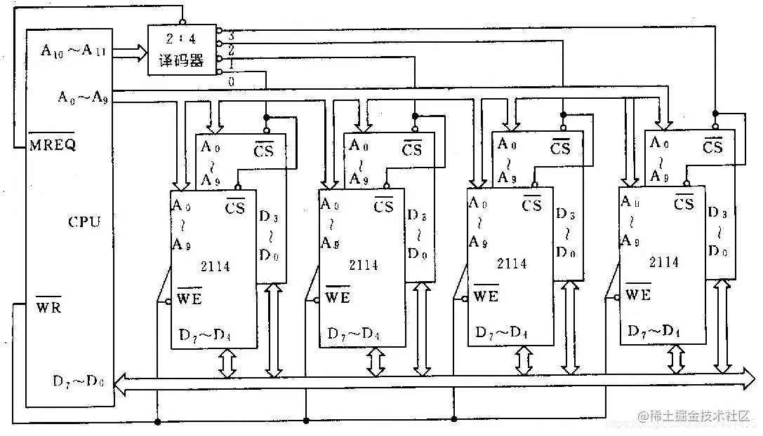
字扩展

字扩展指的是增加存储器中字的数量。如用4个16KX8位芯片组成64KX8位存储器。 静态存储器进行字扩展时,将各芯片的地址线、数据线、读写控制线相应并联,而由片选信号来区分各芯片的地址范围。 连接方式:数据线D0~D7与各片的数据端相连,地址总线低位地址A0~A13与各芯片的14位地址端相连,而两位高位地址A14、A15经过译码器和4个片选端相连。

在这里插入图片描述

动态存储器与静态存储器不同,一般不设置CS端,但可用RAS端来扩展字数。 只有当RAS由“1”变“0”时,才会激发出行时钟,存储器才会工作。

字位扩展

一个存储器的容量为MXN位,若使用LXK位存储器芯片,那么,这个存储器共需要(M/L)X(N/K)个存储器芯片。

在这里插入图片描述