VK36N4B 4键抗电源干扰及手机干扰触摸IC,BCD码输出低待机电流和自动校准功能

173 阅读8分钟

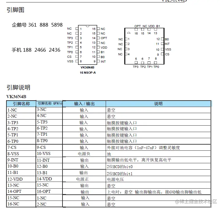
产品型号:VK36N4B

产品品牌:VINKA/永嘉微电

封装形式:SOP16/QFN16L

产品年份:新年份

概述

VK36N4B具有4个触摸按键,可用来检测外部触摸按键上人手的触摸动作。该芯片具有较高的集成度,仅需极少的外部组件便可实现触摸按键的检测。提供了BCD输出功能,可方便与外部 MCU 之间的通讯,实现设备安装及触摸引脚监测目的。芯片内部采用特殊的集成电路,具有高电源电压抑制比,可减少按键检测错误的发生,此特性保证在不利环境条件的应用中芯片仍具有很高的可靠性。此触摸芯片具有自动校准功能,低待机电流,抗电压波动等特性,为各种触摸按键的应用提供了一种简单而又有效的实现方法。

image.png

特性

• 工作电压:2.2V~5.5V

• 低待机电流10uA/3V

• 低压重置(LVR)电压2.0V

• 4S自动校准功能

• 可靠的触摸按键检测

• 无键按下4S进入待机模式

• 防呆功能长按10S复位

• 具备抗电压波动功能

• 2位BCD输出+INT中断脚

• 上电时OPT脚选择输出高有效还是低有效

• 专用管脚外接电容(1nF-47nF)调整灵敏度

• 极少的外围组件

VK36N4B电气特性.png

VK36N4B应用电路.png 应用领域

• 大.小家电类应用

• 仪器.仪表类应用 MTP触摸IC——VK36N系列抗电源辐射及手机干扰:
VK3601L  --- 工作电压/电流:2.4V-5.5V/4UA-3V3  感应通道数:1  1对1直接输出
待机电流小,抗电源及手机干扰,可通过CAP调节灵敏  封装:SOT23-6
VK36N1D --- 工作电压/电流:2.2V-5.5V/7UA-3V3  感应通道数:1  1对1直接输出
触摸积水仍可操作,抗电源及手机干扰,可通过CAP调节灵敏封装:SOT23-6
VK36N2P --- 工作电压/电流:2.2V-5.5V/7UA-3V3  感应通道数:2    脉冲输出
触摸积水仍可操作,抗电源及手机干扰,可通过CAP调节灵敏封装:SOT23-6
VK3602XS ---工作电压/电流:2.4V-5.5V/60UA-3V  感应通道数:2  2对2锁存输出
低功耗模式电流8uA-3V,抗电源辐射干扰,宽供电电压   封装:SOP8
VK3602K --- 工作电压/电流:2.4V-5.5V/60UA-3V   感应通道数:2   2对2直接输出
低功耗模式电流8uA-3V,抗电源辐射干扰,宽供电电压   封装:SOP8
VK36N2D --- 工作电压/电流:2.2V-5.5V/7UA-3V3  感应通道数:2   1对1直接输出
触摸积水仍可操作,抗电源及手机干扰,可通过CAP调节灵敏封装:SOP8
VK36N3BT ---工作电压/电流:2.2V-5.5V/7UA-3V3  感应通道数:3  BCD码锁存输出
触摸积水仍可操作,抗电源及手机干扰,可通过CAP调节灵敏  封装:SOP8
VK36N3BD ---工作电压/电流:2.2V-5.5V/7UA-3V3  感应通道数:3  BCD码直接输出
触摸积水仍可操作,抗电源及手机干扰,可通过CAP调节灵敏  封装:SOP8
VK36N3BO ---工作电压/电流:2.2V-5.5V/7UA-3V3  感应通道数:3  BCD码开漏输出
触摸积水仍可操作,抗电源及手机干扰  封装:SOP8/DFN8(超小超薄体积)
VK36N3D --- 工作电压/电流:2.2V-5.5V/7UA-3V3  感应通道数:3  1对1直接输出
触摸积水仍可操作,抗电源及手机干扰  封装:SOP16/DFN16(超小超薄体积)

VK36N4B ---工作电压/电流:2.2V-5.5V/7UA-3V3   感应通道数:4    BCD输出
触摸积水仍可操作,抗电源及手机干扰  封装:SOP16/DFN16(超小超薄体积)
VK36N4I---工作电压/电流:2.2V-5.5V/7UA-3V3   感应通道数:4    I2C输出
触摸积水仍可操作,抗电源及手机干扰  封装:SOP16/DFN16(超小超薄体积)
VK36N5D ---工作电压/电流:2.2V-5.5V/7UA-3V3   感应通道数:5   1对1直接输出
触摸积水仍可操作,抗电源及手机干扰  封装:SOP16/DFN16(超小超薄体积)
VK36N5B ---工作电压/电流:2.2V-5.5V/7UA-3V3   感应通道数:5    BCD输出
触摸积水仍可操作,抗电源及手机干扰  封装:SOP16/DFN16(超小超薄体积)

VK36N5I ---工作电压/电流:2.2V-5.5V/7UA-3V3   感应通道数:5    I2C输出
触摸积水仍可操作,抗电源及手机干扰  封装:SOP16/DFN16(超小超薄体积)

VK36N6D --- 工作电压/电流:2.2V-5.5V/7UA-3V3   感应通道数:6   1对1直接输出
触摸积水仍可操作,抗电源及手机干扰  封装:SOP16/DFN16(超小超薄体积)
VK36N6B ---工作电压/电流:2.2V-5.5V/7UA-3V3   感应通道数:6    BCD输出
触摸积水仍可操作,抗电源及手机干扰  封装:SOP16/DFN16(超小超薄体积)

VK36N6I ---工作电压/电流:2.2V-5.5V/7UA-3V3   感应通道数:6    I2C输出
触摸积水仍可操作,抗电源及手机干扰  封装:SOP16/DFN16(超小超薄体积)
VK36N7B ---工作电压/电流:2.2V-5.5V/7UA-3V3   感应通道数:7    BCD输出
触摸积水仍可操作,抗电源及手机干扰  封装:SOP16/DFN16(超小超薄体积)
VK36N7I ---工作电压/电流:2.2V-5.5V/7UA-3V3   感应通道数:7    I2C输出
触摸积水仍可操作,抗电源及手机干扰  封装:SOP16/DFN16(超小超薄体积)
VK36N8B ---工作电压/电流:2.2V-5.5V/7UA-3V3   感应通道数:8    BCD输出
触摸积水仍可操作,抗电源及手机干扰  封装:SOP16/DFN16(超小超薄体积)
VK36N8I ---工作电压/电流:2.2V-5.5V/7UA-3V3   感应通道数:8    I2C输出
触摸积水仍可操作,抗电源及手机干扰  封装:SOP16/DFN16(超小超薄体积)
VK36N9I ---工作电压/电流:2.2V-5.5V/7UA-3V3   感应通道数:9    I2C输出
触摸积水仍可操作,抗电源及手机干扰  封装:SOP16/DFN16(超小超薄体积)
VK36N10I ---工作电压/电流:2.2V-5.5V/7UA-3V3   感应通道数:10    I2C输出
触摸积水仍可操作,抗电源及手机干扰  封装:SOP16/DFN16(超小超薄体积)

1-8点高灵敏度液体水位检测IC——VK36W系列
VK36W1D  ---工作电压/电流:2.2V-5.5V/10UA-3V3  1对1直接输出  水位检测通道:1
可用于不同壁厚和不同水质水位检测,抗电源/手机干扰封装:SOT23-6
备注:1. 开漏输出低电平有效  2、适合需要抗干扰性好的应用
VK36W2D  ---工作电压/电流:2.2V-5.5V/10UA-3V3  1对1直接输出  水位检测通道:2
可用于不同壁厚和不同水质水位检测,抗电源/手机干扰封装:SOP8
备注:1.  1对1直接输出   2、输出模式/输出电平可通过IO选择
VK36W4D  ---工作电压/电流:2.2V-5.5V/10UA-3V3  1对1直接输出  水位检测通道:4
可用于不同壁厚和不同水质水位检测,抗电源/手机干扰封装:SOP16/DFN16
备注:1.  1对1直接输出   2、输出模式/输出电平可通过IO选择
VK36W6D  ---工作电压/电流:2.2V-5.5V/10UA-3V3  1对1直接输出  水位检测通道:6
可用于不同壁厚和不同水质水位检测,抗电源/手机干扰封装:SOP16/DFN16
备注:1.  1对1直接输出    2、输出模式/输出电平可通过IO选择
VK36W8I  ---工作电压/电流:2.2V-5.5V/10UA-3V3  I2C输出    水位检测通道:8
​可用于不同壁厚和不同水质水位检测,抗电源/手机干扰封装:SOP16/DFN16
备注:1.  IIC+INT输出     2、输出模式/输出电平可通过IO选择
标准触控IC-电池供电系列:
VKD223EB --- 工作电压/电流:2.0V-5.5V/5uA-3V   感应通道数:1    通讯接口 
最长响应时间快速模式60mS,低功耗模式220ms    封装:SOT23-6
VKD223B ---  工作电压/电流:2.0V-5.5V/5uA-3V   感应通道数:1    通讯接口  
最长响应时间快速模式60mS,低功耗模式220ms    封装:SOT23-6
VKD233DB --- 工作电压/电流:2.4V-5.5V/2.5uA-3V  1感应按键  封装:SOT23-6  
通讯接口:直接输出,锁存(toggle)输出  低功耗模式电流2.5uA-3V
VKD233DH ---工作电压/电流:2.4V-5.5V/2.5uA-3V  1感应按键  封装:SOT23-6 
通讯接口:直接输出,锁存(toggle)输出  有效键最长时间检测16S
VKD233DS --- 工作电压/电流:2.4V-5.5V/2.5uA-3V  1感应按键  封装:DFN6(22超小封装)
通讯接口:直接输出,锁存(toggle)输出  低功耗模式电流2.5uA-3V
VKD233DR --- 工作电压/电流:2.4V-5.5V/1.5uA-3V  1感应按键  封装:DFN6(2
2超小封装)
通讯接口:直接输出,锁存(toggle)输出  低功耗模式电流1.5uA-3V
VKD233DG --- 工作电压/电流:2.4V-5.5V/2.5uA-3V  1感应按键  封装:DFN6(2*2超小封装)
通讯接口:直接输出,锁存(toggle)输出   低功耗模式电流2.5uA-3V 
VKD233DQ --- 工作电压/电流:2.4V-5.5V/5uA-3V  1感应按键  封装:SOT23-6
通讯接口:直接输出,锁存(toggle)输出    低功耗模式电流5uA-3V 
VKD233DM --- 工作电压/电流:2.4V-5.5V/5uA-3V  1感应按键  封装:SOT23-6 (开漏输出)
通讯接口:开漏输出,锁存(toggle)输出    低功耗模式电流5uA-3V 
VKD232C  --- 工作电压/电流:2.4V-5.5V/2.5uA-3V   感应通道数:2  封装:SOT23-6  
通讯接口:直接输出,低电平有效  固定为多键输出模式,內建稳压电路

注:具体参数以最新PDF为准,型号众多未能一一介绍,欢迎索取PDF/样品KPP333