Redis数据结构- Zset

169 阅读2分钟

zset底层存储结构

zset底层的存储结构包括ziplist或skiplist,在同时满足以下两个条件的时候使用ziplist,其他时候使用skiplist,两个条件如下:

  • 有序集合保存的元素数量小于128个
  • 有序集合保存的所有元素的长度小于64字节

 当ziplist作为zset的底层存储结构时候,每个集合元素使用两个紧挨在一起的压缩列表节点来保存,第一个节点保存元素的成员,第二个元素保存元素的分值。

 当skiplist作为zset的底层存储结构的时候,使用skiplist按序保存元素及分值,使用dict来保存元素和分值的映射关系。

ziplist数据结构

ziplist作为zset的存储结构时,格式如下图,细节就不多说了,我估计大家都看得懂,紧挨着的是元素memeber和分值socore,整体数据是有序格式。

img_35e5003069490c8148cfb5f5db99acb9.png

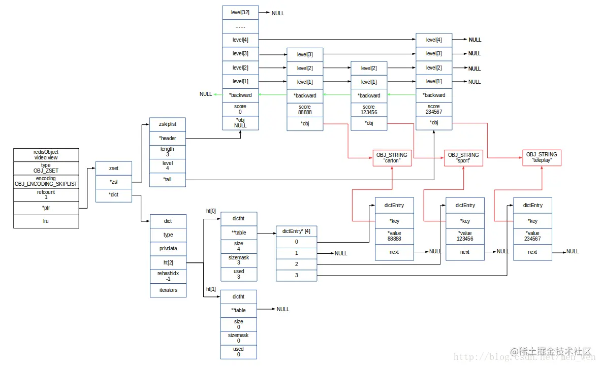
skiplist数据结构

skiplist作为zset的存储结构,整体存储结构如下图,核心点主要是包括一个dict对象和一个skiplist对象。dict保存key/value,key为元素,value为分值;skiplist保存的有序的元素列表,每个元素包括元素和分值。两种数据结构下的元素指向相同的位置。

img_5d1114e2e073517b3557367f72145522.png

skiplist的源码格式

zset包括dict和zskiplist两个数据结构,其中dict的保存key/value,便于通过key(元素)获取score(分值)。zskiplist保存有序的元素列表,便于执行range之类的命令。

/*
 * 有序集合
 */
typedef struct zset {

    // 字典,键为成员,值为分值
    // 用于支持 O(1) 复杂度的按成员取分值操作
    dict *dict;

    // 跳跃表,按分值排序成员
    // 用于支持平均复杂度为 O(log N) 的按分值定位成员操作
    // 以及范围操作
    zskiplist *zsl;

} zset;

zskiplist作为skiplist的数据结构,包括指向头尾的header和tail指针,其中level保存的是skiplist的最大的层数。

/*
 * 跳跃表
 */
typedef struct zskiplist {

    // 表头节点和表尾节点
    struct zskiplistNode *header, *tail;

    // 表中节点的数量
    unsigned long length;

    // 表中层数最大的节点的层数
    int level;

} zskiplist;

 skiplist跳跃列表中每个节点的数据格式,每个节点有保存数据的robj指针,分值score字段,后退指针backward便于回溯,zskiplistLevel的数组保存跳跃列表每层的指针。

/*
 * 跳跃表节点
 */
typedef struct zskiplistNode {

    // 成员对象
    robj *obj;

    // 分值
    double score;

    // 后退指针
    struct zskiplistNode *backward;

    // 层
    struct zskiplistLevel {

        // 前进指针
        struct zskiplistNode *forward;

        // 跨度
        unsigned int span;

    } level[];

} zskiplistNode;