LabVIEW编程LabVIEW开发 PXI-6259多功能IO模块 例程与相关资料

260 阅读5分钟

LabVIEW编程LabVIEW开发 PXI-6259多功能IO模块 例程与相关资料 PXI-6259提供模拟I/O、关联数字I/O、两个32位计数器/定时器以及模拟和数字触发。该设备为从实验室自动化、研究、设计验证/测试到制造测试等各种应用提供了低成本的可靠DAQ功能。 其外观如下图所示。

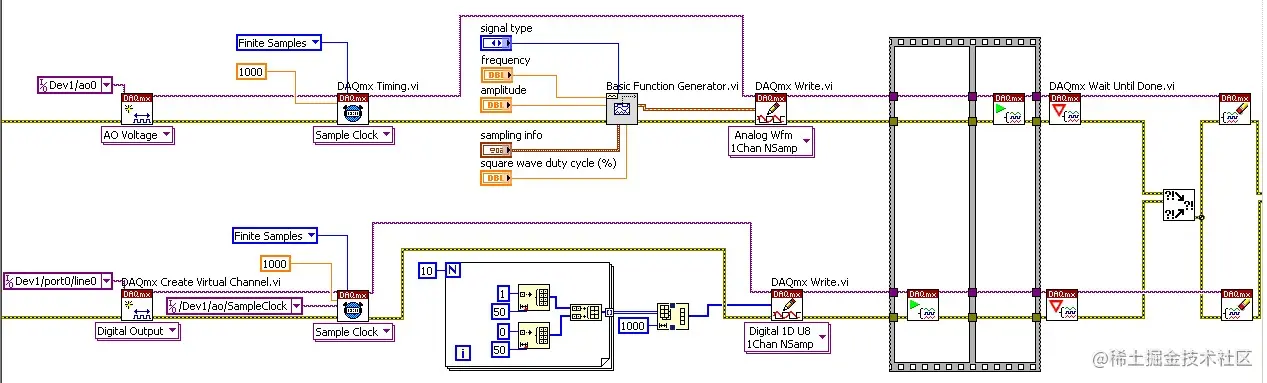
image.png 这张卡的功能比较多,一般的应用是足够的。这里介绍下同步AO和DO的形式。forums.ni.com/t5/Multifun… 同步 AO 和 DO 的方法之一是使用 AO 计时引擎作为两者的采样时钟。 这样就知道使用的是在 6259 板上生成的相同采样时钟。只需确保在 AO 之前启动 DO 任务,以便当 AO 启动并生成采样时钟时,DO 任务将 看到第一个上升沿。 本质上,您将使用 AO 任务触发 DO。 看看框图的截图,它就是这样做的。用另一个 DAQ 板检查它以确保同步。 One of the ways that I would synchronize your AO and DO is to use the AO timing engine as your sample clock for both. This way you know that you are using the same sample clock that is generated on board the 6259. You just have to make sure to start your DO task before your AO so that when when the AO starts and generates the sample clock the DO task will see the first rising edge. Essentially you will be triggering the DO with the AO task. Take a look at the screen shot of the block diagram I made that does exactly this. I checked it with another DAQ board to ensure synchronization. Let us know if this helps and and take a look at this developer zone that talks about multifunction sync.

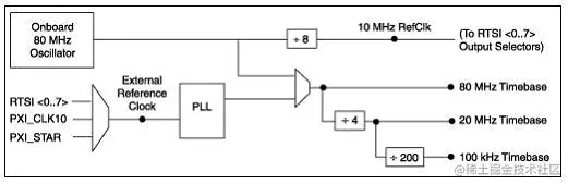
image.png M 系列 与 LabVIEW 和 NI- DAQmx 同步 许多应用需要精确控制时序和同步多个操作的能力。NI M 系列 数据 采集 设备 提供 了 出色 的 同步 工具, 非常 适合 这些 应用。本文 将 介绍 和 分析 与 NI- DAQmx 测量 服务 和 LabVIEW 同步 的 多功能 和 多 设备 M 系列 的 推荐 方法, LabVIEW 是 一个 图形 化 开发 环境, 用于 以 最低 成本 快速 创建 灵活 且 可 扩展 的 测试、 测量 和 控制 应用。借助 LabVIEW, 工程 师 和 科学 家 可以 与 真实 信号 进行 交互, 分析 数据 以 获取 有意义 的 信息, 并 共享 结果 和 应用。此外,本文还将介绍同步E系列和M系列器件的推荐方法。 M 系列时钟派生概述 在讨论同步之前,首先了解M系列设备中存在的不同时钟会很有帮助。M系列 器件 上的 NI-STC 2 时序 和 控制器 ASIC 通过 划分 80 MHz 时基 来 生成 多个 时 基。这个80 MHz时基通过两种方式之一获得 - 来自80 MHz板载振荡器或锁相环(PLL)电路,如下图1所示。当PLL的参考时钟在器件之间共享时,从PLL产生的80 MHz时基将在这些器件之间同步。因此,从该 80 MHz 时基或生成的 20 MHz 时基派生的所有时钟也将同步。由于信号的划分方式,100 kHz时基不会与PLL的输入同相。这些时基信号在内部用作器件的模拟输入、模拟输出和计数器/定时器子系统的时钟源。例如,模拟输入子系统将划分其中一个时基以创建其AI采样时钟。通过这款 80 MHz 板载振荡器,每个 M 系列器件还可生成自己的 10 MHz 参考时钟,可用于多器件系统中的同步。M系列器件的时钟路由电路,如下图所示。

image.png M系列器件上模拟操作的采样时钟通常通过除以20 MHz或100 kHz的内部时基来获得。计数器/定时器是唯一可以直接使用80 MHz时基的子系统。还可以获取其他外部和内部信号,例如PXI_STAR触发、模拟比较事件或来自 PFI 线路或 RTSI 总线的信号。 在测量和自动化浏览器 (MAX) 中注册设备 设置 硬件 以 允许 同步 是通过 测量 和 自动 化 探索 程序 (MAX) 完成, 该 程序 提供 对 NI 设备 的 访问, 以便 您 可以 相应地 配置 硬件 和 软件。配置 硬件 的 必要 步骤 会 有所不同, 这 取视 于 设备 是 PCI 板 还是 PXI 模 块。对于PCI板,RTSI电缆应通过物理连接到要路由信号的所有板,必须以虚拟方式创建并在MAX中注册。创建 RTSI 电缆 后, 需要 将 开发 板 添加到 RTSI 线 缆 中, NI- DAQmx 驱动 程序 可以 在 设备 之间 相应地 路由 信号。NI- DAQmx的 定 时 和 同步 特性 教程 中 更 详细 地 讨论 了 这个 特性。对于 PXI 模 块, 其 思 路 是 相同 的, 但 唯 一 需要 做的 就是 识别 PXI 机 箱。PXI 模 块 不 需 线 缆, 因为 PXI 机 箱 的 背 板 中 包含 了 与 RTSI 总 线 的 等 价 物。 多功能同步 同步可以分为两大类:多功能和多设备。多功能同步包括在单个设备上同时发生的操作。换句话说,诸如同步模拟输入/模拟输出和同步数字输入/模拟输出之类的操作属于多功能同步标题。在本文中,多功能同步分为两类:共享启动触发器和共享采样时钟。多设备同步是指在系统中的多个设备之间同步操作,下面列出的示例稍后将对此进行讨论。 厂家有LabVIEW的例程,但是比较冗余,根据项目的实际要求,编写了合适的软件,如下附件所示。

相关资料说明,如下所示。 LabVIEW、LabVIEW开发、LabVIEW编程、LabVIEW程序 文字内容均在附件Word中,同时上文中提到的例子和资料,均在word中的附件里,可点击下载。登录www.bjcyck.com可以查看更多详细信息。这里只是简略的介绍,有任何关于LabVIEW、LabVIEW开发、LabVIEW编程、LabVIEW程序相关问题,请与我们联系。 链接地址为:www.bjcyck.com/nd.jsp?id=3…