DDR SDRAM

555 阅读1分钟

1 DDR2 SDRAM

image.png image.png image.png image.png image.png image.png

2 DDR3 SDRAM

image.png image.png image.png image.png image.png image.png image.png

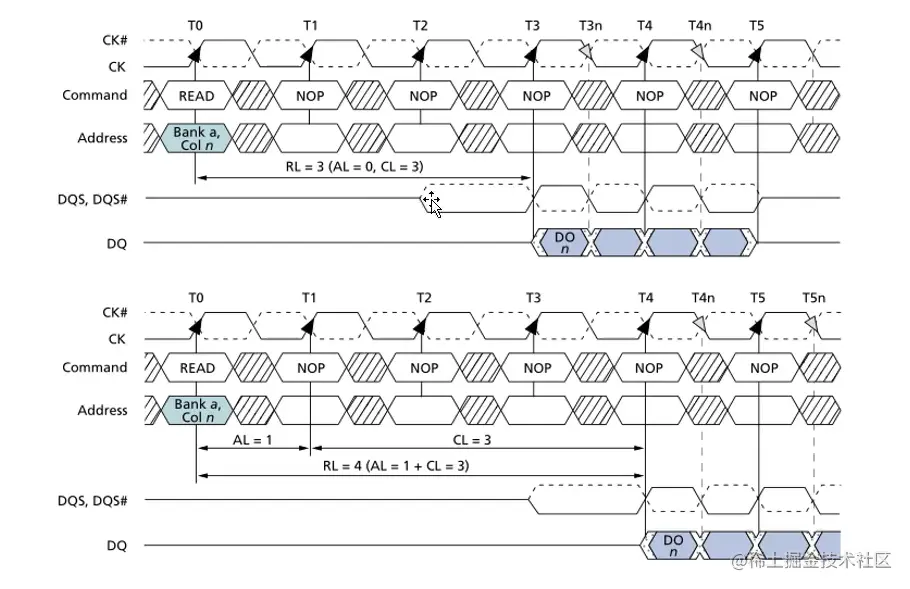
3 DDR3 SDRAM时序

image.png image.png image.png image.png image.png image.png image.png image.png

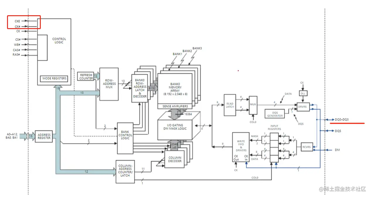
4 MIG IP核

image.png image.png image.png image.png image.png image.png image.png