【智能空气净化器】给你不一样的清新空气

1,382 阅读3分钟

也可进入原文获取智能空气净化器完整开源方案智能净化器_三明治开发社区的博客-CSDN博客

随着空气污染的日益严重,以及人们对生活质量的要求越来越高,更多的人开始关注到了空气质量问题,一台智能化空气净化器在保证操作方便,支持智能化控制的同时如果还能根据空间空气质量调整净化强度,不仅能帮助保障家人呼吸健康还能最大效率节约资源。

这次给大家带来的空气净化器方案在保持原始功能的同时改善了净化强度工作方式,增加滤芯寿命计算功能。可以自动检测空气中有害物质的浓度,根据污染浓度实时自动调节净化强度,还能检测空气净化器滤芯使用情况,计算滤芯使用寿命,提醒更换滤芯等功能。

一.硬件方案框图

image.png

二.设计方案

1.主控

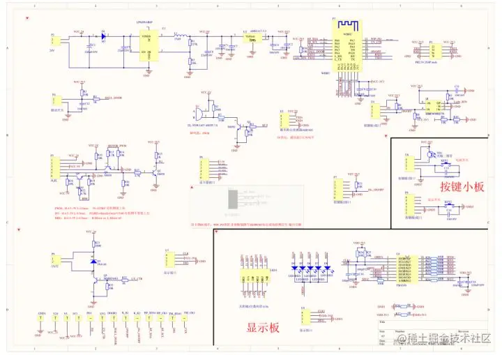
主控选择涂鸦智能的一款低功耗WBRU模组,基于该模组进行SoC开发,实现电机控制和传感器数据采集。

2.电机控制

风机选用稻津 MI-JK48HM710,控制信号主要有PWM、FG、BRK,控制信号与模组之间通讯需进行电平转换。

3.按键与感光传感器

方案设定有2个按键。主按键:长按开关机,短按切换不同的工作模式(自动、睡眠、最爱);屏幕按键:短按切换屏幕和指示灯的状态(PM2.5,PM10,TVOC,温度,湿度,关), 长按进入配网模式。系统中有一个光敏二极管,用于控制夜间光线较暗时显示的亮度。

4.显示电路

方案使用一个TM1650驱动IC来驱动一个3位8段数码管和5个模式指示灯。数码管用于显示空气指标,通过屏幕按键控制,分别为PM2.5数据,PM10数据,TVOC数据,温度,湿度。

5.NFC驱动

方案使用MFRC522,它是高度集成的非接触式读写卡芯片,可根据不同主机接口实现SPI、串行UART、I2C协议通讯。方案中使用SPI通讯来实现滤芯NFC检测功能(通过NFC判断滤芯工作时间,以及是否更换新滤芯)。

6.四合一传感器驱动

AM1002 是一款高性价比的多参数空气质量传感器集成模组,能够实时测量输出温湿度、VOC 浓度、PM1.0/PM2.5 /PM10 质量浓度。

7.电源

使用 LOWPOWER(微源半导体)的lp6498ab6f输出5V给一些传感器供电,ASM1117由5V转3.3V给模组供电,供电电流不低于150mA。lp6498ab6f的规格如下:最大输入电压4.530V;输出电压范围0.812V。开关频率600KHZ,最大持续电流可达1.2A。

8.其它驱动

蜂鸣器,UV灯,以及机械微动开关用于仓门检测。

9.原理图

image.png

二.嵌入式功能实现

1.功能说明 image.png

2.环境搭建

之前和大家分享过环境搭建的操作方案,大家可以前往阅读参考:【干货满满】Wi-Fi模组二次开发课程(开放)——1.环境搭建 - 掘金 (juejin.cn))

3.功能实现

image.png

4.方案流程图

模式选择功能流程图

image.png

按键功能流程图

image.png

滤芯检测流程图

image.png

以上就是本次智能空气净化器完整的改造方案,此次改造的重点开发工作在滤芯寿命计算上,除了可以预估滤芯使用时间,提醒更换滤芯,还能根据滤芯的使用情况来判断各档位的净化能力,完成有效净化。感兴趣的可以一起动手试试,有任何疑问也可以留言交流。

上期精彩回顾:(恒流源设计参考方案 - 掘金 (juejin.cn))

企业微信截图_16258179351799.png