4层PCB设计6

262 阅读1分钟

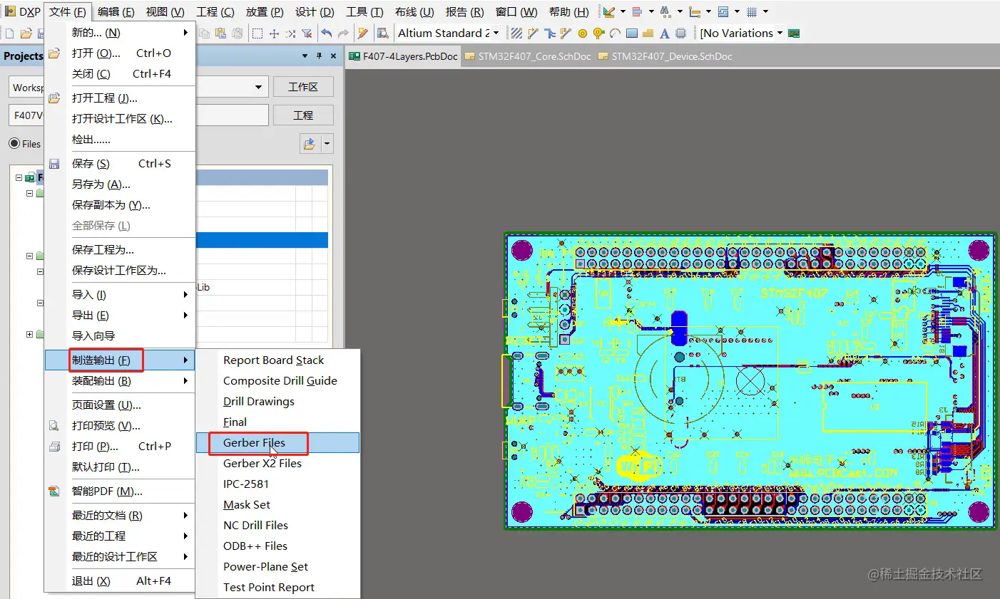
1 光绘文件(GERBER文件)导出

  • (1)使用机械1层作为板子边框!!!
  • (2)Gerber文件导出步骤: image.png
    • 1)单位是英寸,2:5模式, image.png

    • 2)选择层,其中不需要非机械1层和Keepout;

      image.png
      image.png

    • 3)钻孔配置符号,选择字符类型; image.png
      image.png

    • 4)高级中,选择使用软件弧,去掉首位零;
      image.png

    • 5)AD自动生成的CAM管理,可以不需要。

      image.png image.png

  • (3)钻孔文件的导出:单位要和Gerber中的单位一致,其他也要保持一致;
  • 重要:在导出过程中,会提示询问选择单位,依然要和前面的保存一致。 image.png image.png image.png image.png

image.png

image.png

image.png

image.png

image.png image.png

image.png

image.png

image.png

image.png

image.png

image.png