@Autowired背后实现的原理,你都知道吗

384 阅读13分钟

前言

使用spring开发时,进行配置主要有两种方式,一是xml的方式,二是java config的方式。

spring技术自身也在不断的发展和改变,从当前springboot的火热程度来看,java config的应用是越来越广泛了,在使用java config的过程当中,我们不可避免的会有各种各样的注解打交道,其中,我们使用最多的注解应该就是@Autowired注解了。这个注解的功能就是为我们注入一个定义好的bean。

那么,这个注解除了我们常用的属性注入方式之外还有哪些使用方式呢?它在代码层面又是怎么实现的呢?这是本篇文章着重想讨论的问题。

@Autowired注解用法

在分析这个注解的实现原理之前,我们不妨先来回顾一下@Autowired注解的用法。

将@Autowired注解应用于构造函数,如以下示例所示

public class MovieRecommender {
 
    private final CustomerPreferenceDao customerPreferenceDao;
 
    @Autowired
    public MovieRecommender(CustomerPreferenceDao customerPreferenceDao) {
        this.customerPreferenceDao = customerPreferenceDao;
    }
 
    // ...
}

将@Autowired注释应用于setter方法

public class SimpleMovieLister {
 
    private MovieFinder movieFinder;
 
    @Autowired
    public void setMovieFinder(MovieFinder movieFinder) {
        this.movieFinder = movieFinder;
    }
 
    // ...
}

将@Autowired注释应用于具有任意名称和多个参数的方法

public class MovieRecommender {
 
    private MovieCatalog movieCatalog;
 
    private CustomerPreferenceDao customerPreferenceDao;
 
    @Autowired
    public void prepare(MovieCatalog movieCatalog,
            CustomerPreferenceDao customerPreferenceDao) {
        this.movieCatalog = movieCatalog;
        this.customerPreferenceDao = customerPreferenceDao;
    }
 
    // ...
}

您也可以将@Autowired应用于字段,或者将其与构造函数混合,如以下示例所示

public class MovieRecommender {
 
    private final CustomerPreferenceDao customerPreferenceDao;
 
    @Autowired
    private MovieCatalog movieCatalog;
 
    @Autowired
    public MovieRecommender(CustomerPreferenceDao customerPreferenceDao) {
        this.customerPreferenceDao = customerPreferenceDao;
    }
 
    // ...
}

直接应用于字段是我们使用的最多的一种方式,但是使用构造方法注入从代码层面却是更加好的。除此之外,还有以下不太常见的几种方式

将@Autowired注释添加到需要该类型数组的字段或方法,则spring会从ApplicationContext中搜寻符合指定类型的所有bean,如以下示例所示:

public class MovieRecommender {
 
    @Autowired
    private MovieCatalog[] movieCatalogs;
 
    // ...
}

数组可以,我们可以马上举一反三,那容器也可以吗,答案是肯定的,下面是set以及map的例子:

public class MovieRecommender {
 
    private Set<MovieCatalog> movieCatalogs;
 
    @Autowired
    public void setMovieCatalogs(Set<MovieCatalog> movieCatalogs) {
        this.movieCatalogs = movieCatalogs;
    }
 
    // ...
}

public class MovieRecommender {
 
    private Map<StringMovieCatalog> movieCatalogs;
 
    @Autowired
    public void setMovieCatalogs(Map<String, MovieCatalog> movieCatalogs) {
        this.movieCatalogs = movieCatalogs;
    }
 
    // ...
}

以上就是@Autowired注解的主要使用方式,经常使用spring的话应该对其中常用的几种不会感到陌生。

@Autowired注解的作用到底是什么

@Autowired这个注解我们经常在使用,现在,我想问的是,它的作用到底是什么呢?

首先,我们从所属范围来看,事实上这个注解是属于spring的容器配置的一个注解,与它同属容器配置的注解还有:@Required,@Primary, @Qualifier等等。因此@Autowired注解是一个用于容器(container)配置的注解。

其次,我们可以直接从字面意思来看,@autowired注解来源于英文单词autowire,这个单词的意思是自动装配的意思。自动装配又是什么意思?这个词语本来的意思是指的一些工业上的用机器代替人口,自动将一些需要完成的组装任务,或者别的一些任务完成。而在spring的世界当中,自动装配指的就是使用将Spring容器中的bean自动的和我们需要这个bean的类组装在一起。

因此,笔者个人对这个注解的作用下的定义就是:将Spring容器中的bean自动的和我们需要这个bean的类组装在一起协同使用。

接下来,我们就来看一下这个注解背后到底做了些什么工作。

@Autowired注解是如何实现的

事实上,要回答这个问题必须先弄明白的是java是如何支持注解这样一个功能的。

java的注解实现的核心技术是反射,让我们通过一些例子以及自己实现一个注解来理解它工作的原理。

例如注解@Override

@Override注解的定义如下:

@Target(ElementType.METHOD)
@Retention(RetentionPolicy.SOURCE)
public @interface Override {
}

@Override注解使用java官方提供的注解,它的定义里面并没有任何的实现逻辑。注意,所有的注解几乎都是这样的,注解只能是被看作元数据,它不包含任何业务逻辑。 注解更像是一个标签,一个声明,表面被注释的这个地方,将具有某种特定的逻辑。

那么,问题接踵而至,注解本身不包含任何逻辑,那么注解的功能是如何实现的呢?答案必然是别的某个地方对这个注解做了实现。以@Override注解为例,他的功能是重写一个方法,而他的实现者就是JVM,java虚拟机,java虚拟机在字节码层面实现了这个功能。

但是对于开发人员,虚拟机的实现是无法控制的东西,也不能用于自定义注解。所以,如果是我们自己想定义一个独一无二的注解的话,则我们需要自己为注解写一个实现逻辑,换言之,我们需要实现自己注解特定逻辑的功能。

自己实现一个注解

在自己写注解之前我们有一些基础知识需要掌握,那就是我们写注解这个功能首先是需要java支持的,java在jdk5当中支持了这一功能,并且在java.lang.annotation包中提供了四个注解,仅用于编写注解时使用,他们是:

图片

下面我们开始自己实现一个注解,注解仅支持 primitivesstring和 enumerations这三种类型。注解的所有属性都定义为方法,也可以提供默认值。我们先实现一个最简单的注解。

import java.lang.annotation.ElementType;
import java.lang.annotation.Retention;
import java.lang.annotation.RetentionPolicy;
import java.lang.annotation.Target;
 
@Target(ElementType.METHOD)
@Retention(RetentionPolicy.RUNTIME)
public @interface SimpleAnnotation {
    String value();
}

上面这个注释里面只定义了一个字符传,它的目标注释对象是方法,保留策略是在运行期间。下面我们定义一个方法来使用这个注解:

public class UseAnnotation {
 
    @SimpleAnnotation("testStringValue")
    public void testMethod(){
        //do something here
    }
 
}

我们在这里使用了这个注解,并把字符串赋值为:testStringValue,到这里,定义一个注解并使用它,我们就已经全部完成。

简单的不敢相信。但是,细心一想的话,我们虽然写了一个注解也用了它,可是它并没有产生任何作用啊。也没有对我们这里方法产生任何效果啊。是的现在确实是这样的,原因在于我们前面提到的一点,我们还没有为这个注解实现它的逻辑,现在我们就来为这个注解实现逻辑。

应该怎么做呢?我们不妨自己来想一想。首先,我想给标注了这个注解的方法或字段实现功能,我们必须得知道,到底有哪些方法,哪些字段使用了这个注解吧,因此,这里我们很容易想到,这里应该会用到反射。

其次,利用反射,我们利用反射拿到这样目标之后,得为他实现一个逻辑,这个逻辑是这些方法本身逻辑之外的逻辑,这又让我们想起了代理,aop等知识,我们相当于就是在为这些方法做一个增强。事实上的实现主借的逻辑也大概就是这个思路。梳理一下大致步骤如下:

  • 利用反射机制获取一个类的Class对象

  • 通过这个class对象可以去获取他的每一个方法method,或字段Field等等

  • Method,Field等类提供了类似于getAnnotation的方法来获取这个一个字段的所有注解

  • 拿到注解之后,我们可以判断这个注解是否是我们要实现的注解,如果是则实现注解逻辑

现在我们来实现一下这个逻辑,代码如下:

private static void annotationLogic() {

     Class useAnnotationClass = UseAnnotation.class;
     for(Method method : useAnnotationClass.getMethods()) {
         SimpleAnnotation simpleAnnotation = (SimpleAnnotation)method.getAnnotation(SimpleAnnotation.class);
         if(simpleAnnotation != null) {
             System.out.println(" Method Name : " + method.getName());
             System.out.println(" value : " + simpleAnnotation.value());
             System.out.println(" --------------------------- ");
         }
     }
 }

在这里我们实现的逻辑就是打印几句话。从上面的实现逻辑我们不能发现,借助于java的反射我们可以直接拿到一个类里所有的方法,然后再拿到方法上的注解,当然,我们也可以拿到字段上的注解。借助于反射我们可以拿到几乎任何属于一个类的东西。

一个简单的注解我们就实现完了。现在我们再回过头来,看一下@Autowired注解是如何实现的。

@Autowired注解实现逻辑分析

知道了上面的知识,我们不难想到,上面的注解虽然简单,但是@Autowired和他最大的区别应该仅仅在于注解的实现逻辑,其他利用反射获取注解等等步骤应该都是一致的。先来看一下@Autowired这个注解在spring的源代码里的定义是怎样的,如下所示:

package org.springframework.beans.factory.annotation;
 
import java.lang.annotation.Documented;
import java.lang.annotation.ElementType;
import java.lang.annotation.Retention;
import java.lang.annotation.RetentionPolicy;
import java.lang.annotation.Target;
 
@Target({ElementType.CONSTRUCTOR, ElementType.METHOD, ElementType.PARAMETER, ElementType.FIELD, ElementType.ANNOTATION_TYPE})
@Retention(RetentionPolicy.RUNTIME)
@Documented
public @interface Autowired {
    boolean required() default true;
}

阅读代码我们可以看到,Autowired注解可以应用在构造方法,普通方法,参数,字段,以及注解这五种类型的地方,它的保留策略是在运行时。下面,我们不多说直接来看spring对这个注解进行的逻辑实现.

在Spring源代码当中,Autowired注解位于包org.springframework.beans.factory.annotation之中,该包的内容如下:

图片

经过分析,不难发现Spring对autowire注解的实现逻辑位于类:AutowiredAnnotationBeanPostProcessor之中,已在上图标红。其中的核心处理代码如下:

private InjectionMetadata buildAutowiringMetadata(final Class<?> clazz) {
  LinkedList<InjectionMetadata.InjectedElement> elements = new LinkedList<>();
  Class<?> targetClass = clazz;//需要处理的目标类
       
  do {
   final LinkedList<InjectionMetadata.InjectedElement> currElements = new LinkedList<>();
 
            /*通过反射获取该类所有的字段,并遍历每一个字段,并通过方法findAutowiredAnnotation遍历每一个字段的所用注解,并如果用autowired修饰了,则返回auotowired相关属性*/  
 
   ReflectionUtils.doWithLocalFields(targetClass, field -> {
    AnnotationAttributes ann = findAutowiredAnnotation(field);
    if (ann != null) {//校验autowired注解是否用在了static方法上
     if (Modifier.isStatic(field.getModifiers())) {
      if (logger.isWarnEnabled()) {
       logger.warn("Autowired annotation is not supported on static fields: " + field);
      }
      return;
     }//判断是否指定了required
     boolean required = determineRequiredStatus(ann);
     currElements.add(new AutowiredFieldElement(field, required));
    }
   });
            //和上面一样的逻辑,但是是通过反射处理类的method
   ReflectionUtils.doWithLocalMethods(targetClass, method -> {
    Method bridgedMethod = BridgeMethodResolver.findBridgedMethod(method);
    if (!BridgeMethodResolver.isVisibilityBridgeMethodPair(method, bridgedMethod)) {
     return;
    }
    AnnotationAttributes ann = findAutowiredAnnotation(bridgedMethod);
    if (ann != null && method.equals(ClassUtils.getMostSpecificMethod(method, clazz))) {
     if (Modifier.isStatic(method.getModifiers())) {
      if (logger.isWarnEnabled()) {
       logger.warn("Autowired annotation is not supported on static methods: " + method);
      }
      return;
     }
     if (method.getParameterCount() == 0) {
      if (logger.isWarnEnabled()) {
       logger.warn("Autowired annotation should only be used on methods with parameters: " +
         method);
      }
     }
     boolean required = determineRequiredStatus(ann);
     PropertyDescriptor pd = BeanUtils.findPropertyForMethod(bridgedMethod, clazz);
                   currElements.add(new AutowiredMethodElement(method, required, pd));
    }
   });
    //用@Autowired修饰的注解可能不止一个,因此都加在currElements这个容器里面,一起处理  
   elements.addAll(0, currElements);
   targetClass = targetClass.getSuperclass();
  }
  while (targetClass != null && targetClass != Object.class);
 
  return new InjectionMetadata(clazz, elements);
 }

博主在源代码里加了注释,结合注释就能看懂它做的事情了,最后这个方法返回的就是包含所有带有autowire注解修饰的一个InjectionMetadata集合。这个类由两部分组成:

public InjectionMetadata(Class<?> targetClass, Collection<InjectedElement> elements) {
  this.targetClass = targetClass;
  this.injectedElements = elements;
 }

一是我们处理的目标类,二就是上述方法获取到的所以elements集合。

有了目标类,与所有需要注入的元素集合之后,我们就可以实现autowired的依赖注入逻辑了,实现的方法如下:

@Override
public PropertyValues postProcessPropertyValues(
  PropertyValues pvs, PropertyDescriptor[] pds, Object bean, String beanName) throws BeanCreationException {

 InjectionMetadata metadata = findAutowiringMetadata(beanName, bean.getClass(), pvs);
 try {
  metadata.inject(bean, beanName, pvs);
 }
 catch (BeanCreationException ex) {
  throw ex;
 }
 catch (Throwable ex) {
  throw new BeanCreationException(beanName, "Injection of autowired dependencies failed", ex);
 }
 return pvs;
}

它调用的方法是InjectionMetadata中定义的inject方法,如下

public void inject(Object target, @Nullable String beanName, @Nullable PropertyValues pvs) throws Throwable {
  Collection<InjectedElementcheckedElements = this.checkedElements;
  Collection<InjectedElementelementsToIterate =
    (checkedElements != null ? checkedElements : this.injectedElements);
  if (!elementsToIterate.isEmpty()) {
   for (InjectedElement element : elementsToIterate) {
    if (logger.isTraceEnabled()) {
     logger.trace("Processing injected element of bean '" + beanName + "': " + element);
    }
    element.inject(target, beanName, pvs);
   }
  }
 }

其逻辑就是遍历,然后调用inject方法,inject方法其实现逻辑如下:

/**
 * Either this or {@link #getResourceToInject} needs to be overridden.
 */
protected void inject(Object target, @Nullable String requestingBeanName, @Nullable PropertyValues pvs)
  throws Throwable {

 if (this.isField) {
  Field field = (Field) this.member;
  ReflectionUtils.makeAccessible(field);
  field.set(target, getResourceToInject(target, requestingBeanName));
 }
 else {
  if (checkPropertySkipping(pvs)) {
   return;
  }
  try {
   Method method = (Method) this.member;
   ReflectionUtils.makeAccessible(method);
   method.invoke(target, getResourceToInject(target, requestingBeanName));
  }
  catch (InvocationTargetException ex) {
   throw ex.getTargetException();
  }
 }
}

在这里的代码当中我们也可以看到,是inject也使用了反射技术并且依然是分成字段和方法去处理的。在代码里面也调用了makeAccessible这样的可以称之为暴力破解的方法,但是反射技术本就是为框架等用途设计的,这也无可厚非。

对于字段的话,本质上就是去set这个字段的值,即对对象进行实例化和赋值,例如下面代码:

@Autowired
ObjectTest objectTest;

那么在这里实现的就相当于给这个objecTest引用赋值了。

对于方法的话,本质就是去调用这个方法,因此这里调用的是method.invoke.

getResourceToInject方法的参数就是要注入的bean的名字,这个方法的功能就是根据这个bean的名字去拿到它。

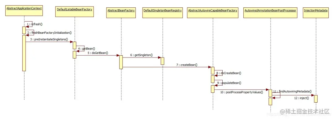
以上,就是@Autowire注解实现逻辑的全部分析。结合源代码再看一遍的话,会更加清楚一点。下面是spring容器如何实现@AutoWired自动注入的过程的图:

图片

总结起来一句话:使用@Autowired注入的bean对于目标类来说,从代码结构上来讲也就是一个普通的成员变量,@Autowired和spring一起工作,通过反射为这个成员变量赋值,也就是将其赋为期望的类实例。

问题

注解的有效周期是什么?

各种注释之间的第一个主要区别是,它们是在编译时使用,然后被丢弃(如@Override),还是被放在编译的类文件中,并在运行时可用(如Spring的@Component)。这是由注释的“@Retention”策略决定的。如果您正在编写自己的注释,则需要决定该注释在运行时(可能用于自动配置)还是仅在编译时(用于检查或代码生成)有用。

当用注释编译代码时,编译器看到注释就像看到源元素上的其他修饰符一样,比如访问修饰符(public/private)或.。当遇到注释时,它运行一个注释处理器,就像一个插件类,表示对特定的注释感兴趣。注释处理器通常使用反射API来检查正在编译的元素,并且可以简单地对它们执行检查、修改它们或生成要编译的新代码。

@Override是一个示例;它使用反射API来确保能够在其中一个超类中找到方法签名的匹配,如果不能,则使用@Override会导致编译错误。

注入的bean和用它的bean的关系是如何维护的?

无论以何种方式注入,注入的bean就相当于类中的一个普通对象应用,这是它的实例化是spring去容器中找符合的bean进行实例化,并注入到类当中的。他们之间的关系就是普通的一个对象持有另一个对象引用的关系。只是这些对象都是spring当中的bean而已。

为什么注入的bean不能被定义为static的?

从设计的角度来说 ,使用静态字段会鼓励使用静态方法。静态方法是evil的。依赖注入的主要目的是让容器为您创建对象并进行连接。而且,它使测试更加容易。

一旦开始使用静态方法,您就不再需要创建对象的实例,并且测试变得更加困难。同样,您不能创建给定类的多个实例,每个实例都注入不同的依赖项(因为该字段是隐式共享的,并且会创建全局状态)。

静态变量不是Object的属性,而是Class的属性。spring的autowire是在对象上完成的,这样使得设计很干净。 在spring当中我们也可以将bean对象定义为单例,这样就能从功能上实现与静态定义相同的目的。

但是从纯粹技术的层面,我们可以这样做:

将@Autowired可以与setter方法一起使用,然后可以让setter修改静态字段的值。但是这种做法非常不推荐。