双绞线抗干扰、抗串扰原理

1,491 阅读4分钟

参考:http://www.elecfans.com/baike/buxian/dianlan/20180118618389.html

双绞线传输原理

信号传输可分为非平衡式和平衡式两种传输方式。同轴电缆属于非平衡传输线,双绞线属于平衡传输线。假如要用双绞线传输视频信号,必须在发送端将非平衡信号转换为平衡信号,在接收端再将平衡信号转换为非平衡信号。一个基本的双绞线视频传输系统如下图所示。图中的A1是差分信号发送放大器,完成非平衡到平衡的转换,A2是差分信号接收放大器,完成平衡到非平衡的转换。

image.png

双绞线消除干扰的原理

在双绞线中,干扰主要来自以下两方面:第一,外部干扰。第二,同一电缆内部对线之间的相互串扰。下面,我们对双绞线消除干扰的原理进行分析。

1. 双绞线对外部干扰的抑制

(1)干扰信号对平行线的干扰,见图1。Us为干扰信号源,干扰电流Is在双线的两条导线L1、L2上产生的干扰电流分别是I1和I2。由于L1距离干扰源较近,因此,I1>I2,I=I1―I2≠0,有干扰电流存在。

image.png (解决方法2: 适用场景可以使用差模信号)

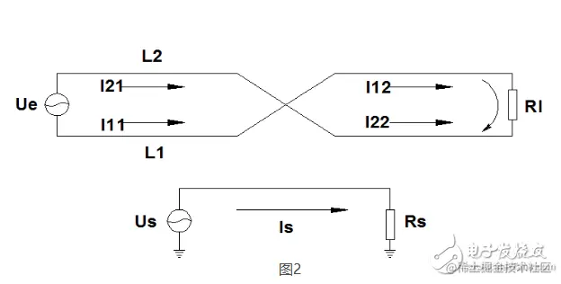
(2)干扰信号对扭绞双线回路的干扰,见图2。与图1不同的是,双线回路在中点位置进行了一次扭绞。在L1上存在干扰电流I11和I12,在L2上存在干扰电流I21和I22, 干扰电流I=I21+I22-I11-I12,由于两段线路的条件相同,所以,总干扰电流I=0。所以只要设置合理的绞距,就能达到消除干扰的目的。

image.png

2. 同一电缆内部各线对之间的串扰

先看直观图:

image.png

image.png

(1)两个未绞双线回路间的串扰,见图3。其中Ue为主串回路,Us为被串回路。导线L1上的电流I1在被串回路L3和L4中产生感应电流I31和I41 ,I41>I31,在被串回路中形成串扰电流I11=I41-I31,同样,导线L2上的电流I2在被串回路L3和L4中产生感应电流I32和I42,I42> I32,在被串回路中形成串扰电流I12=I32-I42,总干扰电流I=I11+I12,由于L1与L3、L4的距离比L2较近,I=I11+I12》0,在回路Us中形成干扰。

image.png

(2)两个绞距相同的回路如图4所示。回路Ue和回路Us同时在中点位置作扭绞,因此,两个回路的4根导线之间的相对关系与未绞是完全相同的,根据以上分析可知,是不能起到消除串扰的作用。Ue和Us分别在对方回路中产生干扰电流Is和Ie,所以当两个绞合的双线回路绞距相同时,不能消除串扰。

image.png

(3 ) 两个绞距不同的双线回路见图5。回路Ue在中点作扭绞。回路Us除在中点作扭绞外,还在A段和B段的二分之一处分别作扭绞。

下面以回路Ue为主串回路,回路Us为被串回路。分为A、B两段,先分析A段的串扰。在A段内,回路Ue未作扭绞,而回路Us在二分之一处作扭绞;根据1.2节的分析可知,由于回路Us在A段的中点扭绞,导线L1对回路Us的干扰电流为零。同样道理,导线L2对回路Us的干扰电流也为零。因此,在A段,回路Ue对回路Us的串扰电流为零。

B段的情况与A段完全相同,在B段串扰电流也为零。因此,回路Ue对回路Us的总串扰为零。所以,两个独立的双绞线回路,只要设计合理的绞距,是可以消除相互串扰。

image.png

一条超五类双绞线电缆由4对线组成。每对线各自按反时针方向扭绞。4对线的绞距是各不相同的(对于绞距,没有量化标准,各个厂家的绞距有差别,从1.1-2.2cm不等,正规厂家的产品都能满足电气要求)。采取这些措施,不仅可消除外部干扰,同时可消除线对间的串扰。