【计算机组成原理】门阵列&译码器

1,015 阅读3分钟

【计算机组成原理】门阵列&译码器

门阵列

门阵列属于半定制的集成电路,可分为有信道和无信道两种。有信道门阵列是在一个芯片上把门排列成阵列形式,严格地讲是把单元(含有若干个器件)排列成阵列形式。单元被排列成行,行与行之间留有作为连线用的信道区,信道的宽度是固定的。这就是“有信道门阵列”这一名称的由来。为了保证单元之间的布线具有100%的布通率,需要有较宽的信道,但这样会导致无用的走线区域,因而浪费了硅面积。

为了不大量浪费硅面积以及克服常规门阵列常有的门利用率低的缺点,1982年提出了门海的概念,也就是指无信道门阵列。门海技术并无实现确定的布线信道区,宏单元之间的连线将在无用的有效器件区上进行。门海技术提高了电路的集成密度,在一个晶片(Die)上可以集成超过10万个门。在20世纪末,在一个晶片上已经能够设计门延迟为0.4ns的50-70万门的电路。

译码器

功能:
将每个输入的二进制代码译成对应的输出高、低电平信号或另外一个代码。

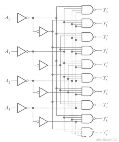
【 1. 二进制译码器 】

  • 3线-8线译码器

在这里插入图片描述
真值表
在这里插入图片描述
内部逻辑
在这里插入图片描述
缺点
用二极管与门阵列做成的译码器高、低电平信号发生偏移且输入电阻低,输出电阻高。

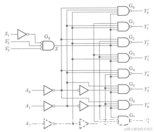
  • 74HC138译码器

由CMOS门电路组成,弥补了二极管门电路的不足
在这里插入图片描述
附加控制端
S1=1 、S2’+S3’=0时,Gs输出为高电平( S=1 ),译码器处于工作状态。
即74LS138译码器的 S1、S2、S3可视为总开关,当三者同时有效S1S2’S3’=1时,方可正常工作,否则其8个输出端均为1。
内部逻辑
在这里插入图片描述
真值表
在这里插入图片描述

在这里插入图片描述

【 2. 二—十进制译码器 】

将输入BCD码的10个代码译成10个高、低电平输出信号。
BCD码以外的伪码,输出均无低电平信号产生。

  • 74HC42译码器

在这里插入图片描述
内部逻辑
在这里插入图片描述
真值表
在这里插入图片描述

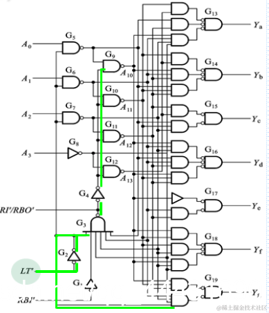
【 3.显示译码器7748 】

在这里插入图片描述

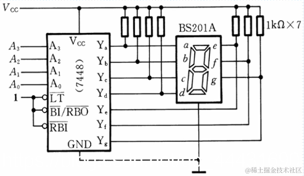
  • 七段LED数码管

在这里插入图片描述
用7748驱动共阴型7段LED数码管
在这里插入图片描述

  • 附加功能

①灯测试输入LT’
Ya ~ Yg 全为高电平,数码管的七段全部点亮。
在这里插入图片描述
②灭零输入 RBI’
不显示0。
在这里插入图片描述
③灭零输入/灭零输出 BI’ / RBO’
…作为输入端使用时,为灭灯输入控制端。
令BI’=0,无论任何输入状态,可使数码管各段全部同时熄灭。
…作为输出端使用时,为灭零输出端。
R B O ′ = ( A 3 ′ ⋅ A 2 ′ ⋅ A 1 ′ ⋅ A 0 ′ ⋅ L T ′ ⋅ R B I ′ ) ′ RBO′=(A3′⋅A2′⋅A1′⋅A0′⋅LT′⋅RBI′)′ RBO′=(A3′⋅A2′⋅A1′⋅A0′⋅LT′⋅RBI′)′
只有在A3=A2=A1=A0=0,且灭零信号RBI’=0时,RBO’才=0给出低电平。
故,RBO’=0表示译码器已将本来应显示的零熄灭了。

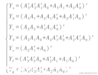
  • 功能描述

内部逻辑图
在这里插入图片描述
逻辑函数
在这里插入图片描述
真值表
在这里插入图片描述

  • 有灭零控制的8位数码显示系统

整数部分:最高位是0,而且灭掉以后,输出RBO’ 作为次高位的 输入信号RBI’。
小数部分:最低位是0,而且灭掉以后,输出 RBO’ 作为次低位的输入信号 RBO’。
在这里插入图片描述

            <link href="https://csdnimg.cn/release/blogv2/dist/mdeditor/css/editerView/markdown_views-d7a94ec6ab.css" rel="stylesheet">
            <link href="https://csdnimg.cn/release/blogv2/dist/mdeditor/css/style-49037e4d27.css" rel="stylesheet">
    </div>