【计算机组成原理】从二进制到计算机——手把手造八位CPU

710 阅读9分钟

从二进制到计算机——手把手造八位CPU

为什么是二进制

二进制表示准确不混淆

二进制没法表示太多意思,但可以表示开关两种状态,准确表示两个值 " t u r e " "ture" "ture"和 " f a l s e " "false" "false",那么为何不采取其他进制呢,因为当手机电量不足或者周围有电噪声时信号会混淆,并随着上百万次状态变得越来越糟。把信号放在相对较远的地方—— 0 0 0和 1 1 1可以有效解决这个问题
在这里插入图片描述在这里插入图片描述

二进制成熟的数学分支——布尔代数和逻辑门

n o t not not(非)

在这里插入图片描述在这里插入图片描述

a n d and and(与)

在这里插入图片描述
在这里插入图片描述

o r or or(或)

在这里插入图片描述 在这里插入图片描述

X O R XOR XOR(异或)

在这里插入图片描述在这里插入图片描述我们可以设置一种对应关系,用多位二进制表示指定字符,如 A S C I I ASCII ASCII:
在这里插入图片描述

算数逻辑单元(ALU)

A L U ALU ALU是执行 A r i t h m e t i c Arithmetic Arithmetic和 L o g i c Logic Logic的单元,是表示和存储数字是计算机的一个重要功能,但真正的目标是计算,或者以结构和有目的的操作数字,如两个数相加,这些操作由计算机的"算数逻辑单元"处理。

算数单元讲解

半加器

无进位(这不是半加器)

在这里插入图片描述

有进位(即半加器)

在这里插入图片描述

全加器

  • 全加器可用两个半加器和一个“或“门组成。这个得记住
    在这里插入图片描述
  • 或者用真值表现推:
  • 在这里插入图片描述
    S ( 和 ) = ( A ′ B ′ C I ′ + A ′ B ∗ C I + A B ′ C I + A B C I ′ ) ′ C O ( 进 位 ) = ( A ′ B ′ + B ′ C I ′ + A ′ C I ′ ) ′ S(和)=(A^{'}B^{'}CI^{'}+A^{'}B*CI+AB^{'}CI+ABCI^{'})^{'}\\CO(进位)=(A^{'}B^{'}+B^{'}CI^{'}+A^{'}CI^{'})^{'} S(和)=(A′B′CI′+A′B∗CI+AB′CI+ABCI′)′CO(进位)=(A′B′+B′CI′+A′CI′)′

在这里插入图片描述

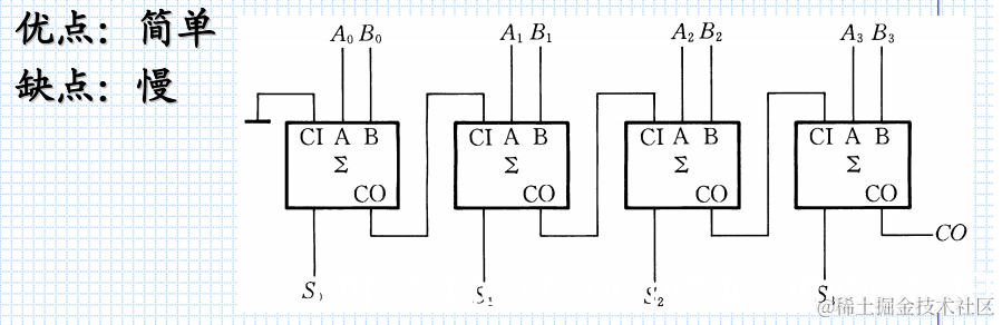
多位加法器

串行进位加法器

在这里插入图片描述
( C I ) i = ( C O ) i − 1 S i = A i ⊕ B i ⊕ ( C I ) i ( C O ) i = A i B i + ( A i + B i ) ( C I ) i (CI)_i=(CO)_{i-1}\\S_i=A_i \oplus B_i \oplus(CI)_i \(CO)_i=A_iB_i+(A_i+B_i)(CI)_i (CI)i​=(CO)i−1​Si​=Ai​⊕Bi​⊕(CI)i​(CO)i​=Ai​Bi​+(Ai​+Bi​)(CI)i​

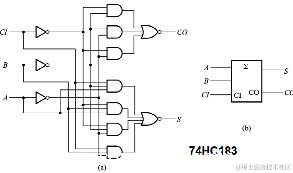
超前进位加法器
  • 串行加法器的不足
    我们发现串行进位加法器只有前一全加器输出后一全加器才能计算,这在实际应用中会导致延时。
  • 超前进位加法器原理:第 i i i位的进位输入信号是两个加数第 i i i位以前各位 ( 0 ∼ j − 1 ) (0\sim j-1) (0∼j−1)的函数,可在相加前确定
    在这里插入图片描述
    在这里插入图片描述

溢出

在这里插入图片描述如果是八位行波进位加法器,注意最后是有进位的输出,如果第九位有进位,就表示两个数的总和太大而超过了 8 8 8位,这称为溢出,溢出通常会导致错误和意外结果。

ALU的减法乘法除法
减法同理可由电路得出。乘法是多个加法的和,或者乘除法也可以设置特有的逻辑单元,具体操作类似于加法

逻辑单元讲解

设置 1 1 1为与门
在这里插入图片描述
设置 0 0 0为或门
在这里插入图片描述

A L U ALU ALU封装

做好之后我们将其封装起来,通常用 V V V表示
在这里插入图片描述

左上方近正方体是与或电路,右下方平躺长方体是加减电路

在这里插入图片描述故封装后的结果为
在这里插入图片描述

寄存器和内存

"AND-OR"锁存器,

接下来我们以建立一个可以存储单个 b i t bit bit的电路,之后再扩大成为我们自己的内存模块,先看下面几个电路:

  • A开始输1后永久为1
    在这里插入图片描述
  • A输0后永久为0 在这里插入图片描述
  • 为了进行有效存储,创造出"AND-OR"锁存器,他有两个输入, s e t set set输 1 1 1置1, r e s e t reset reset输 1 1 1置 0 0 0,如果输入输出都是 0 0 0则会保持当初存入的内容
    在这里插入图片描述
    这样记住了一个比特的信息,由于他**锁定了一个特定的值并保持状态,所以称之为锁存器**

门锁

两条线设值有点难以理解,所以我们修改一下电路,用一条线输入,另一条线设置“允许写入权限”,由于可以打开和关闭,我们称之为门锁。
在这里插入图片描述

封装带门锁的锁存器

在这里插入图片描述

寄存器

像这样一组的锁存器称为寄存器,它能存储一个数字,寄存器能存多少 b i t bit bit叫位宽,写入前,我们用一根连接到所有启用输入的单线来实现这一点,将其设置为 1 1 1。
在这里插入图片描述在这里插入图片描述这样就存入了一个八位的数字10110101!!!

寄存器改进——矩阵放置

按原本的放置方式,64位寄存器,可能需要129根线,存256位要513根线,解决方式是一个矩阵
在这里插入图片描述只有行线列线同时为1才能导通。
在这里插入图片描述此时256位的数据只需38根线即可。如果这个数据存储在8行12列的话,12=1100,8=1000,所以刚刚用的锁存器地址可以写成11001000

多路复用器

为将地址转换为正确的行或列的内容而用到
在这里插入图片描述

封装

要存储一个数字,要输入八位的地址,一条写入线,一条线控制可写,一条线控制可读。
在这里插入图片描述这样排成一行,则一次可存储一个八位数字,即一个字节。我们同时给8个256位内存同样的地址,每个同样的地址都得到一个数,如把11111111存入8行12列,只需地址输入11001000,允许写入,在对应的数据线上输对应的数字即可。
在这里插入图片描述## R A M RAM RAM
这个内存的重要特性是随时以随机顺序访问内存位置,因此叫随机存取存储器。

C P U CPU CPU

C P U CPU CPU是执行程序,程序由一系列单独的操作组成,称为指令。他们指示计算机做什么,指令不仅仅是数学指令(发给ALU),还可能是 内 存 指 令 内存指令 内存指令( C P U CPU CPU)和内存通信,然后读/写值,接下来我们将专注于功能部分,而不是线的连接。当我们用一条线连接两个组件时,这是所有必要布线的抽象概念,也称其为微体系架构

部件的创立

  • R A M RAM RAM
    假设在内存中只有16个位置,每个位置有8位。
    在这里插入图片描述
  • 寄存器
    给处理器四个八位寄存器,称之为" A , B , C , D A,B,C,D A,B,C,D",用于临时存储值和更改值
    在这里插入图片描述- 程序存储
    我们已经知道数据可以作为二进制存储在内存中,程序也可以存储在内存中在这里插入图片描述
    在这个假设示例中,我们用前四位来储存“操作代码”或者简称“操作码”,后四位填写地址码。可以使寄存器或内存中的地址。
寄存器名称功能
指令地址寄存器存储当前指令的内存地址
指令寄存器$12

在这里插入图片描述

当我们第一次启动,所有的寄存器都从0开始
在这里插入图片描述

步骤

取指令

指令地址寄存器连接 R A M RAM RAM模块

在这里插入图片描述

此值复制到指令寄存器中

在这里插入图片描述

解码

取了指令后,重要的是运行这个指令而不是杀死他。称为解码阶段,接下来,指令由控制单元解码和解释,“控制单元”也是由逻辑门构成,比如为了检验 L o a d   A Load\, A LoadA,需要一个电路检验操作码是否与0010匹配,这可以用一些逻辑门完成。
在这里插入图片描述

解码电路和之前取指电路封装

具体分析解码电路太过繁琐,我们这里继续进行封装,把控制单元封装
在这里插入图片描述

执行代码

  • l o a d   1110 load\, 1110 load1110到 A A A
    在这里插入图片描述
  • l o a d   1111 load\, 1111 load1111到 B B B在这里插入图片描述
  • A D D ADD ADD指令特殊,由于总共有四个寄存器,所以用两位足以,后面是两个寄存器的地址, 00 00 00对应 A A A, 01 01 01对应 B B B。此时将 A L U ALU ALU也集成进 C P U CPU CPU里在这里插入图片描述
  • 控制单元将 A , B A,B A,B的值作为输入传入,再传入 A D D ADD ADD操作码来执行 A D D ADD ADD操作,最后输出值保存到寄存器 A A A中,但他不能写入寄存器 A A A,因为新值会进入 A L U ALU ALU反复和自己相加,因此 A L U ALU ALU用内部寄存器暂时保存输出,关闭 A L U ALU ALU,然后在正确的寄存器中写入值。

访存取数

根据指令需要,有可能要访问主存,读取操作数,这样就进入访存取数阶段。

写回

  • store 像往常一样,我们把地址传给 R A M RAM RAM模块,但不是允许读取而是允许写入,同时打开寄存器 A A A的允许读取,这允许我们使用数据行来传递存储在寄存器 A A A中的数据。

指令地址寄存器自增一

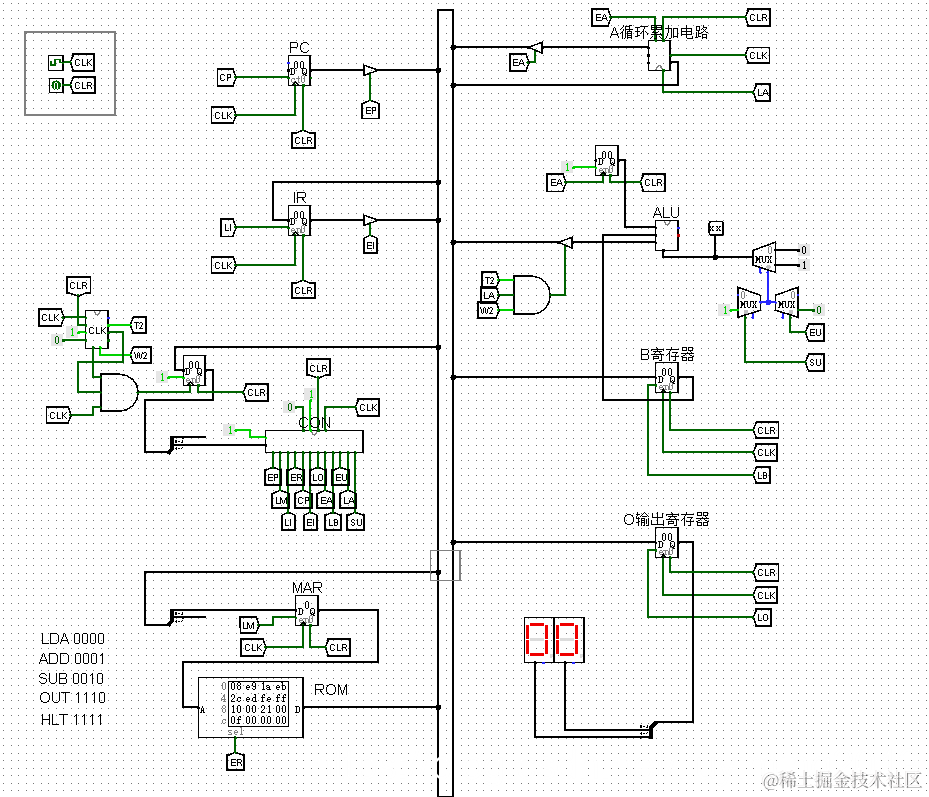
有个时钟利用脉冲控制指令地址寄存器的自增在这里插入图片描述在这里插入图片描述我们的CPU就做好了!
接下来看看logisim的展示:

- A L U ALU ALU
在这里插入图片描述

  • C L K CLK CLK
    在这里插入图片描述
  • C P U CPU CPU
    在这里插入图片描述

参考资料

二进制,寄存器,指令集
计算机组成原理-用logisim设计ALU(8位算术/逻辑运算)