4层PCB设计1

348 阅读5分钟

1 设置板子的基础规则

  • (1)关于PCB规则的导入和导出:基本都是失败的。
  • (2)安全间距问题:6mil最小安全间距,优秀的加工可以达到4mil。
  • (3)过孔规则:内径12mil,外径20mil,优秀的加工可以达到8mil/16mil。
  • (4)线宽要求:6mil,优秀的加工可以达到4mil。
  • (5)一般布线,要求不出现折弯90°的角,也不要出现小于90°。
  • (6)铺铜的连接方式,焊盘,推荐使用热风焊盘,过孔,推荐使用全覆盖。
  • (7)设置机械属性规则:比如丝印,绿油层不重要。
  • (8)关于元器件的高度问题,可以选择设置为0

2 快捷键设置

  • (1)利用shift+鼠标左键,可以进行多选。
  • (2)快速挖空板子切割槽,T V B。
  • (3)按键盘上的3号键(W E上方的),显示3D。
  • (4)显示和关闭飞线的快捷键是N。
  • (5)在3D视觉下,快速恢复到默认状态,是使用0号键。
  • (6)切换单层显示,shift+s。
  • (7)PCB的复制步骤:ctrl+c->选参考点。
  • (8)镜像快捷键:拖动过程中,按X键。
  • (9)删除是:DEL。
  • (10)旋转命令:在PCB中,拖动对象,然后按空格键。
  • (11)在PCB中,设置单位,是Q键。
  • (12)镜像元器件,在拖动对象,然后按L键。
  • (13)整体镜像旋转,V B。
  • (14)快速查找相似对象,E N。
  • (15)高亮某一个焊盘网络,ctrl+鼠标左键点选,如果是多个网络高亮,是ctrl+shift+鼠标左键。
  • (16)可以使用~键(1号键前面),可以打开当前操作过程中的所有快捷键。
  • (17)可以同过shift+c,接触过滤。
  • (18)按键盘上M键,可以调出移动命令,可以选择使用移动单个对象或者是按一定距离进行移动。
  • (19)开启捕获功能,是选中PCB的空白区域,右键选中属性,对其进行修改。

3 设计开发要点

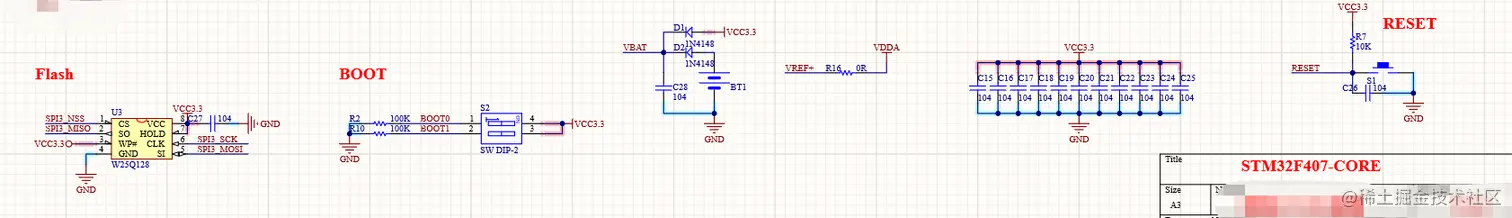
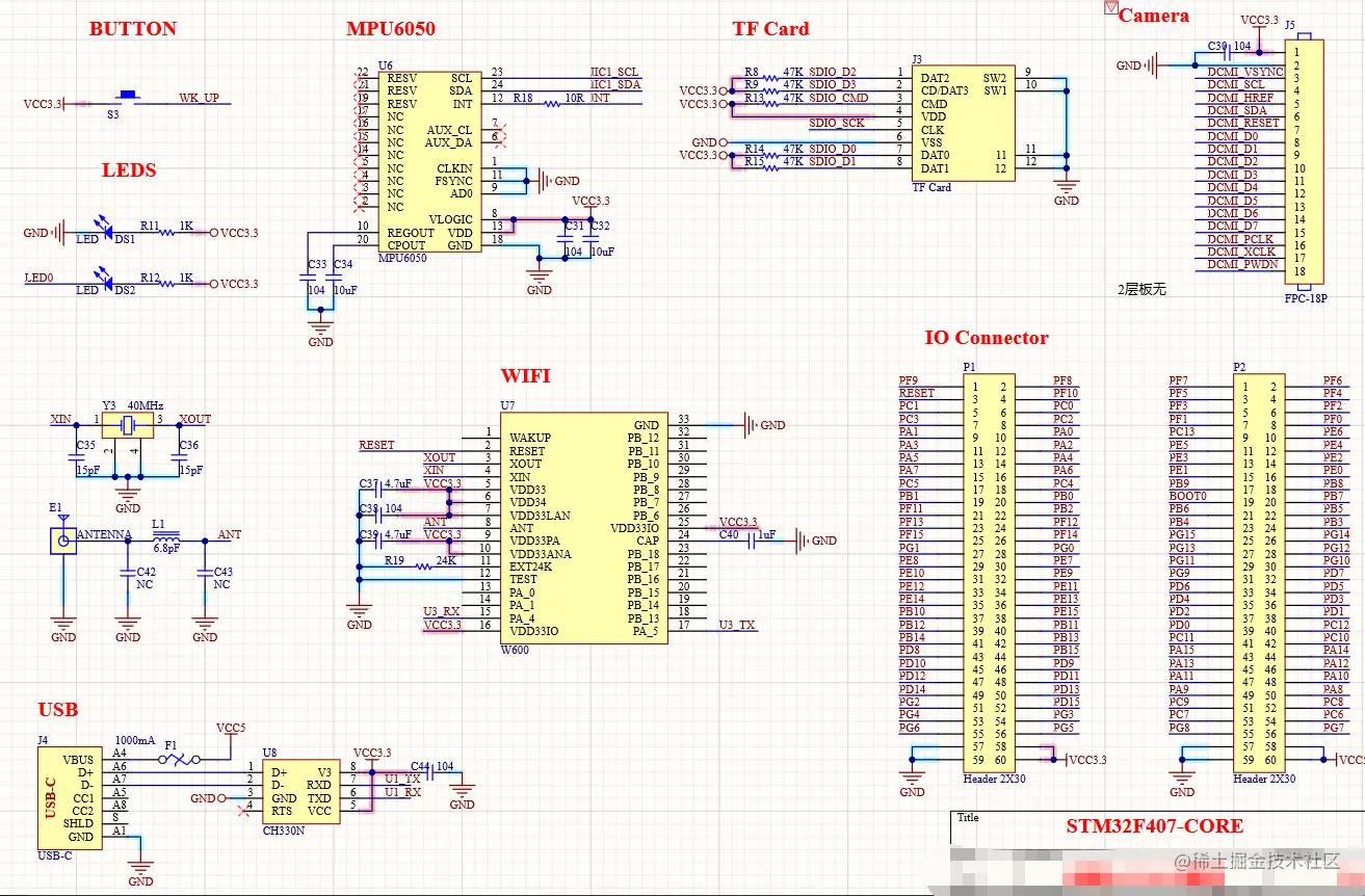
3.1 原理图

image.png image.png image.png image.png image.png

3.2 历史工程目录路径修改

image.png image.png

3.3 PCB导入

  • 尺寸导入

      (1)单位要注意;
      (2)可以适当的设置线宽 5mil。
      (3)板子边框层一定要放在机械1层(不再推荐使用keepout层作为板子边框)。
      (4)一般情况下,机械15层用于标注、特殊说明等。
      (5)一般选择闭合区域,重新定义板子的边框。
      (6)一般情况下,可以将板子边框、尺寸定位等其他固定的对象,进行锁定。
    

image.png image.png image.png

  • 显示机械15 image.png
  • 修改层属性到机械15层 image.png image.png
  • 重新定义板子边框 image.png image.png image.png
  • 挖空槽设计(TVB) image.png image.png
  • 网表导入与封装关联,关联的步骤:原理图中->工具->封装管理器,对每一个元器件进行重新关联封装。 image.png image.png image.png
  • 导入网表的执行位置:是在PCB中,使用的是inport。注意事项:一定要是相同工程下的文件。不可以Free类型。在弹出导入框之前的所有的提示,全部选择OK或者Yes。不添加任何ROOM,不添加任何Class。跳过验证!!!直接更新!!! image.png image.png image.png image.png
  • 捕获设置,空白区域,右键选择属性 image.png image.png
  • 开天窗设计,先划线在机械15层绘制闭合区域,再切换到Top Solder层 image.png image.png
  • 工具->创建闭合区域,阻止绿油覆盖区域 image.png image.png image.png
  • 镜像快捷键,Crtl+C,然后选择参考点,然后Crtl+V特殊粘贴, 拖动过程中,按X键换方向。 image.png image.png
  • 前后两层均需要开天窗 image.png

5 布局

image.png

  • 设置原点 image.png
  • 设置向导线 image.png image.png
  • 单位切换(Q) image.png
  • 规划布局 image.png
  • 镜像元器件,在拖动对象,然后按L键。放到背面 image.png image.png image.png
  • 小元件先聚合 image.png image.png image.png image.png image.png

6 丝印调整

  • 布局时,可以适当调整丝印大小,方便观察就可以了。通常情况下,板厂对丝印的加工,推荐宽度是6mil,高度是30mil。修改的过程,可以使用快速查找相似对象,然后使用PCB Inspector,任何批量修改相似属性。
  • 快速查找相似对象,E Nimage.png image.png
  • 对齐丝印(将丝印与元器件的位置进行对齐),是选中元器件,而不是丝印。然后右键,对齐,然后选中文本对齐 image.png image.png
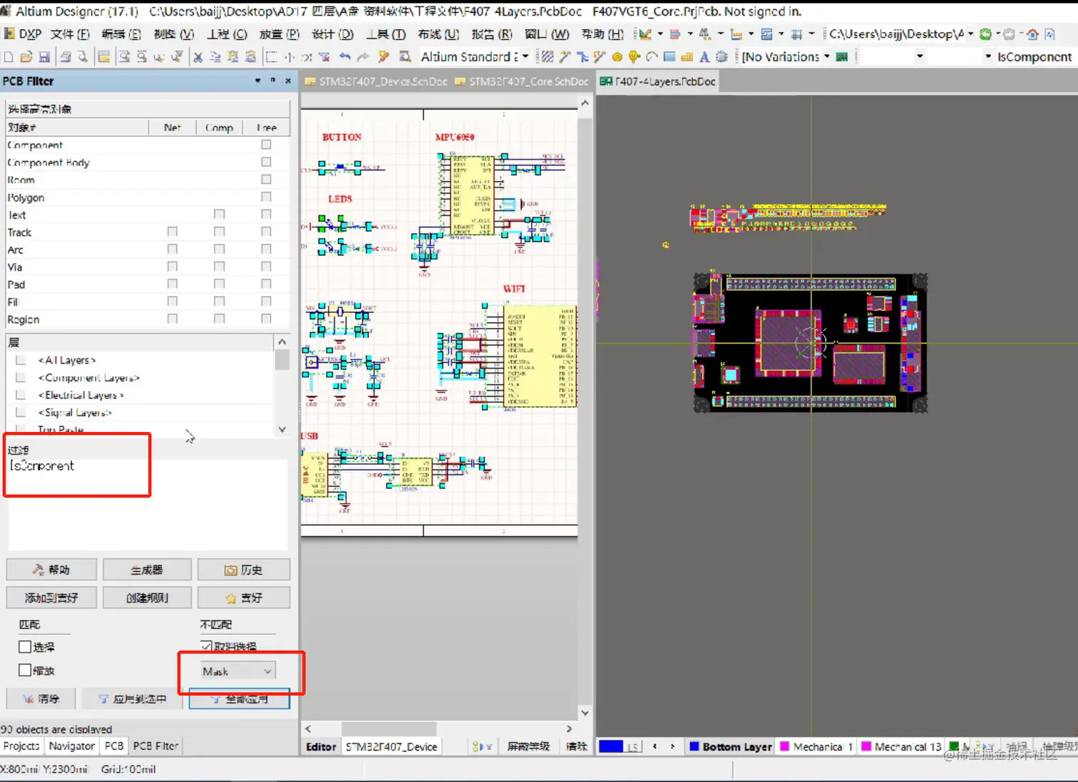
  • 过滤器,批量对齐,可以使用过滤器,对不同的对象进行筛选。可以使用Query语句,进行批量筛选 image.png image.png
  • 开启快速从新定位元器件,优选项->System->Navigation。 image.png image.png
  • 修改栅格的显示样式,是通过修改坐标系的样子,然后可修改全局栅格大小,一般使用2mil image.png image.png image.png image.png
  • 当希望对齐的时候,可以通过shift+选中元器件,不断的调整,使其与周围的元器件或者焊盘进行对齐
  • 高亮某一个焊盘网络,ctrl+鼠标左键点选,如果是多个网络高亮,是ctrl+shift+鼠标左键。
  • 局部的布局,是使用交互式布局方案,然后利用模块化布局的方式,实现逐一布局。

7布线

  • 12mil天线线宽 image.png
  • 布线时,往往会对一些网络追加网络颜色,一种是,直接从原理图中,带过来的颜色。 image.png
  • 另外一种是,可以直接手动设置,在手动进行网络颜色配置时,在PCB面板下设置 image.png
  • 当对某一个网络,需要进行快速多选,先选中一小段,然后按TAB,可以快速选中整段。 image.png
  • 可以通过shift+c,解除过滤
  • 当对某一类的网络需要进行规划管理的时候,可以使用class的方式 image.png image.png image.png image.png
  • 关于布线时,自动加过孔。先布线时,拉出一小段线,然后按2号键,就可以实现自动追加过孔
  • CPU 周边走线,线宽6mil
  • 布线时,信号线不要出现90°折弯,但是电源网络和GND网络,可以使用90°。 image.png
  • 布线时,可以优先只使用一层,当一层布线完毕之后,再使用另外一层。 image.png image.png image.png
  • 当希望在3D模式下,显示网络线,是需要修改对应Solder层的透明度的。 image.png image.png image.png