嵌入式LCD屏多种控制驱动及硬件相关技术-综合

1,185 阅读4分钟

1 屏简介

  • TFT-LCD 即薄膜晶体管液晶显示器。其英文全称为:Thin Film Transistor-LiquidCrystalDisplay。
  • TFTLCD屏有2.8’/3.5’/4.3’/7’等 4 种大小的屏幕可选。如:3.5 寸分辨率为:320×480,4.3 寸和 7 寸分辨率为:800×480,2.8 寸TFTLCD 模块支持 65K 色显示,显示分辨率为 320×240,接口均为 16 位的 80并口,自带触摸屏。
  • RGB屏是高分辨率的屏(超过800*480),一般都没有 MCU 屏接口,而是使用 RGB 接口的。
  • LCD 显示器,如 720P、1080P、2K 或 4K ,这个就是 LCD 显示器分辨率,1080P 的意思就是一个 LCD 屏幕上的像素数量是19201080 个,也就是这个屏幕一列 1080 个像素点,一共 1920 列,2K 就是 25601440 个像素点,4K 是3840*2160 个像素点。很明显,在 LCD 尺寸不变的情况下,分辨率越高越清晰。

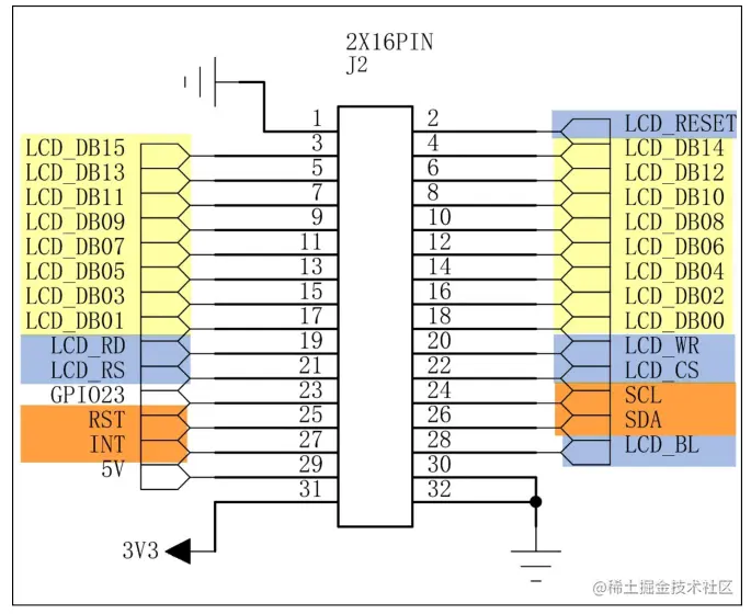
2 MCU 屏(FMC驱动)

2.1 原理图

image.png

2.2 MCU 屏控制器NT35510

  • NT35510 的主要控制信号线和配置引脚,根据其不同状态设置可以使芯片工作在不同的模式,如每个像素点的位数是 8、16 还是 18 位;可配置使用 SPI 接口、8080 接口还是RGB 接口与 MCU 进行通讯。MCU 通过 SPI、8080 接口或 RGB 接口与 NT35510 进行通讯,从而访问它的控制寄存器 (CR)、地址计数器 (AC)、及 GRAM。
  • NT35510 控制器根据自身的 IM[3:0] 信号线电平决定它与 MCU 的通讯方式,它本身支持 SPI 及8080 通讯方式
  • 液晶屏内部包含有一个液晶控制芯片 NT35510,它的内部结构非常复杂,该芯片最主核心部分是位于中间的 GRAM(Graphics RAM),它就是显存。GRAM 中每个存储单元都对应着液晶面板的一个像素点。它右侧的各种模块共同作用把 GRAM 存储单元的数据转化成液晶面板的控制信号,使像素点呈现特定的颜色,而像素点组合起来则成为一幅完整的图像。 image.png image.png
  • 液晶屏的信号线及 8080 时序 image.png image.png
  • 写命令时序由片选信号 CSX 拉低开始,对数据/命令选择信号线 D/CX 也置低电平表示写入的是命令地址 (可理解为命令编码,如软件复位命令:0x01),写信号 WRX 为低,读信号 RDX 为高表示数据传输方向为写入,同时,在数据线 D[23:0](或 D[15:0]) 输出命令地址
  • 在第二个传输阶段传送的是命令的参数,D/CX 要置高电平,表示写入的是命令数据,命令数据是某些指令带有的参数,如复位指令编码为 0x01, image.png
  • 当需要把像素数据写入 GRAM 时,过程很类似,把片选信号 CSX 拉低后,再把数据/命令选择信号线 D/CX 置为高电平,这时由 D[23:0] 传输的数据则会被 NT35510 保存至它的 GRAM 中。 image.png image.png

image.png

image.png

image.png

image.png

image.png image.png image.png image.png image.png image.png image.png image.png

2.3 MCU 屏控制器ILI9341

  • TFT-LCD 驱动芯片有:ILI9341/NT35310/NT35510/SSD1963 等 image.png
  • ILI9341 在 16 位模式下面,数据线有用的是:D17-D13 和 D11-D1,D0和 D12 没有用到,实际上在我们 LCD 模块里面,ILI9341 的 D0 和 D12 压根就没有引出来,这样,ILI9341 的 D17-D13 和 D11-D1 对应 MCU 的 D15-D0
  • 80 并口控制,模块的 80 并口有如下一些信号线:
    • CS:TFTLCD 片选信号。
    • WR:向 TFTLCD 写入数据。
    • RD:从 TFTLCD 读取数据。
    • D[15:0]:16 位双向数据线。
    • RST:硬复位 TFTLCD。
    • RS:命令/数据标志(0,读写命令;1,读写数据)

2.4 MCU屏控制器ILI9806

image.png
image.png
image.png

  • 经验值,不用完全参考手册

image.png image.png image.png image.png image.png image.png image.png image.png

  • 若需要AO地址线置1,则需要偏移HADDR第1位置1 image.png image.png image.png image.png

image.png

3 RGB屏(LTDC驱动)

image.png image.png image.png image.png image.png image.png

  • 液晶屏有一个显示指针,它指向将要显示的像素。显示指针的扫描方向方向从左到右、从上到下,一个像素点一个像素点地描绘图形。这些像素点的数据通过 RGB数据线传输至液晶屏,它们在同步时钟CLK的驱动下一个一个地传输到液晶屏中,交给显示指针,传输完成一行时,水平同步信号 HSYNC电平跳变一次,而传输完一帧时 VSYNC 电平跳变一次。 image.png image.png image.png image.png image.png image.png image.png image.png image.png image.png image.png image.png image.png
  • 显存操作 image.png
  • DMA2D image.png

image.png

image.png image.png