科技不总是冷冰冰,智能便携标签打印机让你的文字更有温度!

278 阅读3分钟

可进入原文获取 [智能便携标签打印机]( 智能便携打印机_三明治开发社区的博客-CSDN博客)完整软硬件开源资料。

现代的通讯越来越便捷,大家的的远程交流都是在微信、QQ等线上聊天工具中完成的了。这种即使通讯的方式在给大家带来便利的同时,也在一定程度上减少了收到信件的那种真实感;不像老一辈们可以将与朋友、爱人沟通的珍贵信件珍藏,多年以后翻看起来又有一番滋味。如何既能保留通讯的便捷、还能享受纸质信件的触感。涂鸦的”攻城狮"碰巧看到妹妹的错题打印机,灵机一动想到了可以做一个无线热敏打印机,通过WiFi连接且可以便捷携带在身边,随时享受“飞鸦传书”。

一.硬件方案:

智能便携打印机方案是基于涂鸦智能的低功耗 Wi-Fi&Bluebooth LE双模组作为控制单元和无线连接单元,同时接收云端下发的打印数据,以此来控制打印机芯的加热头和步进电机进行打印。

image.png 硬件选型和设计原理:

1.  打印机芯

打印机芯用Seiko的LTP02-245-13 ,这款机芯尺寸和功能支持打印图片、长段文字,且提醒小巧适用于携带型打印机。

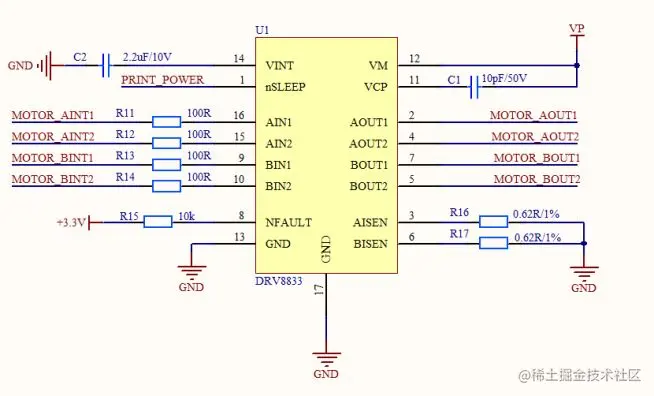
2.  电机驱动

为了匹配打印机芯中PM步进电机,单独设计出电机驱动电路,如下图。 电机驱动芯片选择TI的DRV8833芯片,该芯片具有两个H桥驱动器,可以驱动一部步进电机。

image.png 3.主控

主控是基于涂鸦智能的一款低功耗 Wi-Fi&Bluetooth LE双模组设计的,原理图如下:

image.png

4.指示灯/按键板

为了让智能便携打印机外观更加美观,将按键\指示灯线路板与主控板部分分开,两者使用FPC软排线连接,便于指示灯\按键线路板摆放在更合理的位置。

5.  电源

为满足打印机芯的工作电压(5.5V to 9.5V&3.0V to 3.6V)、电机驱动芯片工作电压、CBU模组的工作电压(3.0V to 3.6V)以及外出携带便捷性的需求,电源部分电路设计使用可充电的两节18650 串联的锂电池(电池容量为3200mAH 、电压 7.4V )为系统供电,再使用BUCK电路将电池电压输出为3.3V为其余部分电路供电。 二.软件方案介绍

1.打印实现方案

image.png 2.打印功能实现

智能打印机工作原理是通过步进电机和热敏头的协同工作来实现字符和图片的打印。 打印头与涂鸦Wi-Fi&Bluetooth LE双模模组之间通过SPI进行数据通信,具体打印步骤为:

(1)模组每次向热敏头发送48位数据

(2)热敏头接收到数据后在CLK信号的上升沿将数据传输到移位寄存器。

(3)一行(48位)数据传输完成后将/LAT信号拉低紧接着拉高把数据存储到锁存寄存器中。

(4)将DST信号拉高激活打印元件,接着使步进电机转动两步完成一点行的打印。

(5)在电机转过两步后要及时将DST信号拉低,长时间加热会损坏加热元件甚至冒烟。

image.png 我们还可以在打印功能实现原理基础上增加打印份数、打印状态、电量显示、低电量报警、缺纸报警等功能,在这里就不做详细描述,开源已上传到GitHub,感兴趣的同学可以自行操作&练习。

GitHub:github.com/Tuya-Commun…

上期精彩回顾:[学会这个操作让女生约会不再迟到男生不必等待](学会这个操作,让女生约会不再迟到男生不必等待 - 掘金 (juejin.cn))

企业微信截图_16258179351799.png