6、二极管整流器和稳压器

455 阅读10分钟

第 6 章:二极管应用(电源、稳压器和限幅器)

6.1 整流器

整流器是一种将交流电 (AC) 转换为直流电 (DC) 的电气设备,这一过程称为整流。整流器有许多用途,包括作为电源的组件和无线电信号的调幅检测器(包络检测器)。整流器最常使用固态二极管制成,但当涉及非常高的电压或电流时,也可以使用其他类型的组件。当仅使用单个二极管来整流交流电(通过阻止波形的负或正部分)时,术语二极管和术语整流器之间的区别只是用法之一。术语整流器描述了用于将交流电转换为直流电的二极管。

6.1.1 半波整流

在半波整流中,交流波的正半部分或负半部分通过,而另一半则被阻挡。因为只有一半的输入波形到达输出端,如果用于功率传输,效率只有 50%。半波整流可以在单相电源中使用单个二极管实现,如图 6.1 所示,或者在三相电源中使用三个二极管。

图 6.1 使用一个二极管的半波整流器

给定正弦输入,半波整流器的输出直流电压可以用以下理想方程计算:

6.1.2 全波整流

全波整流器在其输出端将输入波形的正负两半转换为单一极性(正或负)。通过使用交流波形的两半,全波整流比半波更有效。

当使用没有中心抽头次级的简单变压器时,需要四个二极管而不是半波整流所需的一个。以这种方式排列的四个二极管称为二极管桥或桥式整流器,如图 6.2 所示。桥式整流器还可用于将未知或任意极性的直流输入转换为已知极性的输出。在两条电话线上的直流极性未知的电子电话或其他电话设备中,这通常是必需的。在电池供电的电路中,还有一些应用可以防止电池意外反转。

图 6.2 桥式整流器:使用 4 个二极管的全波整流器。

对于单相交流电,如果变压器采用中心抽头,那么两个二极管背对背(即阳极对阳极或阴极对阴极)可以组成一个全波整流器。与上述桥式整流器相比,变压器次级绕组需要两倍的绕组才能获得相同的输出电压。从变压器的角度来看,这不是那么有效,因为在交流输入的每个正负半周期间,电流仅流入次级的一半。

图 6.3 使用中心抽头变压器和 2 个二极管的全波整流器。

如果如图 6.4 所示包含第二对二极管,则可以产生相对于变压器中心抽头的正极性和负极性电压。从图 6.2 可以看出,这种布置与在全波桥式整流器的次级绕组上增加一个中心抽头是一样的。

图 6.4 使用中心抽头变压器和 4 个二极管的双极性全波整流器。

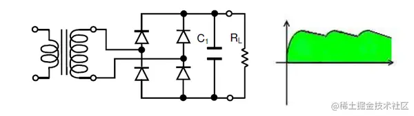
6.1.3 整流器输出平滑

正如我们在前面的图中看到的那样,半波或全波整流不会产生恒压直流电。为了从整流交流电源产生稳定的直流电压,需要一个滤波器或平滑电路。在最简单的形式中,这可以只是一个跨接整流器直流输出端的电容器。在电压未完全平滑的情况下,仍会保留一定量的交流纹波电压。剩余纹波的幅度取决于负载在波形峰值之间对电容器放电的程度。

图 6.5(a) 半波整流 RC 滤波器

图 6.5(b) 全波整流 RC 滤波器

滤波电容器 C 1 的大小代表了一种权衡。对于给定的负载 R L,较大的电容器会降低纹波,但成本会更高,并且会在变压器次级和为其供电的电源中产生更高的峰值电流。在将许多整流器加载到配电电路上的极端情况下,配电网可能难以保持形状正确的正弦电压波形。

对于给定的容许纹波,所需的电容器尺寸与负载电流成正比,与电源频率和每个输入周期的整流器输出峰值数量成反比。负载电流和电源频率通常不受整流器系统设计者的控制,但每个输入周期的峰值数量会受到整流器设计选择的影响。全波整流器电路的最大纹波电压不仅由平滑电容器的值决定,还由频率和负载电流决定,计算公式如下:

其中: V纹波是直流输出上的最大纹波电压 I负载是直流负载电流 F 是纹波的频率(通常是交流频率的 2倍) C 是平滑电容器

图 6.5(a) 中的半波整流器每个周期仅给出一个峰值,因此和其他原因仅用于非常小的电源,并且需要考虑成本和复杂性。图 6.5(b) 中的全波整流器每个周期实现两个峰值,这是单相输入所能达到的最佳状态。对于三相输入,三相电桥每个周期会产生六个峰值,通过使用放置在整流器之前的变压器网络转换为更高的相序,可以获得更多的峰值。

为了进一步降低这种纹波,可以使用如图 6.6 所示的 LC π 滤波器(pi 滤波器)。这通过串联电感器 L 1和第二个滤波电容器 C 2 来补充储存电容器 C 1,从而可以在最终滤波电容器的端子上获得更稳定的 DC 输出。串联电感在纹波电流频率下呈现高阻抗。

图 6.6 LC π-滤波器(pi-filter)

如果 DC 负载需要非常平滑的电源电压,则更常用的滤波器替代方案是在滤波电容器之后连接一个稳压器,我们将在第 6.3 节中讨论。滤波电容需要足够大,以防止纹波波谷低于所用稳压器的压差。稳压器既可以消除最后的纹波,又可以处理电源和负载特性的变化。可以使用较小的滤波电容器(对于大电流电源可能较大),然后应用一些滤波以及稳压器,但这不是常见的设计策略。这种方法的极端是完全省去滤波电容器,并将整流波形直接放入电感输入滤波器。该电路的优点是电流波形更平滑,因此整流器不再需要在输入正弦波的峰值处将电流作为大电流脉冲处理,而是将电流传递分布在更多的循环。缺点是电压输出要低得多 - 大约是交流半周期的平均值而不是峰值。

6.2 倍压整流器

简单的半波整流器可以内置两个版本,二极管指向相反的方向,一个版本将输出的负极直接连接到交流电源,另一个将输出的正极直接连接到交流电源。通过将这两者与单独的输出平滑电容器相结合,可以获得几乎是峰值交流输入电压两倍的输出电压,如图 6.7 所示。这还在中间提供了一个抽头,允许将此类电路用作分离轨(正负)电源。

图 6.7 简单的倍压器。

一种变体是使用两个串联电容器在桥式整流器上进行输出平滑,然后在这些电容器的中点和交流输入端子之一之间放置一个开关。当开关打开时,该电路将像一个普通的桥式整流器一样,当它关闭时它将像一个倍压整流器。换句话说,这可以很容易地从世界上任何主电源中获得大约 320V(+/- 约 15%)的直流电压,然后可以将其馈入相对简单的开关模式电源。

部分回顾:

  • 整流是将交流电 (AC) 转换为直流电 (DC)。

  • 半波整流器是一种电路,它只允许将交流电压波形的一个半周期施加到负载,从而在负载上产生一个非交替极性。输送到负载的由此产生的直流电显着“脉动”。

  • 全波整流器是一种将交流电压波形的两个半周期转换为连续的同极性电压脉冲序列的电路。由此产生的输送到负载的直流电不会“脉动”那么多。

  • 电容器用于平滑或过滤整流 DC 中存在的纹波,有时会使用使用电感器和电容器的更复杂的滤波器。

6.3 稳压二极管作为稳压器

齐纳二极管广泛用作电压参考和并联稳压器,以调节小电路上的电压。当与可变电压源并联时,例如我们刚刚讨论的二极管整流器,使其反向偏置,当电压达到二极管的反向击穿电压时,齐纳二极管导通。从那时起,二极管相对较低的阻抗使二极管两端的电压保持在该值。

图 6.8 齐纳二极管参考电压

在图 6.8 所示的电路中,是一个典型的并联稳压器,输入电压V IN被调节到稳定的输出电压V OUT。二极管 D Z的反向偏置击穿电压在很宽的电流范围内是稳定的,即使输入电压可能在相当宽的范围内波动,也能保持V OUT相对恒定。由于这样操作时二极管的低阻抗,串联电阻 R S用于限制通过电路的电流。

在这个简单参考的情况下,二极管中流动的电流是使用欧姆定律和电阻器 R S 上的已知压降确定的。

I_Diode = (V_IN - V_OUT) / R_S

R S的值必须满足两个条件:

  • R S必须足够小,以便通过 D Z的电流使 D Z保持反向击穿。该电流的值在制造商的 D Z数据表中给出。例如常见的 BZX79C5V6 器件,一个 5.6 V 0.5 ? 齐纳二极管,推荐反向电流为 5 mA。如果通过 D Z 的电流不足,则V OUT将不受调节,并且低于标称击穿电压。在计算 R S 时,必须考虑通过可能连接到V OUT 的任何外部负载的任何电流,图中未显示。
  • R S必须足够大,以使通过 D Z的电流不超过额定最大值并损坏设备。如果通过 D Z的电流为 I D、其击穿电压V B和最大功耗 P MAX,则:

I_D * V_B < P_MAX

在这个参考电路中,可以在二极管两端放置一个负载,只要齐纳二极管保持反向击穿,二极管就会为负载提供稳定的电压源。这种配置中的齐纳二极管通常用作更复杂的稳压器电路的稳定参考,这些稳压器电路涉及缓冲放大器级以向负载提供大电流。

并联稳压器很简单,但要求镇流电阻 R S足够小以避免在最坏情况下工作(低输入电压与高负载电流)期间的过度压降往往会导致大量电流流入二极管大多数情况下,这是一个效率相当低的稳压器,具有高静态功耗,仅适用于较小的负载。

这些器件通常与基极-发射极结串联,在晶体管级中也会遇到,其中选择性选择以雪崩或齐纳点为中心的器件可用于引入晶体管 PN 结的补偿温度系数平衡。这种用途的一个例子是在稳压电源电路反馈回路系统中使用的直流误差放大器。

附带说明:稳压二极管也用于浪涌保护器以限制瞬态电压尖峰。齐纳二极管的另一个显着应用是在永不重复的随机数发生器中使用由雪崩击穿引起的噪声。

稳压器设计示例:

需要5V的输出电压,需要60mA的输出电流。

我们首先必须选择一个齐纳二极管,V Z = 4.7V,这是最接近的可用值。

我们需要确定标称输入电压,它必须比V Z大几伏。对于此示例,我们将使用V IN = 8V。

根据经验,我们选择通过齐纳二极管的标称电流为所需输出负载电流的 10% 或 6mA。这然后确定将流过 R S的电流 I max = 66mA (输出电流加 10%)。

串联电阻 R S = (8V - 4.7V) / 66mA = 50Ω,我们会选择 R S = 47Ω 这是最接近的标准值。

电阻额定功率 P RS > (8V - 4.7V) × 66mA = 218mW,所以我们选择 P RS = 0.5W

当输出负载为零电流时,齐纳管中可耗散的最大功率可计算为 P Z > 4.7V × 66mA = 310mW,因此我们将选择 P Z = 400mW。

练习 6.3.1

对于所示电路,如果电源电压V IN增加,负载电阻 R L两端的电压将:\

  1. 增加

  2. 减少

  3. 保持不变

对于所示电路,如果电源电压V IN降低,负载电阻 R L两端的电压将:

  1. 增加

  2. 减少

  3. 保持不变

对于所示电路,如果电源电压V IN增加,串联电阻 R S两端的电压将:

  1. 增加

  2. 减少

  3. 保持不变

对于所示电路,如果电源电压V IN增加,通过负载电阻 R L的电流将:

  1. 增加

  2. 减少

  3. 保持不变

对于所示电路,如果电源电压V IN降低,则通过齐纳二极管 D Z的电流将:

  1. 增加

  2. 减少

  3. 保持不变

对于所示电路,如果电源电压V IN增加,则通过串联电阻 R L的电流将:

  1. 增加

  2. 减少

  3. 保持不变