【蓝桥杯单片机】第十七章 矩阵键盘

353 阅读3分钟

第一节    硬件解读

在上面几章中,为大家介绍了独立按键,本章将为大家介绍矩阵键盘。

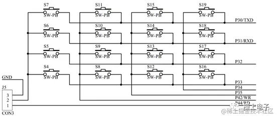
独立按键每一个引脚控制一个按键,矩阵键盘由4行4列组成16个按键。如下图,要保证J5选择COM口。以S9为例,分别连接到P32与P42。如果P32和P42两引脚都为低电平,那么才代表S9被按下。

图片

第二节    程序编写

图片

图片

图片

图片

图片

图片

图片

图片

图片

图片

图片

图片

图片

图片

第三节    实验现象

实验要求:

       1:USB1插上电脑。

       2:J13选择”IO”模式。

       3:打开开发板开关S3。

       4:J5选择KBD模式。

实验现象:

       1:L9作为电源指示灯,常亮。

       2:数码管末位显示"00",按下Sx,数码管显示“xx”。如按下S7,数码管显示"07"。

注意事项:

       1:数码管有残影,属于正常现象。

       2:矩阵键盘并没有利用while语句释放按键,如有需要,请参考独立按键。

图片

往期精彩

【1】【蓝桥杯单片机】第十六章 独立按键(松开有效)

【2】【蓝桥杯单片机】第十五章 独立按键(按下有效)

【3】【蓝桥杯单片机】第十四章 定时器/计数器(实验)

【4】撞上电子1000粉丝福利

【5】免责声明

图片

说明:

1:撞上电子公众号秉持着免费的服务,永远的开源这一宗旨,为广大电子或电子相关专业的大学生提供比赛教程。

2:免费领取比赛资料,资料请联系人工客服。

3:其他平台:

    微信公众号:撞上电子

    掘金:撞上电子

    头条号:撞上电子

4:原创内容,禁止转载,禁止用于商业用途,违者必究。