【蓝桥杯单片机】第十五章 独立按键(按下有效)

459 阅读3分钟

第一节    硬件解读

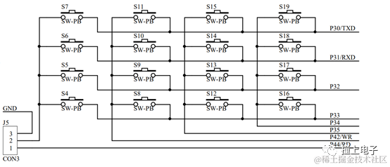
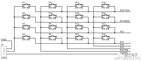
在蓝桥杯单片机开发板上面,独立按键的原理图如下:

   

图片

从上图可以看出,独立按键分别是S4,S5,S6和S7,它们的引脚分别是P33,P32,P31和P30。

在使用独立按键模块的时候,需要将J5的跳线帽选择到2-3端口,以保证独立按键的一段已经连上GND。

现在来说说独立按键的原理,以按键S7为例,在按键平时不工作的状态下,P30口并未与GND导通,一旦按键被按下,GND立马与P30导通,导致P30口为低电平。反而推之,如果P30==0,那么按键一定被按下。

但是有没有这一种情况?我没有要按下按键,只是碰到了,发生了“误触按键”,这就需要我们来对“误触按键”进行一次过滤。怎么过滤呢?只需要在按下按键之后,过了一段时间,如果按键还是被按下,那么它就是实实在在的被按下,如果过了一段时间,P30不为低电平,那么该次即为“误触按键”。

图片

第二节   程序编写

图片

图片

图片

图片

图片

图片

图片

图片

图片

       本程序非常简单,就不过多解释了。

第三节   实验现象

实验要求:

       1:USB1插上电脑。

       2:J13选择”IO”模式。

       3:打开开发板开关S3。

       4:J5选择“BTN”模式。

实验现象:

       1:L9作为电源指示灯,常量。

       2:按下对应的Sx,Lx点亮,按下立刻有效,无需等待释放。比如按下S6,L6点亮。

注意事项:

       1:按下立刻有效,无需等待释放。

图片

往期精彩

【1】【蓝桥杯单片机】第十四章 定时器/计数器(实验)

【2】撞上电子1000粉丝福利

【3】免责声明

【4】蓝桥杯电子组教程汇总

【5】【蓝桥杯单片机】第十三章 中断系统与定时器/计数器(理论)

图片

声明:

1:撞上电子公众号秉持着免费的服务,永远的开源这一宗旨,为广大电子或电子相关专业的大学生提供比赛教程。

2:免费领取比赛资料,资料请联系人工客服。

3:原创内容,禁止转载,禁止用于商业用途,违者必究。