我用10块钱修好了笔记本电脑

792 阅读5分钟

最近,我的笔记本电脑坏了,然后自己用10块钱修好了。

太长不看版:笔记本异常发热>拆主板>热成像仪看发热点>芯片烧坏>主板原理图查找>LDO芯片拆卸>购买芯片>更换>成功开机。

2015年大二,我在实体店买了人生第一台电脑,平时不怎么玩游戏,所以选择了配置一般的联想G50-80,当时并不知道它还有个响当当的名字——“学霸机”,现在还能在网络上搜索到相关的梗!

联想学霸机

自从毕业后,工作都是使用公司的电脑,这台电脑就很少使用了,但是也一直插着电源,这不是个好习惯。最近发现C面外壳有个位置异常的热,即使不开机,用手摸着也很烫,虽然也能正常开机,但总是不放心。于是周末拿到公司,使用公司的热成像仪来看一下到底是什么位置发热,所有螺丝拆掉,各种排线断开,硬盘,内存条,散热扇风等拆下。

主板正反面

主板取下,单独供电,使用热成像仪查看,不看不知道,一看吓一跳!热点一目了然,电源接上后,没有3秒钟,主板上有个发热点——108摄氏度!

主板热点

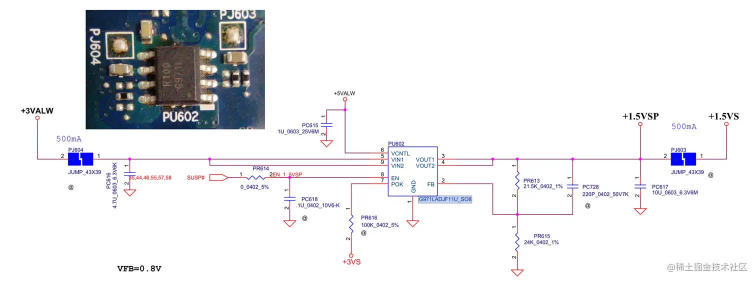
再看看主板上的位置,是一颗编号为PU602的芯片,SO-8封装,从周围电源和电阻分布来看,初步判断这是一颗电源芯片,看来这颗芯片应该是烧掉了。

主板上发热的芯片

使用万用表测量周围的几颗电容,结果都是短路状态,从之前能开机的状态来看,万幸的是没有把CPU等主要器件烧坏。

看能不能找到芯片的型号,然后买一颗芯片换上试一试。首先想到的是找联想的售后客服看能不能确定一下这个芯片型号,其实我对于联想的人工客服还是挺有好感的,这台机器2017年就过保修期了,之后也出现过各种小问题,售后也都很耐心的进行解答,提供一些小工具。所以这次还是先向联想的售后客服寻求帮助。遗憾的是,客服并不知道这是什么型号,也无法提供任何资料。

与联想售后客服的交流

于是在百度上看看能不能在网络上找到主板的图纸,于是搜索关键字:联想 G50 图纸,发现只有一家电脑维修的论坛上有这个资料,但是下载需要积分,而积分充值需要支付10元,作为白嫖党,怎么能充值呢?哈哈😄

某电脑维修论坛的图纸

虽然百度上没有找到相关的文档,还是从上面的这个搜索结果中,发现了主板的型号,再看看主板上,确实有个型号:ACLU3/ACLU4 NM-A361 Rev: 1.0 2014-10-10

主板型号

搜搜这个型号看看,换了Google搜索引擎,在国外的一家电脑维修网站www.alisaler.com,找到了这块主板的原理图,出自联想研发中心联宝科技,总共59页,从原理图风格来看,是使用Candence Allegro绘制。

主板硬件整体框图

有对电脑主板感兴趣的朋友,可以到文末获取原理图文件下载链接。

实际主板原理图版本是V1.0,而找到的这个是V0.4,差别应该不是太大,可以参考,打开原理图搜索PU602,找到了这颗芯片的型号:G971LADJ,电路如下:

PU602原理图电路

这是致新科技的一款LDO芯片,3v转换为1.5v,通过两颗电阻来设置输出电压值。遗憾的是这款芯片已经停产,官网上都搜索不到这款芯片,只找到了G971M这款芯片的相关资料:

G971M数据手册

这颗芯片输出的1.5v电源,会给CPU热传感器供电,1.5v转换成1.2v给VGA芯片供电,很奇怪之前为什么能开机。在找主板图纸的过程中,发现了另一款G40系列电脑的主板,同样的标号PU602,使用的为APL5930KAI,也就是说可以使用原装的G971LADJ或者APL5930KAI来进行替换。

有了芯片资料,先把烧坏的芯片拆了下来,然后买个新的换上试试看。从数据手册上来看,这颗芯片的电流较大,芯片底部有个大焊盘来散热,使用热风枪极其的难拆:

LDO拆卸后

拆下芯片后,再测量之前短路的几颗电容,都不短路了,还好只是芯片坏了,没有损坏其他元件。

在万能的某宝上搜搜到了G971L这颗芯片,只有一家店铺在卖这款芯片,买了3片,合计12.5元:

淘宝芯片

3天后,芯片到货,使用热风枪焊接上芯片后,重新组装,正常开机,Perfect!

整个维修过程简单来说:异常发热>拆主板>找发热点>芯片烧坏>原理图查找>LDO芯片拆卸>购买芯片>更换>成功启动。其实应该先备份数据的,否则换上芯片后如果不能使用,再导致电源短路就损失比较大了。

联想G50/G40系列主板图纸原理图PDF文件下载,关注我的公众号【电子电路开发学习】,在后台对话框回复【联想主板】关键字,获取资料压缩包下载链接。

联想主板资料

声明:主板原理图文件仅供学习交流使用