【蓝桥杯单片机】第十章 数码管(基础篇)

486 阅读4分钟

第一节    硬件解读

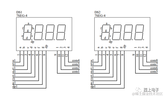
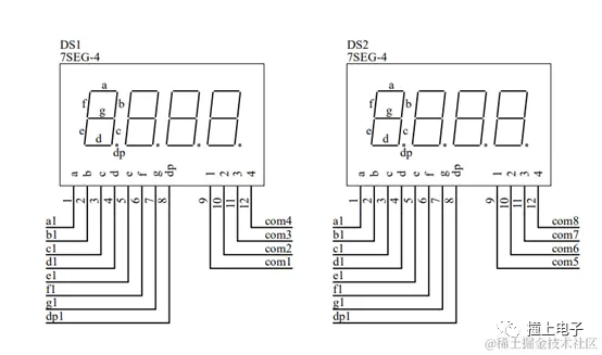
蓝桥杯单片机的数码管一共有八位,如下图:

           

图片

这两部分完全是一摸一样的,公子就以左侧的”DS1”为例了。在图中我们不难发现,9到12脚显示的是com1到com4,这是什么呢?这些com代表了是哪一位数码管,比如com3就代表了第三位数码管。这有一个专业的名词代替,就是位选,选择哪一位的意思。那数码管里面是a,b……f,g,dp是什么意思呢?这些都是由一个一个LED灯组成,如果想让数码管显示数字5,那么需要让LEDa, LEDc, LEDd, LEDf,LEDg正常工作,就像下图一样,而a,b,c,d等等LED灯和引脚的a1,b1,c1等等是导通的,这些引脚就是段选,选择数码管的一段或者几段。

图片

说了位选与段选,再来说说几个关于数码管的基本知识点:

1,位选:选择哪一位数码管,例如”com6”,选择第六位数码管

2,段选:选择数码管的几段,例如数码管显示”5”,那么数码管的LEDa, LEDc, LEDd,LEDf,LEDg工作。

3,共阳(阴)数码管:数码管的段选的一段连接单片机,另外一段就要选择接VCC还是GND了。详见下图,蓝桥杯单片机开发板上面的数码管属于共阳极。

图片

4,段码表:为了让段码更好的体会出来,总结出一些常用的数字与段码的关系:

图片

以上4点是数码管的最重要的知识,接下来,我们回归到蓝桥杯本身,知道com的作用之后,看到com一般连接到哪里呢?

图片

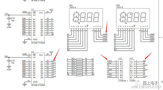
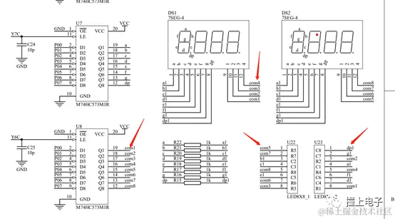
从上图可以看出,com连接到M74HC573(右侧的是排针,新板开发板已经删除该器件),并且使能端是Y6C。如果使能之后,P0口就完全可以操作com了,关于M74HC573请大家参考LED里面的关于M74HC573的讲解。

说完了com,再来说说段选,a1,b1,c1等等连接到哪里呢?从下图看出连接到M74HC573(右侧的是排针,新板开发板已经删除该器件),使能端是Y7C,如果使能之后,P0口就完全可以操作段码了,关于M74HC573请大家参考LED里面的关于M74HC573的讲解。

图片

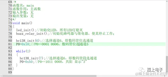
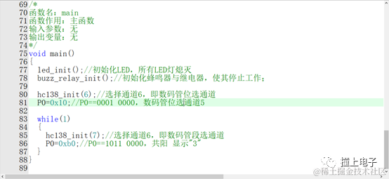
第二节    程序编写

图片

图片

图片

图片

图片

第三节    实验现象

如图所示,第五位数码管显示数字”3”,电源指示灯L9常量,LED,继电器和蜂鸣器等停止工作。

图片

往期精彩回顾

【1】【蓝桥杯单片机】第九章 LED,蜂鸣器与继电器综合实验(二)

【2】【蓝桥杯单片机】第八章 LED,蜂鸣器与继电器综合实验(一)

【3】【蓝桥杯单片机】第七章 继电器

【4】【蓝桥杯单片机】第六章 蜂鸣器

【5】【蓝桥杯单片机】第五章 一位LED的位移