【蓝桥杯单片机】第七章 继电器

374 阅读1分钟

第一节    硬件解读

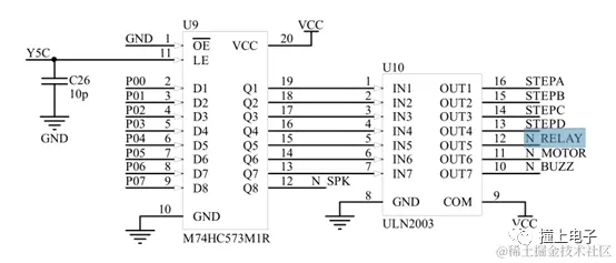
        其实,继电器与蜂鸣器是有异曲同工之妙的,先看看继电器电路:

图片

        继电器的引脚为N_RELAY,当该引脚输入低电平时,继电器导通,继电器内部开关K1被吸合,导致m2与K1相连,K1的一端连接到GND,也就是说,继电器一旦吸合,m2就变成低电平,导致L10导通,L10放光。R24的作用是限流作用,保护电路;而DIODE是一个续流二极管。

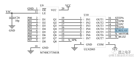
        话说回来,继电器的引脚N_RELAY连接的MCU是那个引脚呢?首先在原理图中搜索以下吧:

图片

        看见这个部分,是不是和蜂鸣器的一模一样?对,完全是一模一样的,那本文就不在详述了。

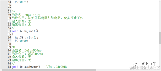
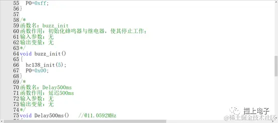
第二节    程序编写

图片

图片

图片

图片

图片

图片

图片

第三节    实验现象

        将代码编译之后,生成HEX文件,下载到开发板上面,发现继电器间隔500ms吸合一次,继电器旁边的L10也是,间隔500ms闪烁一次。

图片