【蓝桥杯单片机】第六章 蜂鸣器

244 阅读1分钟

第一节    硬件解读

        有了LED的基础,蜂鸣器的实验会简单很多,在原理图上,蜂鸣器图标如下:

图片

                           

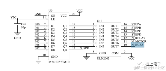
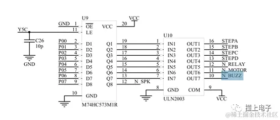
        蜂鸣器的电路明显比LED的电路简单很多,蜂鸣器一端是VCC,宁外一端是N_BUZZ,我们只要保证N_BUZZ是低电平,电路就可以导通了,蜂鸣器就开始”滴滴”的发出响声了。那么,N_BUZZ的另外一个网格在哪里呢?我们可以在原理图中直接搜索,可以得到:

图片

        这里有2个芯片,我们一个一个的看,先是ULN2003。

        找到比赛提供的该芯片的数据手册,得到该芯片的内部电路图,从下图可知,该芯片是一款驱动芯片,用于驱动蜂鸣器。原因是单片机的电流过小,不足以驱动蜂鸣器,一般是采用三极管或者驱动电路进行放大,在蓝桥杯单片机电路中,采取的是驱动芯片的放大方案。

        另外一款芯片M74HC573M1R在LED实验一章已经讲解过,只是LED的是Y4C,在蜂鸣器电路中是Y5C,其他的基本和LED实验中的一样去分析即可。

图片

第二节    程序编写

图片

图片

图片

图片

图片

图片

图片

第三节    实验现象

        把代码生成HEX文件,然后编译,最后下载到开发板,听见蜂鸣器以500ms的间隔滴滴的叫。LED灯熄灭。