【蓝桥杯单片机】第三章 点亮一个LED灯

492 阅读6分钟

        LED是蓝桥杯单片机的最基础的一个模块,也是最简单的一个模块,现在用LED模块带大家入门蓝桥杯单片机。

第一节 硬件解读

        我们先不看开发板,先看看开发板的原理图:

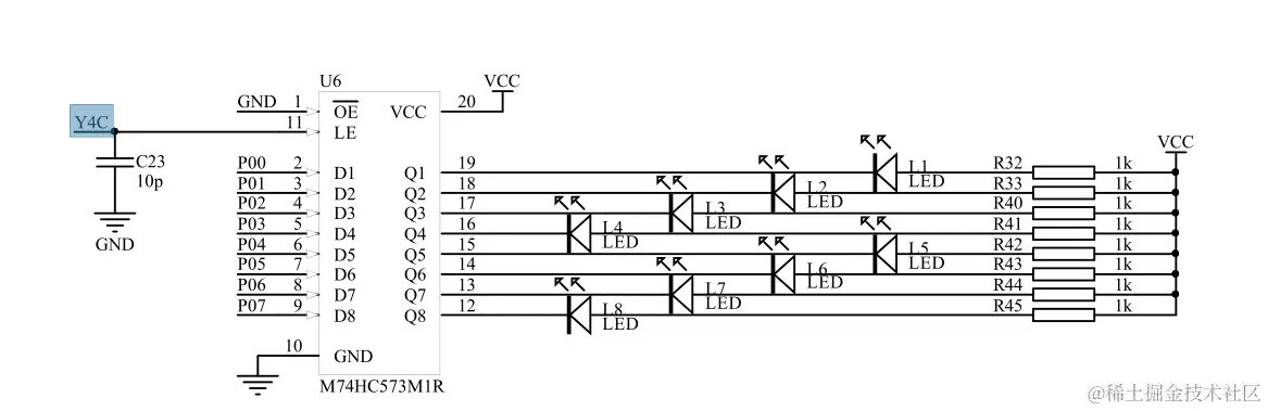
        没有关系,本节我们只讲LED,那先找到LED灯吧,LED在原理图的右上角:

       从图上我们可以看见,一共有8个LED灯,分别是L1~L8。VCC(电源)通过1K的电阻接到了二极管的正极,这里采用的VCC是5V,1K的电阻的作用的限流,保护电路。二极管的正极已经接到了电源,那么负极只需要接入GND(地)或者低电平就可以了,所以芯片M74HC573M1R的Q1~Q8输出对应的低电平就可以控制L1~L8了。比如Q3和Q4输出低电平,那么L3和L4会点亮。

       对于M74HC573M1R这个芯片,我们可以看到比赛提供的数据手册:

       上面的是该芯片的真值表,我们来简单分析一下:当`O`E为(低电平),LE为高电平,输出会随着输入的变化而变化。其他情况都是比赛用不到的功能。

       结合原理图,`O`E已经接低电平了,只需要控制LE即可。在原理图中,LE接到了Y4C,也就是说,控制Y4C即可。那么Y4C接到哪里呢?通过对原理图的查找,可以得到另外一个Y4C引脚:

       在原理图中,虽然两处Y4C并没有直接用线连接起来,但是却用了同一个网格编号,两个网络标号意味着两处是用导线连接起来的。我们已经知道,需要操作Y4C,那么先来看看74HC02的芯片的数据手册吧:

        从前面我们知道要控制Y4C为高电平,那么Y4C作为74HC02的输出端口,我们只需要控制74HC02的两输入为低电平就可以了,也就是WR和Y4都要是低电平。对于WR来说,直接在原理图中搜索,可以发现,它连接到了MCU上面:

        也就是说,只需要保证P24脚为低电平就可以了,相比之下,Y4就没有这么简单了,同样的,在原理图中搜索Y4,会发现:

        Y4接到了74HC138,我们打开74HC138的数据数据手册,可以得到:

        对于该芯片,我们做出以下解释,该芯片G1为高电平,`G`2为低电平时有效,A,B和C作为三输入一共有2*2*2=8种输入状态,分别对应着Y0~Y7。这就是数字电路中的译码器。比如,要Y4输出低电平,那么要保证输入的A,B和C分别是H(高电平),L(低电平)和L(低电平)。

        到此为止,我们介绍了LED的所有的硬件电路。下面就是软件代码的部分。

第二节 

        为什么要添加芯片呢?因为Keli 4里面没有蓝桥杯单片机的IAP15F2K61S2这颗主芯片。无法编译程序,虽然可以直接利用51或者52系列的芯片,但是撞上电子怕部分功能不兼容,所以建议大家添加芯片.注意,只需要添加一次即可,以后新建工程或者其他的操作都不需要添加。

        1>添加步骤很简单,将开发板插上电脑并打开STC-SPI。打开之后你可以看见芯片的型号就是:IAP15F2K61S2。并且串口也显示了COM口,请大家注意,芯片型号肯定是一样的,但是串口号不唯一,只要有COM口就可以,撞上电子的COM是COM3。

        2>选择“Keil仿真设置”,选择对应的“单片机型号”,点击”添加型号和头文件到Keil中 添加STC仿真器驱动到Keil中”即可。

        3>选择自己安装的Keil 4的目录,撞上电子的keil是在D盘,添加之后会显示“STC MCU型号添加成功”。

图片

图片

第三节    新建工程

        添加芯片之后就是新建工程了,希望大家一步一步的按照本教程操作。

        1>打开Keil 4

图片

        2>选择”Project”—“New uVision Project”。

图片

        3>在弹出的对话框中选择一个文件夹,将项目放在文件夹中,要不然太多文件,太乱。选好文件夹之后,给项目命名,建议纯英文,但是Keil的项目名支持中文。所以撞上电子的项目名如下:

图片

        4>在弹窗中进行如下配置,并点击“OK”。

图片

        5>接下来的弹窗,点击“OK”。

图片

        6>现在,项目的框架已经出来了,只需要添加.c文件了。

图片

        7>如下图,新建文件。

图片

        8>出现“Text1”代表文件新建成功,只是没有保存,按照如图下方的方式进行保存即可。

图片

        9>在弹窗中输入文件名,这里必须使用英文,且以.c为后缀。项目命名的时候可以中文,但是文件的命名必须是英文的,希望大家分清楚。

图片

        10>如图,原来的”Text1”变成“led.c”就代表文件更名成功。

图片

        11>右键“Source Group 1”,并选中”Add Existing Files to Group”。

图片

        12>在弹出的对话框中选择“led.c“文件,然后点击”Add“。这样,”led.c“就添加到项目里面了。

图片

图片

        14>最后一步,生成Hex文件,这是一种二进制文件,用来下载代码的。点击魔法棒--选中“Output“--勾选”Creat Hex File“—点击”OK“。

图片

        好了,一个工程到此就配置好了,在以后的教程中,将不再一一介绍怎么建项目了。希望大家多多练习。

第四节    编写代码

        本次代码将要点亮L1到L8的任意几个就可以了,那就点亮L1吧。以下是代码部分:

图片图片

图片

第五节     编译代码

        如图,点击”Rubild”,程序开始编译,最后出现提示“0 Error(s),0 Warning(s)“,代表程序没有问题。注意,在后面的历程中将不再重复编译代码的步骤,但是代码还是需要编译的,只是本教程在后面不再阐述。

图片

第六节     下载代码

        1>将开发板插上电脑并打开STC-SPI软件

        2>如图操作,选择芯片型号IAP15F2K61S2,选择串口,一般会显示COM,有可能不是COM3哦,最后点击“打开程序文件”。

图片

        3>在弹出对话框中,选择Hex文件(二进制文件)。

图片

        4>点击“下载/编程”。

图片

        5>打开开发板开关。下载器显示“操作成功“。

图片

        

第七节    实验现象

        L9为电源灯,常亮;L1为程序控制的灯,常量;L10为继电器指示灯,常亮。其中继电器模块后续会讲解,在这里不过多阐述。

图片