OC方法动态决议流程

723 阅读4分钟

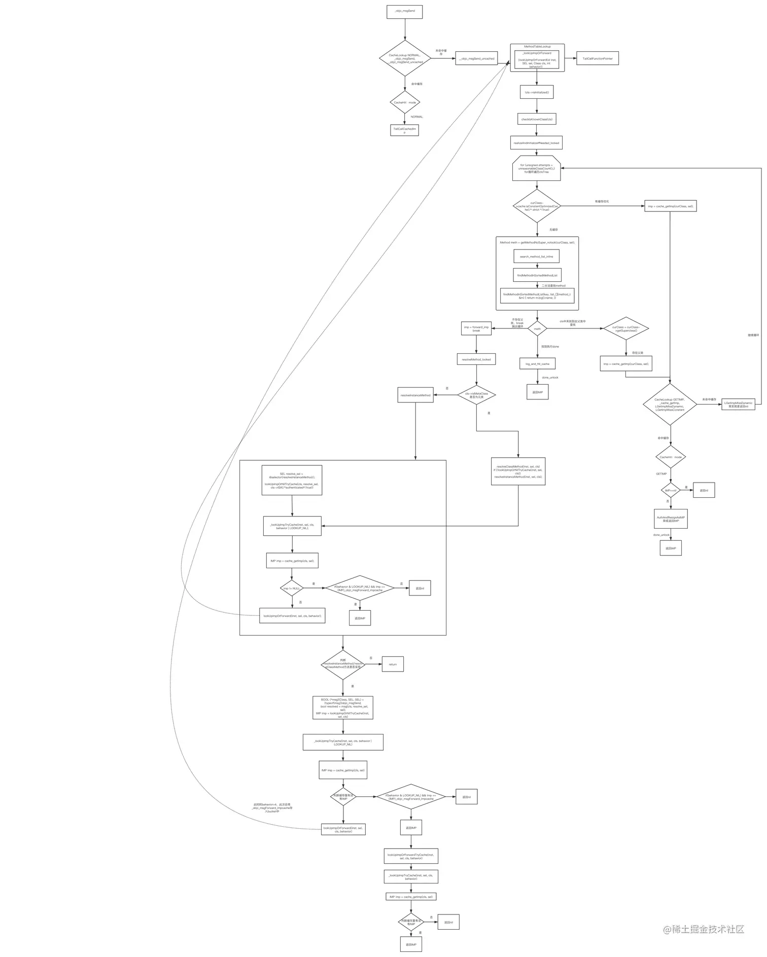
不多BB,先上图。

未命名文件.jpg

在之前的篇章中, 我们已经了解到了调用对象方法的底层其实是调用了objc_msgSend函数,然后我们分析了objc_msgSend的整个流程,清楚在CacheLookup中,当缓存命中之后,会直接调用对应的IMP实现,如果未命中,会执行 __objc_msgSend_uncached 进行慢速转发流程。并分析了lookUpImpOrForward中,如何使用二分法查找方法。一切都是在基于查找成功,并没有分析未找到方法时,是如何处理的呢?

@interface LGPerson : NSObject{
    NSString *hobby;
}

@property (nonatomic, copy) NSString *name;
@property (nonatomic) int age;

// 方法 - + OC  C/C++ 函数
// 元类
- (void)saySomething; //只有声明并没有实现
+ (void)sayNB;

@end

image.png 当调用调用[p saySomething],返回会无法找到,程序会奔溃并输出 unrecognized selector sent to instance 0x101047030,为什么会输出这些内容?

方法动态决议流程

上图已经将整个方法objc_msgSend中的代码流程整理出来了,当使用递归查找方法之后,如果没有找到对应的IMP,会执行方法决议。

if (slowpath(behavior & LOOKUP_RESOLVER)) {
        behavior ^= LOOKUP_RESOLVER;
        return resolveMethod_locked(inst, sel, cls, behavior);
    }

resolveMethod_locked中会判断当前cls是否为元类, 如果不为元类,执行resolveInstanceMethod

static NEVER_INLINE IMP
resolveMethod_locked(id inst, SEL sel, Class cls, int behavior)
{
    runtimeLock.assertLocked();
    ASSERT(cls->isRealized());

    runtimeLock.unlock();

    if (! cls->isMetaClass()) {
        // try [cls resolveInstanceMethod:sel]
        resolveInstanceMethod(inst, sel, cls);
    } 
    else {
        // try [nonMetaClass resolveClassMethod:sel]
        // and [cls resolveInstanceMethod:sel]
        resolveClassMethod(inst, sel, cls);
        if (!lookUpImpOrNilTryCache(inst, sel, cls)) {
            resolveInstanceMethod(inst, sel, cls);
        }
    }

    // chances are that calling the resolver have populated the cache
    // so attempt using it
    return lookUpImpOrForwardTryCache(inst, sel, cls, behavior);
}

static void resolveInstanceMethod(id inst, SEL sel, Class cls)
{
    runtimeLock.assertUnlocked();
    ASSERT(cls->isRealized());
    SEL resolve_sel = @selector(resolveInstanceMethod:);

    if (!lookUpImpOrNilTryCache(cls, resolve_sel, cls->ISA(/*authenticated*/true))) {
        // Resolver not implemented.
        return;
    }

    BOOL (*msg)(Class, SEL, SEL) = (typeof(msg))objc_msgSend;
    bool resolved = msg(cls, resolve_sel, sel);

    // Cache the result (good or bad) so the resolver doesn't fire next time.
    // +resolveInstanceMethod adds to self a.k.a. cls
    IMP imp = lookUpImpOrNilTryCache(inst, sel, cls);

    if (resolved  &&  PrintResolving) {
        if (imp) {
            _objc_inform("RESOLVE: method %c[%s %s] "
                         "dynamically resolved to %p", 
                         cls->isMetaClass() ? '+' : '-', 
                         cls->nameForLogging(), sel_getName(sel), imp);
        }
        else {
            // Method resolver didn't add anything?
            _objc_inform("RESOLVE: +[%s resolveInstanceMethod:%s] returned YES"
                         ", but no new implementation of %c[%s %s] was found",
                         cls->nameForLogging(), sel_getName(sel), 
                         cls->isMetaClass() ? '+' : '-', 
                         cls->nameForLogging(), sel_getName(sel));
        }
    }
}

resolveInstanceMethod会先判断cls的元类(cls->ISA 获取元类)是否实现resolveInstanceMethod,在 _lookUpImpTryCache内部判断IMP imp = cache_getImp(cls, sel)缓存中是否有对应的缓存,如果没有就去调用 lookUpImpOrForward去递归慢速查找resolveInstanceMethod是否实现(查找resolveInstanceMethod方法的逻辑与查找当前[p saySomething]一致,可想而知,如果某个class实现过resolveInstanceMethod,并且之前有调用过,下次再调用就可以从缓存中找到),如果自定义的class并有没有实现,其实系统的NSObject已经默认实现了,所以一定存在。

image.png

判断完resolveInstanceMethod是否实现之后,会直接通过objc_msgSend调用对应的实现。

 BOOL (*msg)(Class, SEL, SEL) = (typeof(msg))objc_msgSend;
 bool resolved = msg(cls, resolve_sel, sel);

接着会再次去缓存中查找 [p saySomething] 方法。

IMP imp = lookUpImpOrNilTryCache(inst, sel, cls);

IMP lookUpImpOrNilTryCache(id inst, SEL sel, Class cls, int behavior)
{
    return _lookUpImpTryCache(inst, sel, cls, behavior | LOOKUP_NIL);
}

然后通查找resolveInstanceMethod一样,去再次查找 [p saySomething],但是此时的behavior | LOOKUP_NIL发生了改变,如果此时缓存中存在IMP 直接返回, 如果没有lookUpImpOrForward去递归慢速查找resolveInstanceMethod是否实现。由于此时的behavior发生了改变,当最后未找到方法后,并不会再次执行方法决议。

if (slowpath(behavior & LOOKUP_RESOLVER)) {
        behavior ^= LOOKUP_RESOLVER;
        return resolveMethod_locked(inst, sel, cls, behavior);
    }

而是将imp指向了 forward_imp

const IMP forward_imp = (IMP)_objc_msgForward_impcache;

并在 log_and_fill_cache(cls, imp, sel, inst, curClass)中插入到cache中,然后返回到resolveMethod_locked(因为是递归调用,然后先入后出,层级返回),执行lookUpImpOrForwardTryCache(inst, sel, cls, behavior)

IMP lookUpImpOrForwardTryCache(id inst, SEL sel, Class cls, int behavior)
{
    return _lookUpImpTryCache(inst, sel, cls, behavior);
}

这个方法中调用了 _lookUpImpTryCache,但是此时通过sel是可以换取到IMP了, 因为在此之前log_and_fill_cache(cls, imp, sel, inst, curClass)已经将 _objc_msgForward_impcache插入到了cache,然后直接递归返回IMP(_objc_msgForward_impcache)。最后方法未找到会返回 _objc_msgForward_impcache,然后执行 _objc_msgForward_impcache

_objc_msgForward_impcache是什么?

image.png 在汇编中找到对应的实现,内部直接调转到了 __objc_msgForward,然后 __objc_msgForward中将 __objc_forward_handler赋值给了p17,然后调用x17(TailCallFunctionPointer x17

__objc_forward_handler

#if !__OBJC2__

// Default forward handler (nil) goes to forward:: dispatch.
void *_objc_forward_handler = nil;
void *_objc_forward_stret_handler = nil;

#else

// Default forward handler halts the process.
__attribute__((noreturn, cold)) void
objc_defaultForwardHandler(id self, SEL sel)
{
    _objc_fatal("%c[%s %s]: unrecognized selector sent to instance %p "
                "(no message forward handler is installed)", 
                class_isMetaClass(object_getClass(self)) ? '+' : '-', 
                object_getClassName(self), sel_getName(sel), self);
}
void *_objc_forward_handler = (void*)objc_defaultForwardHandler;

最后找到了如何打印输出unrecognized select的罪魁祸首。

重写resolveInstanceMethod动态修改,保证程序继续运行。

- (void)sayNothing {
//    NSLog(@"%s",__func__);
}

+ (BOOL)resolveInstanceMethod:(SEL)sel {
    NSLog(@"%s",__func__);
    IMP sayNothing = class_getMethodImplementation(self, @selector(sayNothing));
    Method method = class_getInstanceMethod(self, @selector(sayNothing));
    
    const char* type = method_getTypeEncoding(method);
    return class_addMethod(self, sel, sayNothing, type);
    
    return [super resolveInstanceMethod:sel];
}

通过重写resolveInstanceMethod方法,动态的给没有实现的sel添加一个imp,从而达到不崩溃的目的。

提出问题:运行代码会发现resolveInstanceMethod里的打印会打印两次?(请看后续分析)

image.png