【电路仿真】基于matlab simulink三相桥式全控整流电路【含Matlab源码 332期】

315 阅读1分钟

一、简介

在这里插入图片描述
三相桥式全控整流电路原理图

■原理图

◆阴极连接在一起的3个晶闸管(VT1,VT3,VT5)称为共阴极组;阳极连接在一起的3个晶闸管(VT4,VT6,VT2)称为共阳极组。

◆共阴极组中与ab,c三相电源相接的3个晶闸管分别为VT1,VT3,VT5,共阳极组中与ab,c三相电源相接的3个晶闸管分别为VT4,VT6,VT2。

◆晶闸管的导通顺序为VT1-VT2-VT3-VT4-VT5-VT6。

■带电阻负载时的工作情况

◆电路分析

在这里插入图片描述
三相桥式全控整流电路电阻负载a=0°时晶闸管工作情况

■带电阻负载时的工作情况

◆电路分析

    ☞各自然换相点既是相电压的交点,同时也是线电压的交点。

    ☞当a≤60°时

        √ud波形均连续,对于电阻负载,id波形与ud波形的形状是一样的,也连续。

        √a=0°时,ud为线电压在正半周的包络线。

在这里插入图片描述

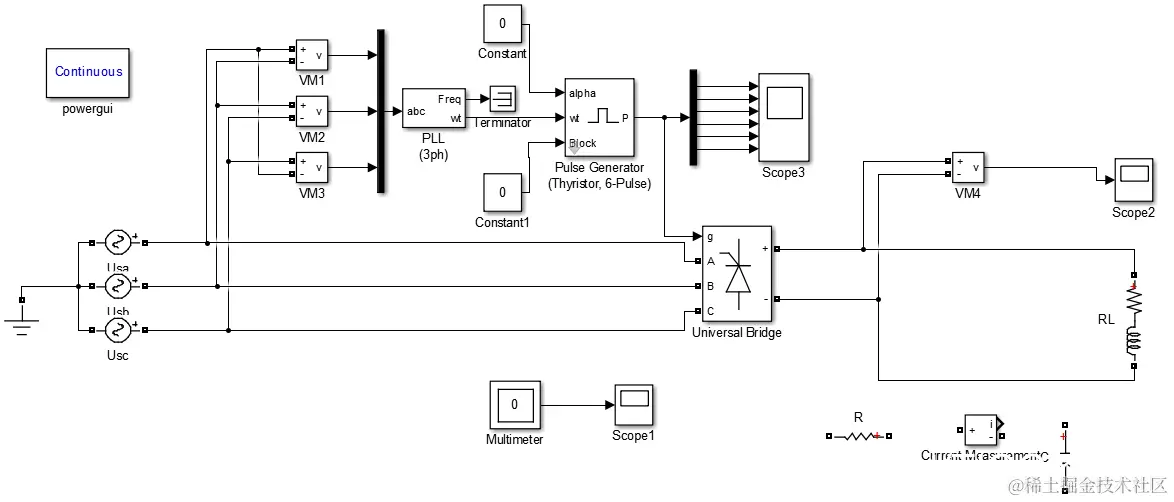
二、仿真图

在这里插入图片描述

三、运行结果

在这里插入图片描述
在这里插入图片描述
在这里插入图片描述

四、备注

版本:2014a