【电路仿真】基于matlab simulink三相半波可控整流电路【含Matlab源码 331期】

265 阅读1分钟

一、简介

在这里插入图片描述
在这里插入图片描述
在这里插入图片描述
在这里插入图片描述
在这里插入图片描述

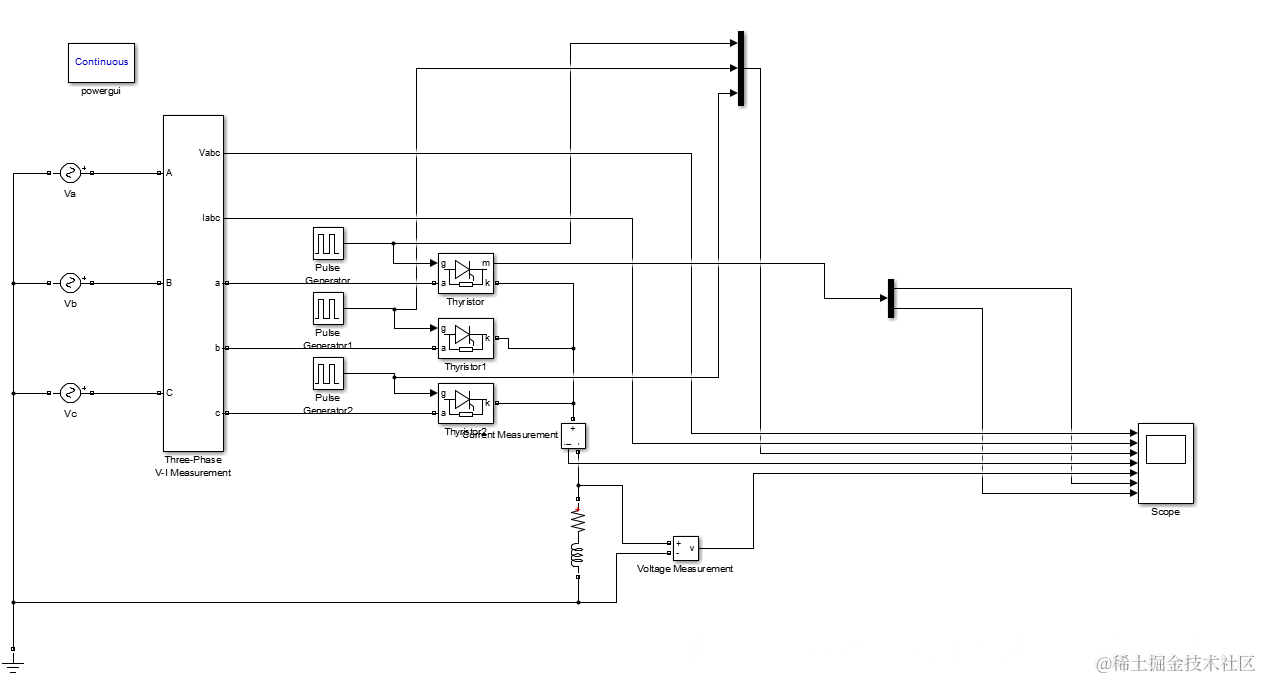
二、仿真图

在这里插入图片描述

三、运行结果

在这里插入图片描述

四、备注

版本:2014a