【电路仿真】基于matlab simulink光伏太阳能电池板仿真模型【含Matlab源码 771期】

198 阅读1分钟

一、简介

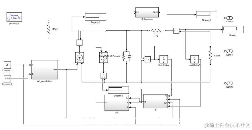
本模型是通过MATLAB仿真软件搭建的光伏太阳能电池板数学模型,输出量根据输入的光照强度和温度变化。

二、电路仿真

在这里插入图片描述

三、运行结果

在这里插入图片描述

四、备注

版本:2014a
需要完整代码或代写加QQ 1564658423