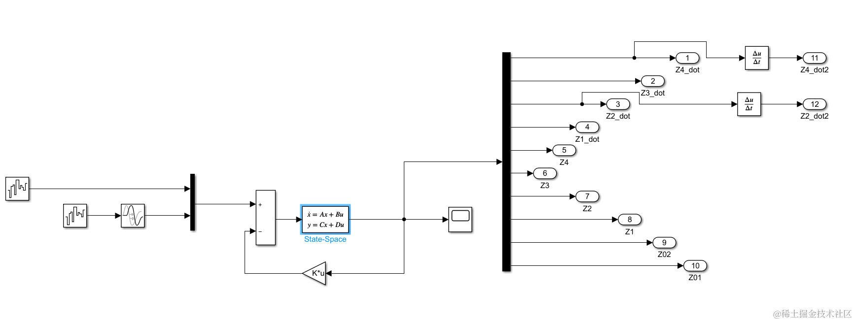
2021-02-28 LQG控制的主动悬架1/2车垂向动力学模型 算法工程师的学习日志 2021-06-17 252 阅读1分钟 汽车系统动力学主动悬架的1/2车力学模型 通用的采用LQG控制的主动悬架1/2车行驶动力学计算模型 文件编号:228-汽车LQR-gui 针对[汽车系统动力学]p213图10-12的具有主动悬架的1/2车力学模型,建立一个通用的采用LQG控制的主动悬架1/2车行驶动力学计算模型,输入参数为质量、转动惯量、刚度、几何尺寸等模型参数、随机路面参数和性能指标加权系数(即更换另一组车辆参数也可进行计算模拟)(算例数据可参考p216表10-2给出),输出为四组八个振动量: